При эксплуатации лабораторного блока или другого блока питания может быть полезен звуковой сигнализатор, который подаёт сигнал при включении и выключении блока или при возникновении аварийного режима, например, от короткого замыкания. Если в готовом блоке питания такой функции нет, её можно ввести, собрав несложный сигнализатор, описание двух вариантов которого предлагается вниманию читателей. При этом доработки самого блока питания не потребуется.
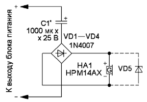
Схема однотонального сигнализатора показана на рис. 1. В его состав входят накопительный конденсатор С1, диодный мостVD1-VD4и акустический излучатель НА1 со встроенным генератором. Подключить сигнализатор можно к выходу стабилизатора напряжения сетевого блока питания. После подачи сетевого напряжения на выходе блока появится постоянное напряжение и начнётся зарядка конденсатора С1 через диодный мост VD1-VD4 и аку-стический излучатель HA1. При этом на излучателе появится питающее напряжение, он начнёт работать, подавая сигнал. По мере зарядки конденсатора напряжение на излучателе уменьшается и сигнал плавно затихает. При выключении блока питания напряжение на его выходе уменьшается и начинается разрядка конденсатора. На излучателе появится напряжение, и он начнёт работать - зазвучит звуковой сигнал. Если возникнет авария, например, появится короткое замыкание, сигнализатор также подаст кратковременный сигнал.

Рис. 1. Схема однотонального сигнализатора
Громкость сигнала зависит от напряжения на акустическом излучателе, которое, в свою очередь, определяется выходным напряжением блока питания и скоростью его изменения. Продолжительность сигнала зависит от времени зарядки конденсатора С1 и определяется как его ёмкостью и током, потребляемым излучателем, так и напряжением блока питания и скоростью его изменения. Так, например, чем медленнее изменяется выходное напряжение блока питания, тем меньше громкость и больше продолжительность сигнала. С увеличением ёмкости конденсатора С1 в первую очередь растёт продолжительность сигнала. Поэтому самый громкий сигнал будет при возникновении КЗ на выходе блока питания, когда напряжение резко уменьшается.
Все детали можно разместить на односторонней печатной плате из фольгированного стеклотекстолита, чертёж которой показан на рис. 2. В устройстве следует применить конденсатор с номинальным напряжением, превышающим выходное напряжение блока питания. Диоды - любые маломощные выпрямительные. В сигнализаторе следует применить акустический сигнализатор с большим интервалом питающего напряжения. Кроме указанного на схеме HPM14AX с интервалом напряжения 3...16 В, подойдут, например, HPM24AX (3...16 В), HPM24BX-1 (3....20 В), SMA13 (1,5....24 В). Если максимальное напряжение питания акустического излучателя меньше выходного блока питания, на плату надо установить стабилитрон VD5 c соответствующим напряжением стабилизации. Продолжительность сигнала при этом уменьшится. Внешний вид смонтированной платы показан на рис. 3. Налаживание сводится к подбору конденсатора С1.

Рис. 2. Односторонняя печатная плата

Рис. 3. Внешний вид смонтированной платы
Чтобы сделать устройство двухтональным, в нём следует применить два акустических сигнализатора с разной частотой генерации. Схема такого варианта устройства показана на рис. 4.

Рис. 4. Схема устройства
В нём при зарядке и разрядке конденсатора напряжение поступает на разные излучатели. При зарядке - на излучатель HA1, при разрядке - на HA2. Поэтому при включении блока питания будет звучать сигнал одного тока (например, высокого), а при выключении - другого (например, низкого). В данном случае частота излучателя HPM14AX - 4900 Гц, а излучателя HCM1212BX- 2300 Гц. Желательно, чтобы разница частот была как можно больше. Чертёж печатной платы для этого варианта устройства показан на рис. 5, а внешний вид смонтированной платы - на рис. 6.

Рис. 5. Чертёж печатной платы для второго варианта устройства

Рис. 6. Внешнй вид смонтированной платы
При использовании акустических излучателей большего размера топологию и размеры печатной платы потребуется изменить. Плату сигнализатора размещают внутри блока питания так, чтобы излучатели располагались напротив отверстий в корпусе блока. Соединения проводят отрезками изолированного монтажного провода.
Автор: И. Нечаев, г. Москва
