Тема адаптации аккумуляторного шуруповерта к сети 220 вольт весьма популярна среди мастеров. Нередко бывает, что в самый неподходящий момент аккумуляторная батарея разряжается либо вовсе выходит из строя. Иметь в запасе заряженную батарею не всегда выходит. Альтернативное решение – перевод на сетевое питание напряжением 220 вольт. Тем более, если работы проводятся в помещениях оборудованных электрической сетью напряжением в 220 вольт. Схема блока питания (БП) для шуруповерта представлена на рис. 1.

Рис. 1. Схема электрическая принципиальная
Электрическая часть БП состоит из понижающего трансформатора ТС-170, взятого из старого лампового телевизора, выпрямителя на 8-и мощных диодах Д215 и 2-х электролитических конденсаторов емкостью по 10 000 мкФ каждый и рабочим напряжением 25 В. Ориентировочный подбор элементов для БП проводится исходя из потребляемой мощности двигателя шуруповерта. Двигатель HRS-550S DC 18V, согласно характеристик заявленных производителем (таблица 1), при работе с максимальной эффективностью потребляет ток 7,9 А. Соответственно электрическая мощность будет равна 142,2 Вт. Однако, практика показывает, что ток потребления, особенно в конечный момент затяжки шурупов несколько выше. От этого выпрямительные диоды с допустимым током в 10 А быстро сильно нагреваются. При нагревании характеристики диода существенно падают и способность пропускания тока снижается с 10 до 5 А и ниже. Во избежание выхода из строя выпрямительных диодов устанавливают в мостовом выпрямителе 8 диодов по 10 А, как в данном случае, или 4-е на 20 А и выше.
Таблица 1. Технические характеристики микродвигателей[1]
Model | Voltage | Noload | At maximum efficiency | Stall | |||||||||
Operating Range | Nominal | Speed | Current | Speed | Current | Torque | Output | Eff. | Torque | Current | |||
rpm | A | rpm | A | g.cm | mN.m | W | % | g.cm | mN.m | A | |||
HRS-550S-8607F | 3.0-9.0 | 7.2 V | 19000 | 1.90 | 15750 | 16.50 | 500 | 49.00 | 80.76 | 68.0 | 2924 | 286.6 | 87.3 |
HRS-550S-7612F | 9.0-15 | 12.0 V | 20500 | 1.40 | 18000 | 10.00 | 450 | 44.10 | 83.01 | 68.2 | 3690 | 361.6 | 72.0 |
HRS-550S-6627F | 12.0-18 | 18.0 V | 19040 | 0.82 | 16820 | 7.90 | 600 | 58.80 | 103.50 | 72.8 | 5145 | 504.2 | 61.6 |
HRS-555P-5614 | 6.0-12 | 6.0V | 6500 | 0.60 | 5500 | 3.20 | 241 | 23.61 | 13.59 | 70.8 | 1567 | 153.6 | 17.6 |
HRS-550P-5114 | 12-24 | 12 | 13100 | 0.62 | 11400 | 4.20 | 325 | 31.85 | 38.00 | 75.4 | 2505 | 245.5 | 28.3 |
HRS-555P-3769 | 18-36 | 24.0V | 9400 | 0.25 | 8000 | 1.40 | 300 | 29.40 | 24.61 | 73.2 | 2014 | 197.4 | 8.0 |
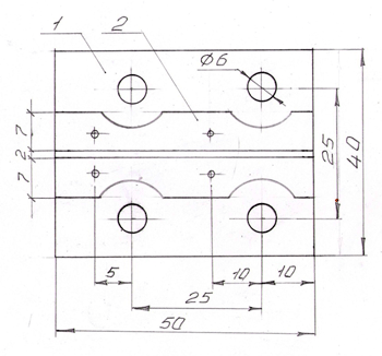
Выпрямительные диоды и конденсаторы размещают в корпусе старой аккумуляторной батареи. Для этого следует ее разобрать и удалить аккумуляторы. Придерживаясь внутренних размеров корпуса подготавливают детали для монтажа. По размерам приведенным на чертеже (рис. 2) изготавливают монтажную пластину из диэлектрического материала (стеклотекстолит, гетинакс, фторопласт, плотный картон), и радиаторы для диодов.

Рис. 2. Несущие детали выпрямителя: 1 – радиаторы охлаждения; 2 – диэлектрическая пластина
Собирают выпрямитель в следующем порядке. На диэлектрической пластине (рис. 3) монтируют диоды, с радиаторами. Диоды Д215 имеют резьбовые шпильки, что очень удобно для монтажа. В месте, предусмотренном для крепления платы конденсаторов, используют гайки в два раза тоньше обычных. Затем на резьбовые шпильки диодов прикладывают, раннее заготовленную, плату с конденсаторами (рис. 4 ) и затягивают двумя гайками.

Рис. 3. Монтаж выпрямителя

а)

б)
Рис 4. Плата конденсаторов: а – габаритные и установочные размеры: 1 – основание; 2 - проводник; б – плата в собранном виде
Плату изготавливают из фольгированного стеклотекстолита. Она довольно проста. Имеет всего две прямолинейные дорожки, вырезанные с помощью ножа.
Устройство соединяют с контактной площадкой с помощью ножевых клемм (рис 5). Паять не рекомендуется, поскольку при больших нагрузках контактам иногда свойственно нагреваться до температуры плавления припоя.

Рис. 5. Контактная площадка
Выпрямитель размещают в корпусе как показано на рис. 6. В корпусе в месте подвода шнура проделывают отверстие.

а)

б)

в)
Рис. 6. Расположение выпрямителя в корпусе: а - в крышке корпуса: 1 – крепежные элементы; б - в днище корпуса; в – собранный вид
Через соединительный шнур подключают устройство к трансформатору ТС-170, который нужно доработать. Поскольку на нем мощная обмотка имеет всего 6,3 В, необходимо домотать еще в том же направлении 40 витков провода диаметром 1,45 мм. В этом случае напряжение достигнет порядка 16 – 17 вольт. Выпрямленное напряжение без нагрузки составит около 20 вольт. Разбирать трансформатор ненужно. Во избежание повреждения лакового покрытия провода при намотке, углы трансформаторного железа заклеивают строительным скотчем. Удобно им, также, пользоваться для изоляции слоев обмоток. Ну а если же есть трансформатор с обмоткой 16 - 18 вольт и мощностью не менее 150 Вт обходятся им.
Теперь шуроповерт работает стабильно неограниченное время и может вкручивать даже шурупы не поддававшиеся при аккумуляторном питании.

Рис. 7. Шуроповерт с адаптирующим устройством
Автор: Владимир Марченко, г. Умань, Украина
