Компьютерные блоки питания – это очень точные и функциональные устройства. Они имеют низкую погрешность в питании устройств, входящих в состав персонального компьютера (ПК) – не более 5%. И достаточную мощность – от 250 Вт и выше.
Таблица 1

Часто компьютерные БП используют не по назначению:
- Они могут питать сторонние устройства.
- БП изрядно модифицируют (улучшают охлаждение, изменяют выходные напряжения и т.п.) для получения заданного уровня тока.
- Разбирают на запчасти для сборки собственных БП.
- И т.д.
Но самая безумная затея – сделать блок питания ПК своими руками!
Основные сложности:
- Во-первых, компьютерный БП – это не просто источник нескольких уровней напряжений и тока. Это устройство с обратной связью. Имеется специальный контроллер, отвечающий за управление включением и отключением питания, при особом сигнале БП переходит в дежурный режим и т.д.
- Во-вторых, в домашних условиях сложно достичь правильной компоновки элементов и уместить схему в заданные габариты. А значит, БП с большой вероятностью будет размещён вне системного блока.
- В-третьих, даже имея на руках детальную схему БП, её будет сложно собрать своими руками – высокая плотность элементов повышает риск ошибки, не все детали имеются в доступе (скорее всего часть из них будет снята с тех же самых БП, например, с вышедших из строя).
- В-четвёртых, ошибка в сборке может обойтись очень дорого – стоимость сгоревшей материнской платы, как и большинства подключаемых к БП устройств (процессор, жёсткий диск и т.д.), намного выше стоимости нового БП.
Даже простейший подсчёт затрат времени и денег на закупку компонентов говорит о том, что экономического эффекта от сборки БП для ПК своими руками – нет.
Проще всего приобрести новый БП, скомпоновать несколько (если необходимо увеличить мощность) или модифицировать имеющийся (например, залив его маслом и поместив в специальный корпус для снижения шумности, для понижения температуры в корпусе и т.п. – что актуально для оверлокеров).
Если всё вышеизложенное вас не останавливает, а цель – исследование своих возможностей или детальное изучение БП, то материал ниже – для вас.
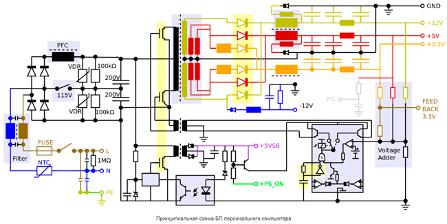
Схемы компьютерных БП

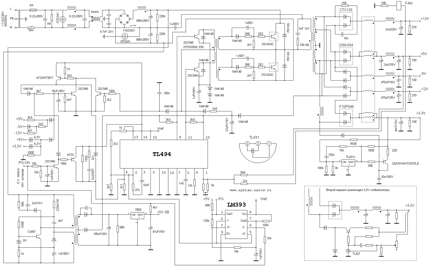
Рис. 1. Принципиальная схема БП ПК
Итак, первое, что необходимо усвоить при проектировании собственного БП – на выходе должно быть несколько уровней напряжений:
+3,3 В;
+/-5 В;
+/-12 В.
Комбинация +12 и -12 В может питать цепи напряжением в 24 В.
К примеру, блок питания мощностью 350 Вт обеспечивает следующую силу тока на каналах питания:
+5 В – до 32 А (до 160 Вт);
-5 В – 0,5 А;
+3,3 В – до 20А;
+12 В – до 16А (до 192 Вт);
-12 В – 0,5 А.
Если попытаться измерить показатели напряжения на реальном БП без нагрузки, они могут сильно отличаться от заявленных. Кроме того, некоторые блоки питания способны блокировать напряжение, если нагрузка отключена.
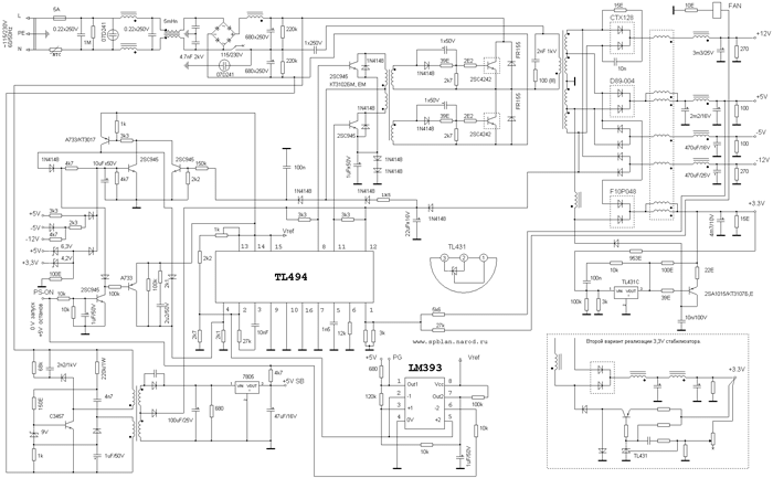
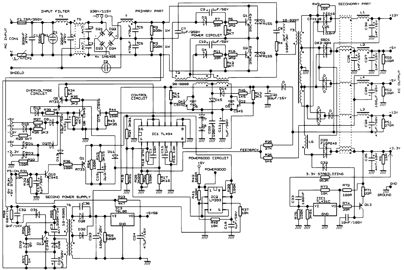
Наиболее простой в сборке можно назвать блоки ATX (старого образца с минимумом микроконтроллеров). Типовая схема выглядит следующим образом.
Рис. 2. Типовая схема блока ATX
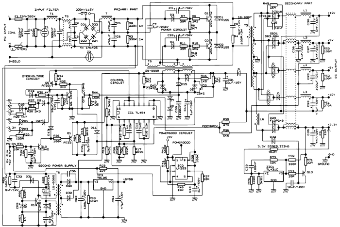
Или так.
Рис. 3. Типовая схема блока ATX
Ядром её служит таймер, выполняющий роль генератора частоты.
Принцип работы
Чтобы был понятен принцип работы с напряжением, можно изучить следующую схему.

Рис. 4. Схема принципа работы БП
Она соответствует большинству импульсных источников питания. Переменное напряжение преобразовывается в постоянное, затем генератор импульсов преобразует ток в переменный с высокой частотой. Теперь на базе ВЧ сигнала легко сформировать нужное постоянное напряжение заданного уровня или даже нескольких уровней.
Такой подход позволяет избежать применения тяжёлых и габаритных трансформаторов, но имеет свои нюансы:
- Возможны ВЧ-помехи (поэтому системный блок ПК включают в сеть через сетевой фильтр);
- Для БП опасна работа без нагрузки.
Если упомянутую блок-схему наложить на принципиальную схему БП АТХ, то получится следующее.
Рис. 5. Схема БП
Выше обозначены основные блоки (легко соотносятся с блок-схемой, обозначенной выше):
1.Выпрямитель сетевого напряжения
2.Генератор частоты
3.ШИМ-контроллер
4.Трансформаторный блок
5.Блок выпрямления тока
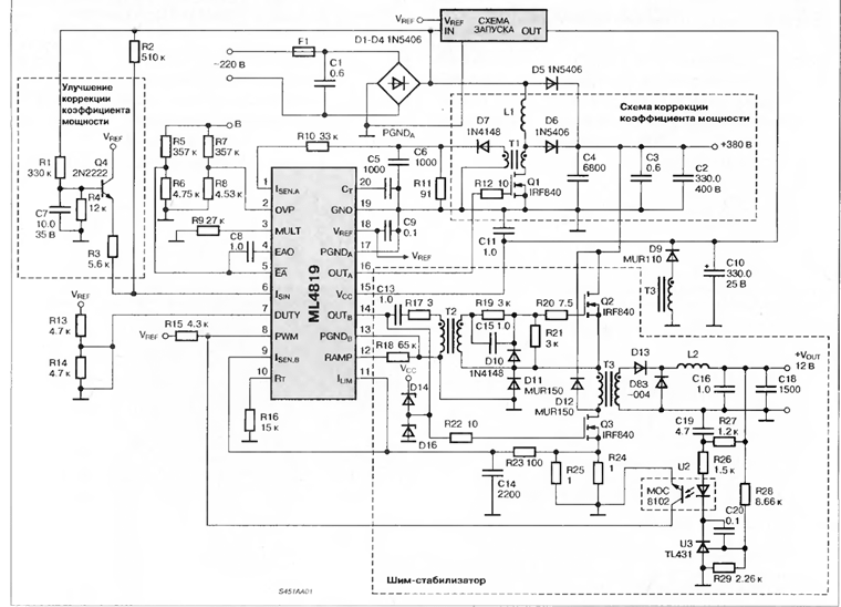
Современные БП
Из-за того, что первичное выпрямление сетевого напряжения с диодным мостом и конденсатором в роли простейшего фильтра обеспечивало пульсирующий ток, этот подход был пересмотрен.
Более качественный сигнал формируется с применением активного корректора мощности.
Новые поколения компьютерных БП собираются по следующим схемам.

Рис. 6. Схема БП ПК
Они получаются ещё компактнее и надёжнее предшественников – ATX.
Интерфейсы
Даже собрав БП своими руками, вы не сможете просто так запитать все необходимые узлы и устройства.
Ниже обозначены основные интерфейсы для подачи питания.

Рис. 7. Основные интерфейсы для подачи питания.
Обратите внимание на расположение защёлок, они выступают в роли ключа.
Для удобства сборщиков все провода имеют специфичную маркировку:
- +12В – жёлтый цвет;
- +5В – красный;
- +3,3 – оранжевый;
- Общий – чёрный.
-12 и -5 В – могут отличаться в зависимости от производителя БП.
Таблица 2

Автор: RadioRadar



