Наиболее трудоёмким узлом классического сетевого источника питания является, как известно, понижающий трансформатор. Для облегчения повторения предлагаемого вниманию читателей блока питания в нём применён готовый унифицированный трансформатор ТН46-220-50 (трансформатор накальный 46-го типоразмера на сетевое напряжение 220 В, 50 Гц). Наличие у него четырёх вторичных обмоток позволило получить на выходе блока столько же фиксированных значений переменного и постоянного напряжения. Блок хорошо защищён от перегрузок как со стороны сети, так и со стороны нагрузки, имеется индикация включения в сеть, наличия нагрузки, состояния самовосста-навливающегося предохранителя.
Для ремонта и налаживания различных конструкций обычно используют лабораторные блоки питания (БП) с регулируемым выходным стабилизированным напряжением постоянного тока. Но такие БП создают для подключаемого к их выходу устройства "тепличные" условия работы, в то время как после налаживания или ремонта оно, возможно, будет эксплуатироваться с БП, у которого выходное напряжение не стабилизировано. Чтобы приблизить результаты тестов к реальным условиям эксплуатации, например, изготовленного УМЗЧ, стабилизатора напряжения, зарядного устройства, желательно иметь возможность проверить их работоспособность от источника питания с нестабилизированным выходным напряжением.

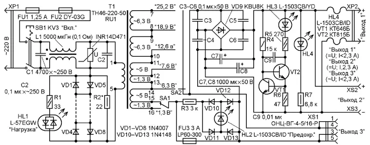
Рис. 1. Принципиальная схема одноканального БП
Принципиальная схема одноканального БП на несколько фиксированных выходных напряжений постоянного и переменного тока показана на рис. 1. Основа устройства - унифицированный понижающий "накальный" трансформатор ТН46-220-50 (Т1), имеющий четыре вторичные обмотки, каждая из которых рассчитана на выходное напряжение 6,3 В при токе нагрузки 2,3 А. Эти обмотки можно соединять последовательно и параллельно, в данном случае они включены последовательно. Напряжение сети поступает на первичную обмотку (выводы 1, 5) трансформатора T1 через замкнутые контакты выключателя SB1, плавкую вставку FU1, автоматический термопредохранитель FU2 и двухобмоточный дроссель L1. LC-фильтр C1L1C2 и варистор RU1 уменьшают негативное влияние импульсных помех, как поступающих из сети, так и создаваемых этим БП в моменты его включения/выключения. Последовательно с первичной обмоткой включён узел индикатора наличия нагрузки, выполненный на элементах VD1-VD8, R1, R2, HL1. Светодиод HL1 ярко светит при подключении к выходу БП нагрузки, потребляющей мощность более 25 Вт.
Выходное напряжение БП выбирают переключателем SA2: 6,3; 7,6; 12,6; 18,9 и 25,2 В - это значения переменного напряжения при токе нагрузки около 2,3 А и напряжении сети 220 В. Переключателем SA1 их можно понизить примерно на 1,3 В, что удобно в случае, если из-за недозагрузки или повышенного напряжения сети на вторичных обмотках трансформатора имеется повышенное напряжение. Через полимерный само-восстанавливающийся предохранитель FU3 напряжение переменного тока поступает на розетку XS1, к которой может быть подключена нагрузка, рассчитанная на питание переменным током.
На гнёздаXS2, XS3 и вилку XP2 подаётся напряжение постоянного тока с выхода выпрямительного моста VD9. Конденсаторы С7, С8 сглаживают пульсации выпрямленного напряжения, С3-С6, шунтирующие диоды моста, подавляют так называемый мультипликативный фон.
Светодиод HL3 - индикатор включения, питается относительно стабильным током около 12...15 мА, который формирует узел на транзисторах VT1, VT2 и резисторах R4-R6. Конденсатор C9 препятствует самовозбуждению транзисторов. Яркость свечения светодиода HL4 зависит от установленного выходного напряжения. Кроме функций индикации, эти узлы нужны для быстрой разрядки конденсаторов C7, C8 после переключения SA2 на меньшее выходное напряжение. Светодиод HL2 светит при срабатывании самовосста-навливающегося предохранителя FU3.

Рис. 2. Узел сетевого фильтра и индикации наличия нагрузки на монтажной плате

Рис. 3. Узлы индикации HL2-HL4 и самовосстанавливающийся предохранитель на монтажной плате
Узел сетевого фильтра и индикации наличия нагрузки собран на монтажной плате размерами 66x42 мм (рис. 2). На плате размерами 74x59 мм (рис. 3) размещены узлы индикации HL2-HL4 и самовосстанавливающийся предохранитель. Сечение проводов по меди, по которым протекает ток нагрузки, должно быть не менее 1,2 мм2. Все детали устройства размещены в металлическом корпусе размерами 107x128x128 мм, вид на компоновку узлов показан на рис. 4.

Рис. 4. Вид на компоновку узлов
Вместо унифицированного трансформатора TH46-220-50 можно применить TH46-220-50K, ТН-46-127/220-50.
Переключатель SA1 - тумблер ТП-1 или аналогичный, обе группы контактов соединены параллельно, SA2 - галетный на пять положений, свободные группы контактов также подсоединены параллельно используемым. Выключатель сетевого напряжения SB1 - KV3, возможна замена любым, рассчитанным на коммутацию сетевого напряжения 250 В (ESB99902S, ESB76937S, KDC-A04, JPW-2104, ПКн-41-1-2 и т. п.).
Полимерный самовосстанавливающийся предохранитель LP60-300 (FU3) заменим на MF-R300, LP30-300. Применённый автором экземпляр срабатывал примерно через две минуты при токе нагрузки 2,8 А. Ток удержания - около 200 мА при напряжении 12,6 В (при большем напряжении он меньше). Использовать самовосстанавливающийся предохранитель с максимальным рабочим напряжением менее 30 В не следует. При отсутствии подходящего самовосстанавливающегося предохранителя вместо указанной на схеме устанавливают плавкую вставку FU1 с рабочим током 0,5 или 0,63 А.
Термопредохранитель (термореле) DY-03G (FU2) - от неисправного пылесоса, где он был включён в цепь защиты электродвигателя от перегрева (с ручным включением после срабатывания). Он прикреплён к магнитопроводу трансформатора таким образом, чтобы биметаллическая пластина была как можно ближе к нему (при монтаже проследите за тем, что бы ничто не ограни чивало её свободный ход). Возможная замена этого узла - TM-XD-3CQC, ECH-009, SW03175, T23A090ASR2-20, SW03183, T23B090ASR2-20 и другие аналогичные, срабатывающие при температуре около +80 °C.
Диодный мост KBU8K снабжён дюралюминиевым теплоотводом размерами 62x50x4 мм, который прикреплён к стальной П-образной перфорированной крышке корпуса (рис. 4). Его можно заменить любым другим со средневыпрямлен-ным током от 8 А (KBU8A-KBU8M, RS801-RS807, BR81-BR88, BR101- BR108 и т. п.). Выбор относительно мощного моста обусловлен необходимостью выстоять при перегрузке, пока не сработает самовосста-навливающийся предохранитель FU3.
Возможная замена диодов 1N4007 - любые из 1N4001 - 1 N4006, UF4001 - UF4007, EGP20A, 1N4933GP-1N4937GP, а также отечественные серий КД208, КД209, КД243, КД247, диодов 1N4148 - 1 N914, 1SS244, КД510, КД521, КД103. Вместо транзистора КТ646Б подойдёт любой из серий КТ646, КТ645, КТ3102, КТ315, SS9014, 2SC9014, BC547. Транзистор КТ815Б можно заменить любым из серий КТ815, КТ817, КТ961, КТ683, 2SC2331, 2SС2383. Вместо двухкристального красно-зелёного светодиода L-57EGW можно применить любой из серий L-937, L-117, а вместо светодиодов L-1503CB/ID (красного цвета свечения) и L-1503CB/YD (жёлтого) подойдут любые общего применения непрерывного свечения, например, серий КИПД36, КИПД66.
Постоянные резисторы - С2-23, С2-33, С1-4, С1-14, РПМ или аналоги с соответствующей рассеиваемой мощностью, варистор RU1 - INR14D471 или любой другой с классификационным постоянным напряжением 470 В (например, FNR-20K471, FNR-14K471, TVR20-471). При монтаже на него надета термоусаживаемая трубка.
Конденсатор C1 - керамический высоковольтный с номинальным переменным напряжением не ниже 250 В или постоянным 1000 В, C2 - плёночный с номинальными значениями тех же видов напряжения соответственно не ниже 250 и 630 В, C3-C6 - плёночные малогабаритные (припаяны к выводам диодного моста VD9), C9 - малогабаритный керамический. Конденсаторы C7, С8 - оксидные импортные с номинальным напряжением не ниже 50 В. Если суммарная ёмкость их и блокировочных конденсаторов на входе питания нагрузки окажется около 10000 мкФ или более, то это может привести к повышенному износу контактов переключателей SA1 и SA2, поэтому постарайтесь не изменять выходное напряжение при подключённой нагрузке.
Двухобмоточный дроссель L1 - промышленного изготовления. Подойдёт любой аналогичный индуктивностью от 100 мкГн и суммарным сопротивлением обмоток до 6 Ом. Поскольку при сборке устройства этот дроссель оказался вблизи выводов вторичной обмотки трансформатора T1, на него надета термоусаживаемая трубка.
Внешний вид устройства в сборе показан на рис. 5. Передняя, задняя и соединяющая их нижняя стенки корпуса изготовлены из листового полистирола толщиной 3 мм и дополнительно усилены рёбрами жёсткости. При склейке учитывайте, что застывать растворённый в ацетоне или дихлорэтане полистирол может несколько месяцев. Верхняя и боковые стенки корпуса образованы П-образной скобой, согнутой из листовой стали (использована деталь с вентиляционными отверстиями от "школьного" диапроектора). Масса блока питания - около 1,7 кг.

Рис. 5. Внешний вид устройства в сборе
Безошибочно собранное из исправных деталей устройство начинает работать сразу после подключения к сети. Резистор R2 подбирают таким, чтобы при отсутствии нагрузки и напряжении сети 240 В светодиод HL1 светился едва заметно.
Без нагрузки при напряжении сети 240 В блок питания потребляет от сети всего около 30 мА, что весьма хорошо для трансформаторов такой конструкции. В процессе испытаний устройства выяснилось, что при установке переключателя SA2 в положение "25,2 В" и токе нагрузки 2,3 А (отдаваемая в нагрузку мощность - около 58 Вт) через 2...3 ч непрерывной работы трансформатор нагревается настолько, что срабатывает термопредохранитель FU2. Из этого следует, что фактическая долговременная мощность трансформатора меньше, поэтому желательно, чтобы при продолжительной работе ток нагрузки не превышал 2 А. Кратковременно (несколько секунд суммарно каждые 5 мин) ток нагрузки может достигать 4 А. Совместно с описанным БП можно эксплуатировать импульсный стабилизатор напряжения, описанный в статье автора "Импульсный стабилизатор напряжения на микросхеме MC34165P" ("Радио", 2014, №4, с. 28-30).
Автор: А. Бутов, с. Курба Ярославской обл.
