Тестеры ТЛ-4, ТЛ-4М и ТЛ-4М2, несмотря на свой преклонный "возраст", всё ещё популярны среди радиолюбителей. Обладателям этих тестеров, каковым является и автор статьи, в последнее время приходится сталкиваться с относительной трудностью приобретения гальванических элементов типоразмера R10 или LR10 для его питания. Недорогие солевые элементы R10 Camelion, которые ещё несколько лет назад можно было легко приобрести, сейчас практически недоступны. Аналогичные отечественные гальванические элементы, которые можно применить для питания этого тестера, - А332 Эра (LR10, напряжение - 1,5 В, размеры - 20x37 мм), в широкой продаже найти довольно трудно. В связи с этим продавцы "задирают" цены на них до заоблачных высот (до пятикратного размера их обычной стоимости).
Поэтому автор задался вопросом: а нельзя ли использовать для питания тестера ТЛ-4 аккумуляторы подходящего размера? Как оказалось, подобные аккумуляторы существуют, доступны, а стоимость некоторых из них даже ниже стоимости элемента LR10. Это аккумуляторы 4/5SC (23x34 мм), которые широко применяются в источниках питания шуруповёртов. Аккумуляторы этого типоразмера бывают никель-кадмиевыми (Ni-Cd) и никель-металлогидридными (Ni-MH), их ёмкость - от 1 до 4 А·ч, и выпускают их многие компании, причём стоимость Ni-Cd аккумуляторов небольшой ёмкости (1,2 А·ч) даже меньше стоимости элемента LR10. Длина аккумуляторов (34 мм) позволяет свободно размес-тить их в батарейном отсеке тестера ТЛ-4. Для более плотного контакта с лепестками отсека между ними и корпусом необходимо проложить отрезок широкой ПВХ-трубки (кембрика). А вот диаметр аккумулятора (23 мм) на 3 мм превышает диаметр элемента LR10 (20 мм), в связи с чем крышку батарейного отсека тестера ТЛ-4 с этими аккумуляторами закрыть до конца невозможно.
В принципе, с этим можно и смириться, но если в крышке сделать небольшую выемку глубиной около 2 мм с помощью шарообразного абразивного бора диаметром 10 мм (рис. 1) и электродрели, то крышка легко закрывается (рис. 2). На такую доработку уйдёт всего несколько минут. Напряжения двух аккумуляторов достаточно для нормального функционирования тестера. При измерении сопротивления на пределе "x1Ω" (1 Ом) без проблем можно установить стрелку на "0", а это самый критичный к напряжению питания вариант измерений. На других пределах тестер нормально работает даже на "севших" элементах питания.

Рис. 1. Внешний вид устройства с открыткой крышкой

Рис. 2. Внешний вид устройства с закрыткой крышкой
Число циклов зарядка-разрядка этих аккумуляторов - несколько сотен, поэтому они могут служить достаточно долгое время.
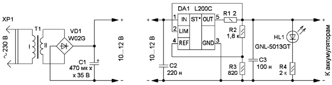
В качестве зарядного устройства могут служить любые специализированные блоки, предназначенные, например, для зарядки аккумуляторов типа АА, однако автор уже достаточно длительное время пользуется собственно изготовленным зарядным устройством, предназначенным для зарядки аккумуляторов различных типов. Схема устройства показана на рис. 3. Оно собрано на достаточно известной и недорогой микросхеме L200C, с помощью которой можно ограничить ток зарядки и выходное напряжение. Конденсаторы C2 и C3 - блокировочные. Максимальный выходной ток Iмакс можно установить подборкой резистора R1: Iмакс = 0,45/R1 = 0,22 А, а максимальное выходное напряжение имакс зависит от отношения сопротивления резисторов R2 и R3, в данном случае Uмакс = 2,73(1+R2/R3) = 8,7 В.

Рис. 3. Схема устройства
Если таким зарядным устройством планируется пользоваться редко, для его питания можно применить сетевой нестабилизированный или лабораторный блок питания с выходным напряжением 10...12 В. В авторском варианте был применён сетевой нестабилизиро-ванный блок питания на трансформаторе Т1, диодном мосте VD1 и сглаживающем конденсаторе С1. Трансформатор может быть любым, рассчитанным на выходное напряжение вторичной обмотки 9 В с максимальным током 0,3...0,5 А. Автор применил малогабаритный тороидальный трансформатор мощностью около 3 Вт размерами 40x10 мм.
Светодиод HL1 включён последовательно с токоограничивающим резистором R4и может индицировать как наличие выходного напряжения зарядного устройства (яркость свечения больше), так и факт подключения к нему двух аккумуляторов, в этом случае его яркость существенно уменьшается, поскольку на них будет падать напряжение не более 2,9 В. Подключив зарядное устройство к сети и затем установив аккумуляторы, можно убедиться в снижении яркости свечения светодиода. Это свидетельствует о том, что зарядка аккумуляторов происходит штатном режиме.
Применены резисторы МЛТ, С2-23, оксидный конденсатор - импортный, остальные - керамические или плёночные, диодный мост W02G можно заменить любым мостом из серии W0xx или отдельными выпрямительными диодами, например, любыми из серии 1N400x. Светодиод можно применить любой маломощный, желательно зелёного свечения.
Все элементы (кроме трансформатора и светодиода) установлены на макетной плате с применением проводного монтажа, которая размещена в корпусе зарядного устройства. Микросхема DA1 установлена на ребристом теплоотводе площадью поверхности около 20 см2.
Для зарядки аккумуляторов типоразмера 4/5SC были применены недорогие держатели BHC-CR123A, которые сравнительно легко приобрести. Они предназначены для элементов и аккумуляторов типоразмера CR123A (16,8x34,5 мм). Для лучшего размещения аккумулятора типоразмера 4/5SC в этом отсеке потребуется удалить по 2...3 мм с боковых стенок, а для более плотного контакта с лепестками отсека надо прижать аккумулятор 4/5SC к отсеку резиновым кольцом (рис. 4). Продолжительность зарядки аккумуляторов определяется их ёмкостью. Например, при ёмкости аккумулятора 1800 мА·ч она составит 1800/220 = 8,18 ч ≈ 9 ч. Продолжительность зарядки аккумуляторов ёмкостью 1200 мА·ч - 6 ч.

Рис. 4. Монтаж прибора
Автор: А. Кузьминов, г. Москва
