Систему аварийного питания светодиодных светильников можно организовать на базе любого распространённого компьютерного источника бесперебойного питания (ИБП), запитав светильники от имеющейся в нём аккумуляторной батареи напряжением 12 В. Постоянная подзарядка батареи при исправной сети 220 В будет обеспечена средствами самого ИБП. Однако во избежание повреждения и преждевременного выхода батареи из строя нагрузку (светильники) желательно подключать к ней через описанные ниже устройства защиты. Эти устройства просты и построены на доступных деталях. Хотя автор выполнил их в виде отдельных конструкций, они вполне могут быть размещены в корпусе многих ИБП.

Рис. 1
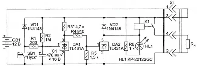
Простейшее устройство, схема которого показана на рис. 1, защищает аккумуляторную батарею от глубокой разрядки. Напряжение батареи GB1, ниже которого выходная цепь параллельного стабилизатора DA1 размыкается, задана подключённым к управляющему входу стабилизатора делителем напряжения из резисторов R1 и R2. При указанных на схеме номиналах резисторов установлен порог около 11,5 В, что предотвращает глубокую разрядку батареи. Её нагрузкой (RH) могут служить любые электроприборы, рассчитанные на питание постоянным напряжением 12 В при потребляемом токе не более 750 мА. Например, светодиодные светильники.
Выключатель, как отдельный элемент, в устройстве не предусмотрен. Цепь его питания замыкается перемычкой между контактами 1 и 3 ответной части разъёма Х1, с помощью которого подключают нагрузку. Если напряжение аккумуляторной батареи выше допустимого минимума, срабатывает реле К1, подключающее своими контактами нагрузку RH. Одновременно включается сигнализирующий об этом светодиод HL1. Как только напряжение батареи упадёт ниже допустимого, в результате чего напряжение между выводами 1 и 2 стабилизатора DA1 станет ниже 2,5 В, цепь обмотки реле разомкнётся, оно отключит нагрузку, а светодиод погаснет.

Рис. 2
Устройство смонтировано на односторонней печатной плате, показанной на рис. 2. Она рассчитана на установку резисторов для поверхностного монтажа, телефонного разъёма TJ5-6P4C и реле WJ102H-1C-12VDC. Размеры платы позволяют установить её в корпус стандартной двухместной телефонной розетки.
Параллельный стабилизатор TL431A можно заменить на TL431C или КР142ЕН19А, но в последнем случае следует применять реле с рабочим током обмотки не более 100 мА. Для стабилизаторов серии TL431 допустим ток до 150 мА.

Рис. 3
Если описанное выше устройство дополнить таймером, как показано на рис. 3, нагрузка (аварийное освещение) станет подключаться лишь на ограниченное время, что позволит экономить энергию аккумуляторной батареи. Таймер выполнен на параллельном стабилизаторе DA1. При включении питания начинается зарядка конденсатора С1 через резистор R2. Пока напряжение на конденсаторе и управляющем входе стабилизатора DA1 не достигнет 2,5 В, выходная цепь этого стабилизатора закрыта. Узел защиты от глубокой разрядки на стабилизаторе DA2 в этот период времени работает точно так же, как было описано выше. Но как только образцовое напряжение стабилизатора DA1 будет превышено, он зашунтирует резисторы R4 и R5. Напряжение на управляющем входе стабилизатора DA2 упадёт ниже образцового и нагрузка от аккумуляторной батареи будет отключена.
Время до автоматического отключения нагрузки зависит от постоянной времени цепи R2C1 и может достигать нескольких минут. В любой момент нажатием на кнопку SB1 можно разрядить конденсатор С1 и этим перезапустить таймер. Диод VD1 предназначен для быстрой разрядки конденсатора после отключения ответной части разъёма Х1.

Рис. 4
На рис. 4 показана печатная плата этого варианта устройства. Применение в качестве DA1 стабилизатора КР142ЕН19А в данном случае крайне нежелательно. Больший по сравнению со стабилизаторами серии TL431 ток управления приведёт к необходимости уменьшения номинала резистора R2, что уменьшит и выдержку таймера.

Рис. 5
Если требуется защитить батарею не только от чрезмерной разрядки, но и от превышения тока нагрузки, схему исходного варианта устройства (см рис. 1) можно дополнить узлом токовой защиты, как показано на рис. 5. Как только падение напряжения на включённом последовательно с нагрузкой резисторе-датчике тока R8 достигнет напряжения открывания транзистора VT1, откроются и транзисторы VT2, VT3, образующие аналог тринистора. При этом упадёт ниже образцового напряжение на управляющем входе стабилизатора DA1, обмотка реле К1 будет обесточена, а нагрузка отключена разомкнувшимися контактами реле.
Благодаря положительной обратной связи, которой охвачены транзисторы аналога тринистора, устройство останется в таком состоянии и после отпускания реле. Чтобы вновь подать на нагрузку напряжение, придётся отстыковать от разъёма Х1 ответную часть и вновь подключить её.

Рис. 6
Печатная плата этого варианта устройства представлена на рис. 6. Резистор R6 для обеспечения нужной рассеиваемой мощности составлен из четырёх соединённых параллельно резисторов по 3 кОм.
Транзисторы ВС847А допустимо заменить любыми этой серии или отечественными серии КТ3130, а ВС857А - любыми серии ВС857 или КТ3129. Транзисторы для поверхностного монтажа можно заменить и обычными серий КТ3102 и КТ3107, но при этом потребуется переделка печатной платы.
Во всех трёх вариантах устройства кроме светодиодов, указанных на схемах типов, можно применять и многие другие.
Стоит отметить, что при питании устройств с номинальным напряжением питания 3...9 В от аккумуляторной батареи напряжением 12 В понижать его до нужного значения следует с помощью импульсного, а не линейного стабилизатора. Значительно больший КПД импульсного стабилизатора обеспечит в аварийных условиях большую продолжительность работы устройства.
Автор: И. Цаплин, г. Краснодар
