В последнее время широкое распространение получили инверторные преобразователи постоянного напряжения 12 В в переменное 230 В с трёхуровневой ступенчатой аппроксимацией полуволн синусоидального напряжения. Их используют в основном для резервного питания бытовой аппаратуры, в том числе критичной к форме питающего напряжения. К сожалению, довольно часто производитель в целях удешевления конструкции использует схемные решения, приносящие ущерб если не подключаемому оборудованию, то самому инвертору.
Одна из часто встречающихся и, главное, недокументированных особенностей инверторов - невозможность их длительного использования в режиме совмещённой работы на нагрузку и зарядки аккумуляторной батареи. То есть подразумевается, что при наличии напряжения сети нагрузка должна быть отключена от инвертора, и он может работать как зарядное устройство, а в отсутствие напряжения сети следует вручную подключить нагрузку и отключить шнур питания от сети, чтобы исключить переход в совмещённый режим при восстановлении сетевого напряжения.
В принципе, такая реализация нормальна для устройств, используемых в полевых условиях, где возможность совмещённого режима практически исключена. Но если предполагается использовать инвертор в качестве автоматического источника резервного питания, это становится рискованным. Автору на практике пришлось столкнуться с повторяющейся типовой неисправностью инверторов различной мощности, возникшей по этой причине. Для предотвращения подобных выходов из строя предлагается использовать простое внешнее устройство. Оно предназначено для работы со свинцово-кислотными автомобильными аккумуляторными батареями и обеспечивает защиту инвертора от перехода в совмещённый режим и необходимую коммутацию силовых цепей, контроль напряжения на аккумуляторной батарее и управление включением зарядного устройства инвертора, а также защиту батареи от глубокой разрядки.
Функционально устройство состоит из двух узлов: один из них (его схема показана на рис. 1) служит для контроля напряжения аккумуляторной батареи, второй (рис. 2) - для контроля напряжения сети и коммутации (нумерация элементов сквозная). Рассмотрим принцип действия первого узла. Его основа - компаратор на ОУ К140УД1А, собранный по классической схеме. Источником образцового напряжения служит стабилитрон VD1. При понижении напряжения питания до порогового значения, установленного подстроечным резистором R2, компаратор переключается в состояние высокого выходного уровня. Через некоторое время, определяемое постоянной времени цепи R10C3 и напряжением пробоя стабилитрона VD3, открывается транзистор VT1 и срабатывает реле K1. Задержка его включения рекомендуется для безопасной коммутации режимов и завершения всех переходных процессов. Светодиод HL1 (красного цвета свечения) индицирует состояние компаратора (включается, когда на выходе последнего появляется высокий уровень). Величину гистерезиса переключения устанавливают изменением сопротивления подстро-ечного резистора R8.

Рис. 1. Схема первого узла устройства

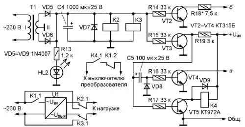
Рис. 2. Схема второго узла устройства
При наличии напряжения сети узел контролирует напряжение аккумуляторной батареи и управляет зарядным устройством инвертора. Нижний порог включения зарядного устройства - 12,2 В при отключённой нагрузке батареи, верхний порог отключения - 13,8 В [1-5].
В отсутствие напряжения сети узел защищает батарею от глубокой разрядки и переводит инвертор в выключенное состояние при напряжении 11,3 В и работе под нагрузкой [1, 3, 6, 7]. Необходимая коррекция нижнего порога обеспечивается изменением сопротивления нижнего плеча делителя R1- R3 с помощью элементов VT2, R18 узла контроля напряжения сети и коммутации.
Этот узел (рис. 2) содержит понижающий трансформатор Т1, четыре электронных ключа на транзисторах VT2-VT5 и три реле K2-K4. В отсутствие напряжения сети реле K2, K3 обесточены, их контакты находятся в положении, показанном на схеме, нагрузка подключена к выходу преобразователя U1. При этом транзистор VT3 закрыт, а VT5, наоборот, открыт (напряжение смещения на его базу поступает с аккумуляторной батареи), поэтому реле K4 включено, и его контакты K4.1 совместно с нормально замкнутыми K1.2 обеспечивают включение преобразователя. Транзистор VT2 также закрыт и влияния на порог переключения компаратора не оказывает. Если напряжение аккумуляторной батареи понизится до 11,3 В, то во избежание глубокой разрядки произойдёт переключение компаратора, транзистор VT1 откроется, в результате чего сработает реле K1 и его контакты К1.2 разомкнутся, выключив инвертор U1. Контакты К1.1 при этом замкнутся, но ввиду отсутствия напряжения сети это не вызовет никаких последствий.
При восстановлении входного напряжения и нормальном напряжении аккумуляторной батареи срабатывают реле K2, K3 и нагрузка переключается на питание от сети. Транзисторы VT3, VT5 изменяют своё состояние на обратное, реле K4 обесточивается и выключает инвертор. Одновременно открывается транзистор VT2, резистор R18 подключается параллельно R3 (см. рис. 1), что обеспечивает коррекцию нижнего порога до 12,2 В. Если напряжение батареи выше этого значения, ничего больше не произойдёт, а если ниже, то переключение компаратора вызовет срабатывание реле K1 и включение режима зарядки батареи замкнувшимися контактами K1.1.
Закрывание транзистора VT3 в момент пропадания сетевого напряжения сопровождается кратковременным открыванием транзистора VT4 (на время зарядки конденсатора C5 через его эмиттерный переход и резисторы R16, R19). Открытый транзистор шунтирует стабилитрон VD1, компаратор переходит в состояние с низким уровнем выходного напряжения независимо от напряжения батареи, и происходит принудительное включение преобразователя. Это является необходимым, поскольку в момент пропадания напряжения сети устройство может находиться в режиме зарядки, напряжение батареи будет явно выше порога переключения компаратора и понадобится его сброс в исходное состояние. Дальнейшая работа устройства зависит от уровня зарядки батареи в соответствии с описанным принципом работы. Диод VD8 служит для быстрой разрядки конденсатора C5 при восстановлении сетевого напряжения. Светодиод HL2 (зелёного цвета свечения) - индикатор наличия напряжения сети.
По свечению светодиодов HL1 и HL2 можно судить о режиме работы устройства и инвертора. Так, если светится HL1, то это означает, что напряжение в сети отсутствует, инвертор отключён, а напряжение батареи ниже 11,3 В. Свечение светодиода HL2 свидетельствует о наличии напряжения сети и полной зарядке батареи. Наконец, одновременное свечение обоих индикаторов говорит о том, что напряжение в сети есть и идёт зарядка аккумуляторной батареи.
В устройстве применимы малогабаритные постоянные резисторы любого типа указанной на схемах мощности рассеяния. Подстроечные резисторы - желательно многооборотные (с червячным приводом движка). Полярные конденсаторы - оксидные К50-83, К50-16 близкой ёмкости или аналогичные импортные, C2 - любой керамический малогабаритный, например, К10-73-1б, К10-17в. Вместо К140УД1А в качестве компаратора могут быть применены другие ОУ серии К(Р)140УД1 или любой ОУ с аналогичными параметрами, допустимым напряжением питания 12 В ± 5 % и соответствующими цепями коррекции. Транзисторы VT2-VT4 заменимы любыми аналогами с параметрами не хуже, чем у применённых автором (например, отечественными серии КТ3102 или импортными BC547 с любым буквенным индексом). Вместо КТ972А можно установить другие транзисторы этой серии или применить составные транзисторы из соединённых соответствующим образом обычных маломощного и мощного транзисторов (например, серий КТ315 и КТ817).
Стабилитрон VD1 - с напряжением стабилизации 5...6 В при токе стабилизации 5 мА, VD2 - 11 В, с возможно меньшим минимальным током и максимальным током стабилизации не менее 12 мА, VD3 - 3...3,6 В. Вместо КС211Ж (VD2) можно применить КС211Е или любой из КС211Г, КС211Д (во втором случае R9 следует заменить резистором сопротивлением 160 Ом и мощностью рассения 0,25 Вт). Реле K1 - K4 - OMRON G2RL112DC или аналогичные для печатного монтажа с номинальным напряжением обмотки 12 В, рассчитанные на коммутацию напряжения 240 В при токе не менее 5 А (от допустимого тока зависит максимальная мощность нагрузки).
Трансформатор Т1 - понижающий с вторичной обмоткой 2x9 В при токе от 100 мА. Светодиоды HL1 и HL2 - соответственно АЛ307БМ и АЛ307ВМ, АЛ307ГМ или сверхъяркие, например, CREE C503-GC (HL1) и C503-RC (HL2).
Устройство собрано в пластмассовом корпусе исполнения IP65 или IP67 с внутренними размерами 110x110x82 мм. Расположение плат и выносных элементов внутри корпуса показано на рис. 3. Контакты реле К1.2, К4.1 включают в разрыв провода выключателя питания инвертора. При монтаже силовых цепей необходимо соблюдать правила электробезопасности.

Рис. 3. Расположение плат и выносных элементов
Налаживание состоит в установке порогов переключения компаратора с помощью подстроечных резисторов R2 и R8, а также при возможном подборе резистора R18. Во время налаживания узел компаратора рекомендуется питать от внешнего регулируемого источника. Соединив перемычкой выводы коллектора и эмиттера транзистора VT2, сначала с помощью резистора R2 устанавливают нижний порог 12,2 В, затем с помощью R8 - верхний 13,8 В. Путём последовательных приближений добиваются чёткого срабатывания компаратора при указанных значениях напряжения. После этого, убрав перемычку с выводов VT2, проверяют смещение нижнего порога до уровня 11,3 В. При необходимости подбирают резистор R18, временно заменив его подстроечным резистором сопротивлением 6,8...10 кОм. На этом налаживание можно считать законченным.
Литература
1. Герметизированные свинцово-кислотные аккумуляторы. - URL: http://www.powerinfo. ru/accumulator-pb. php (26.09.16).
2. Автомобильные кислотные аккумуляторы. - URL: http:// www.qrz. ru/schemes/ contribute/digest/avto20.shtml (26.09.16).
3. Как зарядить аккумулятор автомобиля. Рекомендации по эксплуатации и выбору. - URL: http://ydoma.info/avtomobil-kak-zaryadit-akkumulyator.html (26.09.16).
4. Особенности зарядки автомобильных аккумуляторов. - URL: http:// sevbat.com/consulting/1 / (26.09.16).
5. Как проверить аккумулятор. - URL: http://al-vo.ru/o-zhizni/kak-proverit-akkumulyator.html (26.09.16).
6. Свинцово-кислотный аккумулятор. - URL: https://ru.wikipedia.org/wiki/ Свинцово-кислотный_аккумулятор (26.09.16).
7. Напряжение заряженного автомобильного аккумулятора. - URL: http://autogrep. ru/review/212.html (26.09.16).
Автор: Д. Панкратьев, г. Ташкент, Узбекистан
