Одна из распространённых неисправностей различной радиоаппаратуры - выход из строя сетевого блока питания (БП). Не исключением являются и ресиверы (приставки к телевизору) для приёма цифрового телевизионного вещания. Как правило, такие приставки имеют встроенный импульсный БП или комплектуются аналогичным внешним БП. В моём ресивере Digifors HD 50 вышел из строя встроенный сетевой БП, а отремонтировать его не получилось. К счастью, остальные узлы приставки работали нормально. Напряжение питания узлов этой приставки - 5 В, потребляемый ток - 0,8...0,9 А, причём напряжение должно быть стабильным и иметь малые пульсации. Поэтому было решено применить внешний стабилизированный БП.
Первое решение, которое кажется очевидным, - применить ЗУ от сотового телефона, однако большинство таких ЗУ не обеспечивают требуемого тока или будут работать на пределе, что снижает надёжность их работы. Даже соединительный провод от ЗУ применять нежелательно, поскольку на нём будет падать существенная часть питающего напряжения.
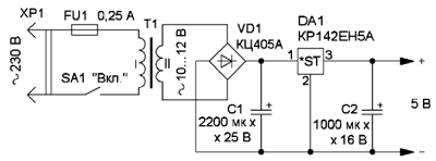
Поэтому было решено изготовить трансформаторный блок питания с линейным стабилизатором напряжения на интегральной микросхеме. Поскольку ресивер стационарный, габариты и масса внешнего БП не имеют существенного значения. Схема БП показана на рис. 1, которую можно считать традиционной. Переменное напряжение вторичной обмотки трансформатора Т1 выпрямляет диодный мост VD1, пульсации сглаживает конденсатор С1. Выходное напряжение 5 В стабилизирует микросхема DA1.

Рис. 1. Схема блока питания
В выпрямителе можно применить диодный мост с допустимым током не менее 1 А и обратным напряжением 50 В или отдельные диоды, например, распространённые серии 1 N400х. Конденсаторы - К50-35 или импортные, аналог микросхемы КР142ЕН5А - микросхема 7805. Трансформатор должен быть мощностью не менее 15 Вт с выходным напряжением вторичной обмотки 10...12 В при токе 1 А. Выключатель - любой, рассчитанный на работу в сети 230 В.
Все элементы БП установлены на алюминиевой пластине (лучше ребристой с одной стороны) с помощью клея или винтов с применением проводного монтажа (рис. 2). Эта пластина использована и в качестве теплоотвода. БП можно разместить в пластмассовом корпусе подходящего размера, установив на нём выключатель питания. Выход БП с помощью двухпроводного кабеля сечением не менее 1 мм2 подключён к выходному конденсатору (с соблюдением полярности) штатного БП приставки (рис. 3). На рис. 2 этот конденсатор обведён жёлтой линией. Предварительно, конечно, надо проверить, исправен ли он. Выпрямительный диод (обведён линией красного цвета) штатного БП приставки желательно "на всякий случай" демонтировать с платы. Кроме того, при желании все элементы штатного БП приставки можно также удалить.

Рис. 2. Элементы БП на плате

Рис. 3. Подключение выхода БП к выходному конденсатору
Вот уже около года ресивер Digifors HD 50 работает с самодельным БП. При эксплуатации отказов и замечаний не было.
Автор: А. Екимов, с. Омутинское Тюменской обл.
