В связи с внедрением разных форм кабельного или интернет-телевидения внешние телевизионные антенны со встроенными усилителями часто становятся неактуальными. По этой причине оказываются невостребованными блоки питания (БП) таких усилителей. Как правило, такие Бп выполнены в малогабаритном корпусе формфактора "активная сетевая вилка" и обеспечивают выходное стабилизированное напряжение 12 В при токе нагрузки до 50...100 мА. Из-за относительно малого выходного тока и относительно большого выходного напряжения такие БП зачастую непригодны для питания низковольтных устройств. Если по разным причинам перемотать вторичную обмотку понижающего трансформатора затруднительно или невозможно, взамен линейного стабилизатора напряжения в такой БП можно установить импульсный понижающий преобразователь напряжения, входной ток которого будет в несколько раз меньше выходного.
Такой доработке подвергся БП "Zolan", содержащий понижающий трансформатор, выпрямительный мост на диодах 1 N4148, конденсатор фильтра выпрямленного напряжения (100 мкФ, 25 В), интегральный стабилизатор напряжения 78L12 и керамический конденсатор ёмкостью 0,01 мкФ. Схема модернизированного БП показана на рис. 1. Импульсный стабилизатор напряжения собран на интегральной микросхеме L4978 в корпусе DIP8. Она рассчитана на входное напряжение 8...55 В, выходное стабилизированное напряжение 3,3...50 В, на ток нагрузки до 2 А, максимальная рассеиваемая мощность - 1 Вт. От аналогичных импульсных стабилизаторов, например, популярных MC33063 и MC34063, микросхема L4978 отличается большей надёжностью и меньшим напряжением насыщения переключающего транзистора, поскольку в его качестве применён полевой транзистор вместо составного биполярного.

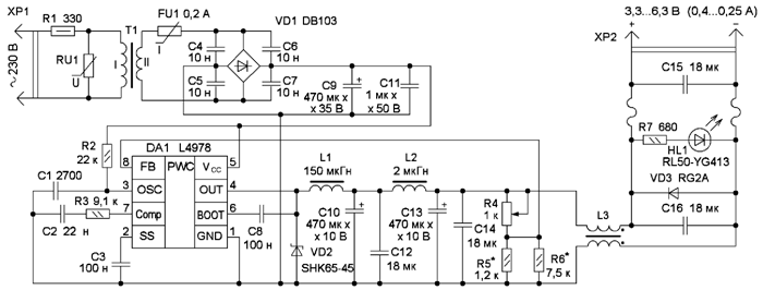
Рис. 1. Схема модернизированного БП
Напряжение сети 230 В поступает на первичную обмотку понижающего трансформатора T1 через предохранительный резистор R1. Варистор RU1 защищает трансформатор от повышенного напряжения. Со вторичной обмотки трансформатора напряжение около 19 В переменного тока через самовосстанавливающийся предохранитель FU1 поступает на мостовой диодный выпрямитель на диодной сборке VD1. Конденсатор C9 сглаживает пульсации выпрямленного напряжения. Частота работы преобразователя DA1 - около 70 кГц и зависит от ёмкости конденсатора C1 и сопротивления резистора R2. Конденсатор C8 - элемент вольтодобавки, дроссель L1 - накопительный. Выходное напряжение поступает на нагрузку через LC-фильтры C10C12L2C13C14 и L3C16. Выходное напряжение от 3,3 до 6,3 В регулируют переменным резистором R4. Чем меньше его сопротивление, тем меньше выходное напряжение.
Светодиод HL1 индицирует наличие выходного напряжения. Диод VD3 обеспечивает дополнительную защиту стабилизатора, например, при подключении к выходу БП заряженного конденсатора большой ёмкости или аккумуляторной батареи в обратной полярности. Стабилизатор при входном напряжении 15 В, выходном 6,2 В и токе нагрузки 0,25 А потребляет ток 0,11 А. Притоке нагрузки 0,5 А потребляемый стабилизатором ток - 0,22 А, а при токе нагрузки 1 А стабилизатор потребляет от выпрямителя ток 0,45 А.
Во всех этих режимах заметного нагрева микросхемы DA1 нет. Ток, потребляемый самим стабилизатором, - 7 мА. Максимальное выходное напряжение БП устанавливают подборкой резисторов R5 и R6.
Большинство деталей стабилизатора установлены на плате размерами 31x42 мм, рис. 2, монтаж - двухсторонний навесной. Переменный резистор - СП3-4а, СП3-9а или другой малогабаритный с линейной характеристикой. Если его корпус металлический, его соединяют с минусовой линией питания вблизи конденсатора C16. Провода, идущие к переменному резистору, должны быть свиты вместе и быть как можно короче. Резистор R1 - невозгораемый, он установлен в нише выступающей части сетевой вилки. Остальные резисторы - любые малогабаритные. Дисковый варистор RU1 (VDR10D471K) помещён в термоусаживаемую трубку и припаян к выводам трансформатора. Можно применить варисторы MYG-10K471, FNR-10K471, GNR20D471K, LF10K471U, TVR10471. Оксидные конденсаторы - малогабаритные импортные. Конденсатор C9 приклеен клеем к трансформатору, желательно, чтобы этот конденсатор был рассчитан на температуру 105 оС. Неполярные конденсаторы - керамические или плёночные. Конденсаторы C4-C7 припаяны к выводам диодного моста, они должны быть на номинальное напряжение не менее 50 В, конденсатор C16 припаян к выводам диода VD3, конденсатор С15 установлен в штекере XP2.

Рис. 2. Детали стабилизатора на плате
Диодный мост DB103 приклеен к трансформатору. Можно применить диодные мосты серий DB10х RB15х, SDB10х, 2KBP0хM. Замена диода SHK65-45 - диоды Шоттки SR506, SR306, SR360, SB56. Диод RG2A можно заменить любым из серий FR30х, PR300х или диодом EGP20, КД226, КД257, КД258. Светодиод RL50-YG413 (зелёного свечения, диаметр корпуса - 5 мм) можно заменить любым общего применения непрерывного свечения без встроенных резисторов, желательно с возможно меньшим номинальным напряжением, например RL511-DR343.
Дроссель L1 (от кинескопного компьютерного монитора) намотан на ферритовом H-образном магнитопроводе внешним диаметром 12 мм и высотой 15 мм, обмоточный провод - многожильный с общим сечением по меди около 0,5 мм2. От этого дросселя отмотано несколько витков, чтобы индуктивность получилась около 150 мкГн. Если на магнитопроводе дросселя закреплены постоянные магниты, их обязательно нужно удалить. Дроссель L2 - аналогичный меньшего размера индуктивностью до 15 мкГн: чем меньше сопротивление обмотки, тем лучше. Дроссель L3 намотан сложенным вдвое многожильным монтажным проводом общим сечением 0,5 мм2 на магнитопроводе от трансформатора из электронного балласта КЛЛ и содержит три витка.
С применённым трансформатором с габаритной мощностью около 2 Вт БП при напряжении сети 210 В обеспечивает на выходе ток около 0,4 А при выходном напряжении 3,5 В, 0,3 А - при выходном напряжении 5 В и около 0,25 А - при выходном напряжении 6,3 В.
Для конструкции подойдёт БП от антенного усилителя, у которого при открытом корпусе спустя два часа работы в режиме холостого хода температура магнитопровода трансформатора не превышает 20 оС относительно окружающей среды. Для самостоятельного изготовления БП можно применить унифицированный трансформатор ТП2-15В или ТП2-18В. Если использовать трансформатор ТП112-11, выходная мощность блока питания будет в 2...3 раза больше, в этом случае на место конденсатора C9 устанавливают конденсатор ёмкостью 2200 мкФ, а резистор R1 должен быть сопротивлением 47...68 Ом. Предохранитель FU1 - полимерный самовосстанавлива-ющийся неизвестного типа от DVB-T2 телевизионной приставки. Если в наличии не будет такого предохранителя на ток 0,15...0,2 А и сопротивление при комнатной температуре менее 3 Ом (для трансформатора с габаритной мощностью до 2 Вт), то этот предохранитель не устанавливают. Вид на компоновку узлов в корпусе БП показан на рис. 3.

Рис. 3. Вид на компоновку узлов в корпусе БП

Рис. 4. Внешний вид БП
У БП при токе нагрузки 0,3 А и выходном напряжении 5 В амплитуда пульсаций не превышает 30 мВ. Он проверялся на электромагнитную совместимость с УКВ-радиоприёмни-ком с низкой ПЧ. Какого-либо негативного влияния не зафиксировано, даже если телескопическую антенну положить на корпус блока питания. Радиоприёмник, работающий в диапазоне ДВ, "чувствует" БП при приближении его магнитной антенны на расстояние менее 25 см. Во всех случаях радиоприёмники питались от этого БП. В корпусе БП просверлено около 70 вентиляционных отверстий диаметром 2,3 мм, его внешний вид показан на рис. 4. Бп потребляет от сети мощность 0,4 Вт в режиме холостого хода и около 3,9 Вт при максимальной выходной мощности.
Автор: А. Бутов, с. Курба Ярославской обл.
