Микросхема TL494 реализует функционал ШИМ-контроллера и потому очень часто используется для построения импульсных двухтактных блоков питания (именно эта микросхема чаще всех встречается в компьютерных блоках питания).
Импульсные блоки питания выгодно отличаются от трансформаторных повышенным КПД, уменьшенным весом и габаритами, стабильностью выходных параметров. Однако, при этом они являются источниками ВЧ-помех и предъявляют особые требования к минимальной нагрузке (без нее БП может не запуститься).
Структурная схема TL494 выглядит следующим образом.

Рис. 1. Блок-схема TL494
Назначение выводов TL494 в привязке к корпусу выглядит так.

Рис. 2. Назначение выводов TL494
Внешний вид в корпусе ДИП.

Рис. 3. Внешний вид в корпусе ДИП
Могут быть и другие исполнения.
В качестве современных аналогов можно рассматривать:
1.Улучшенные версии исходного чипа - TL594 и TL598 (оптимизирована точность и добавлен повторитель на входе соответственно);
2.Прямые аналоги российского производства - К1006ЕУ4, КР1114ЕУ4.
Итак, как видно из изложенного выше, микросхема до сих пор не устарела и может активно использоваться в современных блоках питания как узловой элемент.
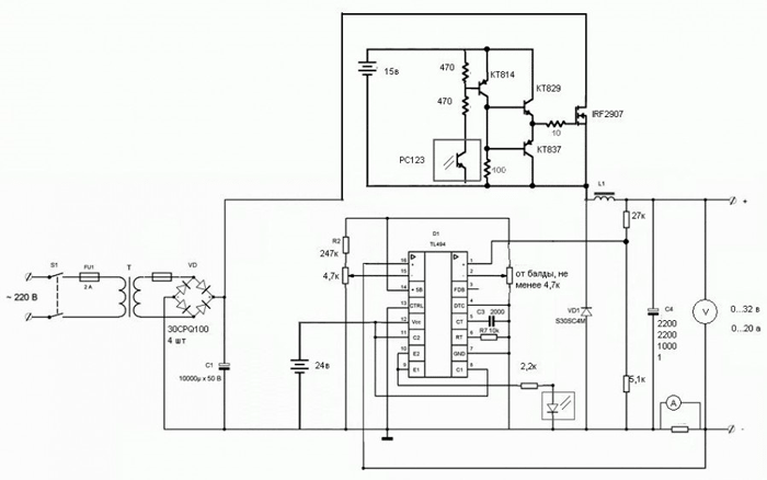
Один из вариантов импульсного блока питания на TL494
Схема БП ниже.
Рис. 4. Схема БП
Здесь за выравнивание тока отвечают два полевых транзистора (обязательно крепятся на теплоотвод). Они должны питаться от отдельного источника постоянного тока. Подойдет, например, модульный преобразователь DC-DC, такой как TEN 12-2413 или аналог.
С выходных обмоток трансформатора (можно объединять несколько) должно поступать около 34 В.
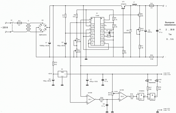
Второй вариант БП
Рис. 5. Второй вариант БП
Эта схема реализует БП с регулируемым выходным напряжением (до 30В) и порогом по силе тока (до 5А).
В качестве гальванической развязки выступает понижающий трансформатор. На выходе вторичной обмотки (или набора соединенных вторичных обмоток) должно быть около 40В.
L1 – тороидальный дроссель. VD1 – диод Шоттки, устанавливается на радиатор, так как он задействован в схеме выпрямления.
Пары резисторов R9 и 10, а также R3 и 4, используются для подстройки "грубо-точно" напряжения и силы тока соответственно.
На радиатор помимо диода VD1 следует вынести:
1.Диодный мост (подойдет, например, KBPC 3510);
2.Транзистор (в схеме использовался КТ827А, можно аналоги);
3.Шунт (на схеме обозначен R12);
4.Дроссель (катушка L1).
Теплоотвод лучше всего обдувать принудительно с помощью вентилятора (например, 12 см кулер от ПК).
Индикаторы силы тока и напряжения могут быть цифровыми (лучше всего взять готовые) или аналоговыми (потребуется калибровка шкалы).
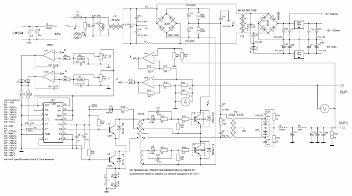
Третий вариант
Схема.
Рис. 6. Третий вариант БП
Вариант конечной реализации.


Рис. 7. Внешний вид устройства
Ввиду того, что TL494 имеет малую мощность встроенных ключевых элементов, в помощь для управления основным трансформатором TR2, были задействованы транзисторы T3 и 4, они в свою очередь питаются от управляющего трансформатора TR1 (а он управляется транзисторами T1 и 2). Получается своего рода двойной каскад управления.
Дроссель L5 мотался вручную на желтом кольце (50 витков медным проводом 1,5 мм).
Самые нагревающиеся элементы – транзисторы T3 и 4, а также диод D15. Они должны монтироваться на теплоотводы (желательно с обдувом).
Дроссель L2 используется в схеме для гашения ВЧ-помех в бытовой сети.
Ввиду того, что TL494 не умеет работать на высоких напряжениях, для ее питания применяется отдельный трансформатор (Tr3 – это BV EI 382 1189, на выходе которого 9 В, 500 мА).
При таком количестве элементов схема в сборе легко помещается в корпус Z4A, правда, последний необходимо немного доработать для обеспечения обдува (вентилятор ставится сверху).
Полный перечень элементов приведен ниже.
БП подключается к сети переменного тока и обеспечивает питание постоянным напряжением в диапазоне 0-30В и силой тока более 15А. Ограничение тока и напряжения удобно регулируется.




Автор: RadioRadar



