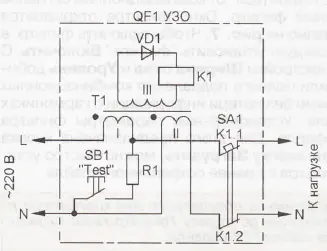
Устройство защитного отключения (УЗО) выполняет функции защиты человека от поражения электрическим током и электропроводки от возгорания. Упрощённая схема УЗО и подключение к нему нагрузки показаны на рис. 1. Принцип действия УЗО основан на сравнении тока в проводах "фаза" (L) и "ноль" (N). УЗО содержит трансформатор тока Т1 с двумя первичными обмотками I и II, одной вторичной обмоткой III, а также диод VD1, реле К1 с двумя размыкающими контактами К1.1 и К1.2, совмещёнными с механическим выключателем SA1. Также УЗО содержит элементы, используемые для проверки его исправности: кнопку SB1 "Test" и резистор R1. В нормальных условиях разность тока в проводах L и N равна нулю. В случае утечки тока, например, на "землю", эта разность тока становится отличной от нуля. Если она превышает порог, напряжение на обмотке реле К1 становится достаточным для его срабатывания, в результате чего контакты К1.1 и К1.2 размыкаются и отключают нагрузку от сети. Включить нагрузку после этого можно только выключателем SA1, механически связанным с контактами реле. Им же можно отключить нагрузку вручную.

Рис. 1
Исправность УЗО проверяют нажатием на кнопку SB1, в результате чего через резистор R1 и обмотку I трансформатора Т1 искусственно создаётся разностный ток, достаточный для срабатывания реле К1 и отключения нагрузки. Если при нажатии на кнопку SB1 "Test" УЗО не срабатывает, это свидетельствует о его неисправности и необходимости его замены.
УЗО характеризуется двумя параметрами тока, например, УЗО 25 А, 30 мА. Большее значение - максимальный ток нагрузки, меньшее - номинальный разностный ток срабатывания, часто для краткости называемый током утечки.
Подробные сведения об УЗО и области их применения приведены в книге "УЗО - устройство защитного отключения." Учебно-справочное пособие. - М: ЗАО "Энергосервис", 2003, а также на сайте www.ycT-ройство-защитного-отключе-ния.рф Внешний вид УЗО показан на рис. 2.

Рис. 2
Принудительное срабатывание УЗО возможно путём искусственного создания достаточного тока утечки, что позволяет использовать УЗО как дистанционный выключатель, добавив кнопку SB1 и резистор R1, показанные на рис. 3. Применено УЗО F372 фирмы ABB с указанными выше параметрами. Для него сопротивление резистора R1 должно быть не более 220 В/30 мА = 7,3 кОм. Оно выбрано равным 5,6 кОм, чтобы при уменьшении напряжения сети до 170 В через него протекал ток, гарантирующий отключение. Резистор R1 выбран из серии МЛТ с номинальной мощностью 2 Вт. За время до отключения (десятки миллисекунд) он не успевает нагреться.
Монтаж дистанционного выключателя не вызывает затруднений: кнопка SB1 применена от электрического звонка на напряжение 220 В. Она расположена в удобном месте и соединена с другими элементами хорошо изолированным проводом. Сечение провода не имеет значения, так как ток через кнопку течёт небольшой и кратковременно. Резистор R1 может быть установлен как рядом с УЗО, так и в розетке для подключения нагрузки или даже в корпусе кнопки SB1 при наличии в нём достаточного места.

Рис. 3
Аналогично дистанционный выключатель может использоваться для отключения нагрузки от трёхфазной сети, если нагрузка подключена через трёхфазное УЗО.
Если вместо кнопки SB1 использовать нормально разомкнутые контакты датчика аварийного режима, возникающего при эксплуатации объекта и при котором необходимо отключить электропитание, то дистанционный выключатель справится и с этой задачей.
Примером может служить отключение насоса водокачки при заполнении водой накопительной ёмкости и использовании в качестве датчика поплавкового выключателя.
Автор: Б. Попов, г. Москва
