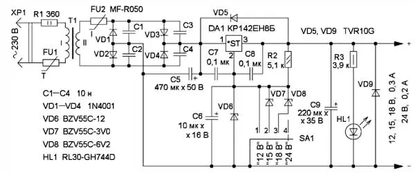
Предлагаемый вниманию читателей блок питания предназначен для питания устройств, требующих относительно большого напряжения (12...24 В) и небольшого тока (не более 0,2...0,3 А). На рис. 1 показана схема блока питания с выходным фиксированным напряжением 12, 15 и 18 В при токе нагрузки до 0,3 А или 24 В при токе нагрузки до 0,2 А. Устройство изготовлено на базе так называемого сетевого адаптера модели SH-DC24V400 (предположительно ЗУ шуруповёрта), который обеспечивал выходное нестабили-зированное напряжение 24 В при токе нагрузки до 0,4 А. В состав адаптера входят трансформатор T1, мостовой выпрямитель на диодах VD1-VD4 и предохранитель FU1. Чтобы расширить область применения этого устройства, оно было усовершенствовано.

Рис. 1. Cхема блока питания с выходным фиксированным напряжением 12, 15 и 18 В
Напряжение сети переменного тока 230 В поступает на первичную обмотку понижающего трансформатора T1 через токоограничивающий резистор R1 и встроенный в трансформатор термопредохранитель FU1. Этот предохранитель срабатывает как при высокой температуре, так и при повышенном токе в цепи первичной обмотки. Резистор R1 - защитный, он снижает вероятность повреждения первичной обмотки трансформатора. Со вторичной обмотки переменное напряжение около 24 В через полимерный самовосстанавливающийся предохранитель FU2 поступает на мостовой диодный выпрямитель VD1-VD4. Конденсатор C5 сглаживает пульсации выпрямленного напряжения, которое поступает на вход интегрального стабилизатора напряжения DA1. Значение выходного напряжения (12, 15, 18 или 24 В) зависит от положения переключателя SA1. При выходном токе более 0,2 А напряжения на выходе выпрямителя недостаточно для нормальной работы микросхемы КР142ЕН8Б (DA1), в результате появятся сильные пульсации выходного напряжения. Диоды VD5 и VD9 защищают интегральный стабилизатор от повреждения при подключении к выходу БП, например, заряженного конденсатора или аккумуляторной батареи. Светодиод HL1 сигнализирует о наличии напряжения на выходе БП.
Все детали размещены в пластмассовом корпусе (70x50x40 мм) адаптера. Для лучшего охлаждения в стенках просверлены около 60 отверстий диаметром 3 мм. Поскольку большую часть объёма занимает трансформатор, для монтажа деталей пришлось использовать объёмный монтаж. Был использован мостовой выпрямитель на печатной плате размерами 15x30 мм (рис. 2) из комплекта исходного устройства. На эту плату дополнительно установлены конденсаторы С1-С4 и предохранитель FU2. Остальные детали, кроме микросхемы и входных и выходных разъёмов, приклеены к корпусу устройства (рис. 3). Контактные штыри для подключения устройства к сетевой розетке были срезаны, к сети БП подключается с помощью шнура и сетевой вилки.

Рис. 2. Мостовой выпрямитель на печатной плате размерами

Рис. 3. Корпус устройства
Резистор R1 - импортный невозгораемый, он помещён в термоусаживаемую трубку. При отсутствии нагрузки на этом резисторе рассеивается мощность около 0,26 Вт. Остальные резисторы - общего применения соответствующей мощности, например, РПМ, МЛТ, С1-4, С2-14, С2-33. Неполярные конденсаторы C1-C4, C7, С8 - малогабаритные керамические или плёночные на номинальное напряжение не менее 50 В. Конденсаторы C7 и C8 припаивают непосредственно к соответствующим выводам микросхемы DA1. Оксидные конденсаторы - малогабаритные импортные. Взамен диодов TVR10G подойдут любые из серий 1N4001 - 1N4007, UF4001-UF4007, 1N4933GP-1N4937GP, 1N5391 - 1N5399, КД243, КД247, КД258. Этими же диодами можно заменить диоды 1N4001 в выпрямительном мосте. Вместо стабилитрона BZV55C-3V0 подойдут TZMC-3V0, MMSZ5225BT1. Стабилитрон BZV55C-6V2 можно заменить стабилитронами TZMC-6V2, BZV85-C6V2, 1N4735A, MZD6.2, а BZV55C-12 - стабилитронами BZV85-C12, TZMC-12, 1N4742A, MZD12, Д814Д1, 2С212В. Стабилитроны установлены непосредственно на выводах переключателя SA1. Переключатель SA1 - малогабаритный импортный на четыре положения, для него в корпусе сделано прямоугольное окно. Свободные группы контактов соединены параллельно. При монтаже следите за тем, чтобы внутрь переключателя не попал клей или флюс.
Вместо отечественной микросхемы КР142ЕН8Б можно применить любую импортную в корпусе TO-220 из серий 7812, 78М12, например, L7812CV, L7812CP, MC7812T, KA7812, AN7812. Можно применить и регулируемый интегральный стабилизатор, например, LM317T, LM117HV, LM317HVT, используя соответствующую схему включения. Микросхема установлена на дюралюминиевый ребристый теплоотвод с площадью охлаждающей поверхности 48 см2, который закреплён на нижней стенке снаружи корпуса. Теплоотводящий фланец микросхемы не должен иметь электрического контакта с теплоотводом. Самовосстанавливающийся предохранитель MF-R050 можно заменить аналогичным - LP60-050. Чем больше температура внутри корпуса БП, тем при меньшем токе он будет срабатывать. Это уменьшает вероятность повреждения устройства из-за перегрева. Свето-диод RL30-GH744D зелёного цвета свечения можно заменить любым общего применения, например, из серий КИПД66, КИПД40. Понижающий трансформатор имеет Ш-образный магнитопровод, габаритная мощность - около 10 Вт, сопротивление первичной обмотки - 452 Ом, вторичной - около 4 Ом. Вместо такого трансформатора подойдёт унифицированный трансформатор ТП-114-9. Для самостоятельного изготовления понижающего трансформатора подойдёт Ш-образный магнитопровод с площадью центрального керна 4,2 см2. Первичную обмотку наматывают обмоточным проводом диаметром 0,13 мм (2800 витков). Вторичную - проводом диаметром 0,39 мм (315 витков). Пластины маг-нитопровода собирают вперекрышку.

Рис. 4. Внешний вид устройства
При отсутствии нагрузки и напряжении сети 235 В блок питания потребляет ток около 22 мА. При мощности, рассеиваемой микросхемой более 2 Вт, корпус БП желательно располагать так, чтобы теплоотвод был сбоку или сверху относительно корпуса устройства, что улучшит его охлаждение и уменьшит температуру внутри корпуса блока питания. Внешний вид устройства показан на рис. 4, его масса - около 400 г.
Автор: А. Бутов, с. Курба Ярославской обл.
