Первый источник образцового напряжения (ИОН) на биполярных транзисторах был разработан легендарным Бобом Видларом в 1960-х годах для цепей смещения в операционных усилителях для улучшения термостабильности токозадающих цепей. Это было одно из самых его гениальных изобретений, которое и по сей день используется почти в каждой аналоговой микросхеме.
Вниманию читателей предлагается описание разработанного мной параллельного стабилизатора напряжения, который компенсирует температурные коэффициенты (ТК) напряжения база-эмиттер транзисторов и резисторов вне зависимости от их степени точности. Этот стабилизатор может выполнять функцию ИОН. Единственное условие - все элементы должны были находиться при одинаковой температуре. Даже небольшой перепад температуры приводит к появлению погрешности 0,1 В.
Для выполнения этого условия я срезал тонкий слой с текстолита вместе с медной фольгой и приклеил его к толстой медной подложке, что дало хорошее тепловое распределение по плате. Промежуточная макетная плата, на которой проводились эксперименты, показана на рис. 1.

Рис. 1. Промежуточная макетная плата

Рис. 2. Схема источника образцового напряжения
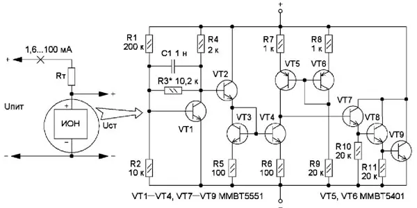
Схема ИОН показана на рис. 2, он представляет собой параллельный термокомпенсированный стабилизатор напряжения, которому обязательно нужен токоограничивающий резистор. Устройство содержит два токовых зеркала, одно - на транзисторах VT3, VT4, второе - на транзисторах VT5, VT6, эмит-терный повторитель VT2, термокомпенсирующий транзистор VT1 и составной транзистор VT7-VT9. Токовое зеркало на транзисторах VT5, VT6 и токозадающем резисторе R9 формирует ток, который прямо пропорционален температуре этих транзисторов и напряжению UCT. "Сердцем" ИОН служит усилитель на транзисторе VT1, который формирует компенсационный сигнал с таким ТК, чтобы скомпенсировать все ТК транзисторов и резисторов. Кроме того, через транзистор VT2 он управляет токовым зеркалом на транзисторах VT3 и VT4, чтобы обеспечить стабильность по напряжению.
Два токовых зеркала имеют очень большой коэффициент усиления, что делает температурные коэффициенты транзисторов VT7-VT9 не принципиальными для работы ИОН.
Рассмотрим подробнее работу устройства. Ток коллектора транзистора VT1 составляет 1...2 мА, а коэффициент усиления каскада на этом транзисторе, за счёт отрицательной обратной связи через резистор R3, - чуть более двух. Напряжение на базе транзистора VT2 при комнатной температуре UбVT2 = UбэVT3 + UбэVT2 + UR5 ≈ 1,2 В + UR5, а напряжение на коллекто ре транзистора VT1 с учётом тока коллектора и резистора обратной связи UкVT1 ≈ 1,22 В, что формирует ток через токовое зеркало VT3VT4 около 0,15 мА. Сумма ТК транзисторов VT2-VT4 равна примерно удвоенному ТК эмиттерного перехода одного транзистора, а падение напряжения - удвоенному падению напряжения на одном переходе транзистора. Транзистор VT1 на своём коллекторе формирует сигнал с таким ТК, который компенсирует ТК всех транзисторов и резисторов ИОН. Так работает термокомпенсация. Лучшие результаты получаются при подборе резистора R3 с шагом ±10 Ом.
Термостабильность выходного напряжения этого ИОН получилась довольно неплохая. При изменении температуры от 20 до 100 ºС (при моём не очень квалифицированном налаживании) напряжение Uст меняется на 0,005 В при напряжении на выходе 4,3 В, что составляет около 15 ррm/ºС.
Настройка термокомпенсации производится подборкой резистора R3, начиная от 10 кОм, - это минимальное значение сопротивления. К выходу ИОН подключают вольтметр. Производят нагрев подложки и помещают ИОН в теплоизолирующее место, например, между двумя отрезками подложки толщиной 10 мм для ламината или другого теплоизолирующего материала. После того как вся плата избавилась от температурных градиентов и выходное напряжение перестанет изменяться, записывают показания вольтметра. Если напряжение при нагревании увеличилось, то нужно увеличить сопротивление резистора R3 (при этом напряжение ИОН будет увеличиваться), а если напряжение уменьшилось, то сопротивление этого резистора нужно уменьшать (при этом напряжение ИОН будет уменьшаться). На плате резистор R3 составлен из трёх последовательно включённых резисторов, что позволяет получить точную подборку. Через резистор R1 в базу транзистора VT1 поступает ток, который зависит от напряжения Uст на самом ИОН. Допустим, напряжение Uст увеличивается, это приведёт к уменьшению напряжения на коллекторе транзистора VT1 и к уменьшению тока токового зеркала VT3VT4. С другой стороны, при увеличении напряжения Uст ток через токовое зеркало VT5VT6 увеличивается. Поскольку коэффициент усиления токовых зеркал очень большой и достигает 50000, это изменение приводит к увеличению напряжения на базе транзистора VT7, поэтому ток через транзисторы VT7-VT9 резко увеличивается, что приводит к уменьшению Uст, компенсируя его увеличение. Так работает стабилизация по напряжению.

Рис. 3. Чертёж для изготовления печатной платы

Рис. 4. Схема расположения элементов на печатной плате
При сопротивлении резистора Rт = 250 Ом и изменении напряжения Uпит от 7 до 30 В напряжение на ИОН изменяется с 4,3 В до 4,29 В, т. е. на 0,01 В, что соответствует крутизне 0,4 мВ/В. Чертёж для изготовления печатной платы показан на рис. 3, а схема расположения на ней элементов - на рис. 4. У этого устройства есть один большой недостаток. После проведения компенсации и налаживания выходное напряжение может заметно отличаться от желаемого, это будет зависеть от разности параметров применённых транзисторов. Но есть и хорошая новость, в этом устройстве при желании можно получить различное напряжение, изменив номиналы резистора R9 и резистора R4. После этого надо провести всё налаживание по термокомпенсации заново. Минимальное выходное напряжение - 3 В. На основе этого схемного решения можно изготовить термодатчики, термореле, стабилизаторы тока и т. д.
Чертёж печатной платы устройства находится здесь.
Автор: И. Еробкин, г. Ворсма Нижегородской обл.
