Стабильная работа компьютера зависит от качества и возможностей его блока питания. Правильное функционирование необходимо проконтролировать как у новых блоков питания в начале работы, так и у бывших в эксплуатации [1, 2]. Особенно это касается блоков неизвестных производителей или дешёвых блоков именитых брендов. Необходимо учитывать, что порой поломка блока питания влечёт за собой выход из строя многих установленных компонентов компьютера. Поэтому любую диагностику неисправностей следует начинать именно с проверки работоспособности блока питания.
Среди множества подконтрольных параметров в блоке питания можно выделить несколько основных, соответствие которых нормативу будет определяющим. К этим величинам относятся выходные напряжения питания, которые должны поддерживаться в определённом диапазоне токов нагрузки. Допускается разброс изменений этих
параметров в пределах ±5 % от номинала.
Существуют устройства для определения состояния блоков питания за счёт измерения их выходных напряжений. Примером таких устройств являются Power supply tester LCD [3] и Kingwin KPST-02 [4]. Если первый прибор измеряет выходные напряжения с выводом их значений на экран дисплея, то второй прибор сообщает лишь об их наличии свечением светодиодов. Общим для этих устройств является проведение измерений в режиме практически отсутствующей нагрузки. Поэтому протестировать фактическую мощность блока невозможно. Такая проверка очень важна, так как в ряде случаев блок на "холостом ходу" обеспечивает нормальные значения напряжений, однако при увеличении нагрузки они начинают "проседать", вызывая нестабильность работы компьютера.
Для проведения более достоверной диагностики блока питания необходимо
подключить к его выходам нагрузки, близкие к предельным значениям, указанным на характеристиках блока с учётом не превышения их суммарных групповых нагрузок. Затем необходимо провести прогон блока в течение некоторого времени с контролем выходных напряжений и температуры воздуха, выдуваемого вентилятором. Если после проведения такой проверки выяснится, что величины напряжений укладываются в допустимый диапазон, а температура выходящего воздуха не превышает 40 оС, можно быть уверенным, что блок питания надёжен.

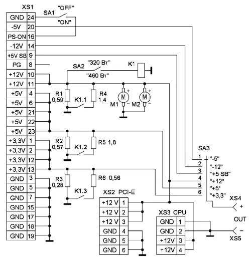
Рис. 1. Схема стенда
Схема стенда показана на рис. 1. В современных компьютерных блоках питания основная нагрузка в большинстве случаев приходится на линию +12 В. Обеспечение значительного энергопотребления по этой линии через один разъём проблематично. Поэтому в стенде, кроме разъёмаXS1, установлены дополнительные разъёмы XS2 и XS3, к которым подключают кабели для питания процессора и видеокарты. В стенде не установлен разъём Molex, через который происходит незначительное потребление мощности. Но этот разъём есть на кабеле блока питания. Это позволяет при проведении испытаний блока оценить потери в проводниках кабеля разъёма, возникающие из-за недостаточного сечения проводников, путём замера напряжений +5 В и +12 В на контактах разъёма Molex, который подключён к блоку питания до нагруженных линий кабеля.
При отсутствии потерь эти напряжения должны быть примерно равны значениям, измеренным на выходе стенда.
После подключения всех необходимых кабелей блока к разъёмам стенда выключателем SA1 включают контролируемый блок питания. Вентиляторами M1, M2 осуществляется обдув нагрузочных резисторов для их охлаждения (рис. 2). Для увеличения эффективности охлаждения резисторов один вентилятор работает на вдув окружающего воздуха, а другой - на выдув из блока. Вольтметром, подключённым к выходным клеммам XS4, XS5 "OUT", можно осуществлять контроль за выходными напряжениями с помощью переключателя SA3. Появляется возможность контролировать напряжения +3,3 В, +5 В, +12 В, -5 В, -12 В и +5 В (SB). Напряжение -5 В имеется только на старых блоках с 20-контактным разъёмом, а на блоках с 24-контактным разъёмом оно, как правило, отсутствует. В стенде предусмотрены два варианта суммарной мощности нагрузки - 320 Вт и 4б0 Вт. Эти значения и определили сопротивления нагрузочных резисторов R1-R6. Выбор режимов осуществляется с помощью выключателя SA2, который подаёт питающее напряжение на реле К1, подключающее дополнительные нагрузочные резисторы к основным.

Рис. 2. Обдув нагрузочных резисторов
Все элементы стенда размещены в корпусе от блока питания компьютера. Стенд рассчитан на контроль за работоспособностью блоков питания мощностью до 500 Вт. При необходимости проверки более мощных блоков необходимо применить более совершенную систему охлаждения. Несмотря на интенсивное выделение тепла, нормальная работоспособность стенда возможна в течение до 5 мин. За это время вполне можно понять и определить потенциальные возможности испытуемого блока питания.
Нагрузочные резисторы стенда изготовлены самостоятельно с применением нихромового провода диаметром 0,5 мм и 1 мм. Примерную длину отрезков нихромового провода для намотки резисторов можно узнать, воспользовавшись рекомендацией, изложенной в [5]. В ней приведены следующие значения сопротивления 1 м нихромового провода. Для диаметра 0,5 мм оно равно 5,6 Ом, а для диаметра 1 мм - 1,4 Ом. В качестве каркаса для намотки использованы мощные проволочные резисторы ПЭВ с сопротивлением более 10 Ом. Концы наматываемого провода жёстко закреплены на выводах этих резисторов с последующей тщательной пропайкой. Резисторы R1 -R3 намотаны проводом диаметром 1 мм. Причём намотка резистора R5 производилась в два провода. Остальные резисторы намотаны проводом диаметром 0,5 мм, причём намотка резистора R4 также выполнена двумя проводами. Все соединительные провода должны быть рассчитаны на соответствующий ток. Реле может быть любого типа с номинальным напряжением обмотки 12 В и с тремя группами контактов на замыкание или переключение реле, каждая группа должна быть рассчитана на коммутацию тока 10 А. Выключатели SA1 и SA2 могут быть любые, рассчитанные на ток до 100 мА, например МТ1. Переключатель SA3 - галетный любого типа, например П2Г3. В качестве входных разъёмов стенда можно использо-вать разъёмы на старых материнских платах, аккуратно вырезая их по контуру вместе с частью платы. Демонтаж разъёмов методом выпаивания не рекомендуется из-за возможных их деформаций. Внешний вид стенда со стороны органов управления и входных разъёмов показан на рис. 3 и рис. 4.

Рис. 3. Внешний вид стенда со стороны органов управления

Рис. 4. Внешний вид стенда со стороны входных разъёмов
Литература
1. EPS 12V Power Supply Design Guide, V2.91. - URL: https://xdevs.com/doc/ xDevs.com/Neutron/pdf/eps_designguide_ 2.91.pdf (05.03.21).
2. ATX12V Power Supply Design Guide. - URL: https://www.techpowerup.com/articles/ 160/images/ATX_2_2.pdf (05.03.21).
3. Power Supply Tester, или тестер блоков питания. - URL: https://mysku.ru/blog/ aliexpress/33642.html (05.03.21).
4. PC 20/24 Pin PSU ATX SATA HD Power SupplyTester, Тестердля компьютерных БП. - URL: https://mysku.ru/blog/china-stores/ 6935.html (05.03.21).
5. Расчёт электрического сопротивления нихромовой проволоки и ленты Х20Н80. - URL:https://www.metotech.ru/info.htm (05.03.21).
Автор: В. Платоненко, г. Набережные Челны, Татарстан
