Микросхема STR-S5707 представляет собой оффлайн регулятор напряжения для импульсных блоков питания с биполярным транзистором на выходе.
Производятся эти чипы в Китае компанией Sanken Electric.
Это узкоспециализированное решение, предназначенное для использования только в схемах автономных квазирезонансных преобразователей напряжения, оборудованных обратной связью. Микросхема STR S5707 улучшает качество интеграции блока питания с внешними схемами, повышает их уровень надёжности.
Внутри каждой микросхемы имеется первичный контур управления и драйвер на базе биполярного транзистора третьего поколения.
Особенности STR S5707
- Формованный SIP-корпус со встроенным изолированным распределителем теплопотока.
- Имеется защита от импульсной перегрузки по току.
- Минимальное и максимальное значение по времени отключения установлены на производстве и не нуждаются в корректировке.
- Есть внутренняя блокировка от пониженных напряжений (с гистерезисом).
- Квазирезонансная работа снижает уровень электромагнитных помех, повышает эффективность схемы.
- Есть режим ожидания (в момент его работы существенно снижается энергопотребление).
- Чип оснащён защитой от перенапряжения и от перегрева.
- Косвенная обратная связь уменьшает количество внешних радиодеталей в схеме для обвязки.
- Усилитель ошибки с первичной стороны включён, чтобы облегчить регулирование со стороны вторичной или смещающей обмотки силового трансформатора.
Ключевые характеристики
- Корпус – ZIP-9.
- Напряжение питания – 15 В (максимум).
- Выходное напряжение – 850 В (максимум).
- Напряжение изоляции – до 2 кВ.
- Рабочая температура – в диапазоне от -20 до +125°С.
- Выходная мощность – до 140 Вт (при напряжении на входе 220-240 В VAC).
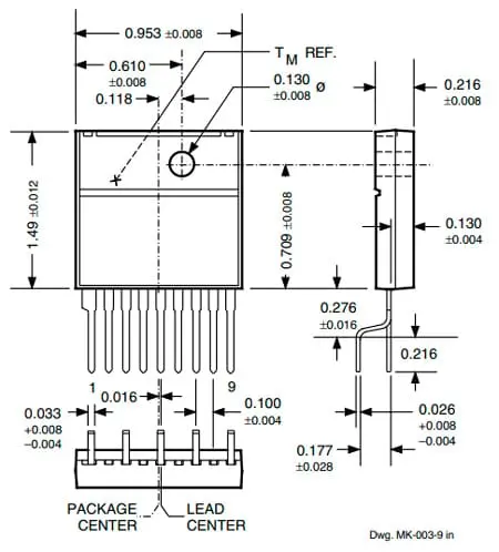
Внешний вид STR S5707

Рис. 1. STR S5707
Назначение контактов
Номер ножки (контакта) | Обозначение | Описание |
1 | COLLECTOR | Коллектор |
2 | COMMON | Общий (эмиттер) |
3 | BASE | База |
4 | SINK | Синхронизация |
5 | OVER-CURRENT PROTECTION | Защита по току |
6 | INHIBIT | Запрет (для контроля напряжения на выходе БП) |
7 | SENSE | Обратная связь |
8 | DRIVE | Драйвер управления |
9 | V in | Входное напряжение (питание) |
Функциональные схемы представлены ниже.

Рис. 2. Функциональная схема 1

Рис. 3. Функциональная схема 2
Схема включения
Микросхема STR-S5707 – узкоспециализированный элемент, поэтому производитель не приводит типовой схемы включения (чип разрабатывался под определенные задачи проектных блоков питания партнёров, а не для массового применения).
Её можно встретить в блоках питания таких телевизоров, как:
- LG CF-21D30;
- LG CF-20D31;
- DAEWOO CHASSIS (CP-370);
- DAEWOO-20Q2M;
- И в других.
Официальные схемы телевизоров громоздкие и сложные в понимании. Для упрощения можно изучить типовую реализацию, обозначенную на схемах блоков питания ниже.
Для телевизоров Daewoo.

Рис. 4. Реализация микросхемы STR-S5707 в блоке питания для телевизоров DAEWOO
Для телевизоров LG.

Рис. 5. Реализация микросхемы STR-S5707 в блоке питания для телевизоров LG
Ремонт производится только полной заменой. В подавляющем большинстве ситуаций неисправность микросхемы может быть связана с её обвязкой, поэтому в обязательном порядке следует проверить работоспособность других элементов блока питания.
Автор: RadioRadar
