Данный прибор предназначен для проверки работоспособности блоков питания компьютеров и представляет собой комплект нагрузочных резисторов для всех выходов блока со светодиодными индикаторами наличия напряжения, контактами для подключения измерительных приборов. Предусмотрены имитатор импульсной нагрузки и узел управления включением блока.
Испытатель обеспечивает нагрузку каждого выхода проверяемого блока током, равным приблизительно 10 % максимума, допустимого для наиболее распространенных в бытовых компьютерах блоков питания. Кроме того, имеется возможность дополнительной нагрузки выхода +12 В импульсами тока, следующими с частотой около 90 Гц. Это имитирует работу привода жесткого диска и других узлов компьютера с переменной потребляемой мощностью.
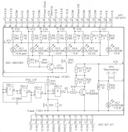
Схема испытателя показана на рис. 1. Если проверяется блок форм-фактора АТХ, его основной выходной разъем соединяют с разъемом ХР1 испытателя. Разъем ХР2 предназначен для устаревших на сегодня блоков питания формфактора AT. К контактам ХТ1 (общий) и ХТ2-ХТ8 можно подключить один или несколько вольтметров либо вход осциллографа.

Рис. 1
Чтобы блок питания AT заработал, достаточно включить его в сеть. А вот у блока АТХ при этом появится лишь "дежурное" напряжение +5 В, о чем сигнализирует светодиод HL1. Такой блок должен включиться полностью при нажатии на кнопку SB3. Появившееся после этого в цепи "Power Good" напряжение откроет транзистор VT1, поэтому блок продолжит работать и после отпускания кнопки. Чтобы выключить его, потребуется нажать на кнопку SB1. Ее контакты зашунтируют эмиттерный переход транзистора VT1, и он закроется, разомкнув цепь включения блока.
Нужно заметить, что обычное напряжение в цепи "Power Good" достаточно лишь для слабого свечения светодиода HL2. Его повышенная яркость будет свидетельствовать о неисправности блока или о том, что он построен по нестандартной схеме.
На микросхеме DD1 и транзисторе VT2 построен имитатор импульсной нагрузки цепи +12 В. Обычно этот узел включают кратковременно, нажав на кнопку SB2. Однако при необходимости можно его включить постоянно, установив перемычку S1, или полностью отключить, сняв перемычку S2.
Разъем ХРЗ предназначен для питания вентилятора, который может потребоваться для обдува нагрузочных резисторов при продолжительной работе с испытателем.
Печатная плата прибора изображена на рис. 2. Транзистор VT2 закреплен на теплоотводе размерами 30x30 мм. Следует иметь в виду, что плата рассчитана на установку кнопок с двумя выводами от каждого контакта, причем одна из пар (правая согласно рис 2) соединенных выводов кнопки SB3 служит перемычкой между печатными проводниками. При использовании кнопок другой конструкции эту перемычку необходимо установить специально.

Рис. 2
Файл печатной платы испытателя в формате Sprint Layout 4.0 можно найти здесь tstpwpc.zip
Автор: Д. Дубровенко, г. Санкт-Петербург
Источник: www.pirpk.narod.ru
