В статье рассмотрены вопросы применения симисторных оптронов с цепью контроля прохождения переменного напряжения через ноль при коммутации различной нагрузки (активной, индуктивной, ёмкостной).
Среди радиолюбителей популярны симисторные оптроны со встроенной цепью контрол я прохождения сетевого напряжения через ноль (zero crossing circuit - ZCC). Ктаким, например, относятся оптроны MOC3161 - MOC3163 [1] и аналогичные. Они часто используются для управления питанием маломощной нагрузки от сети 230 В. Хотя допустимый импульсный ток оптосимистора 1 А, максимальная рассеиваемая мощность всего оптрона при температуре 25 оС равна 250 мВт, поэтому постоянный допустимый ток меньше на порядок, а максимальная мощность нагрузки не должна превышать 20...30 Вт.
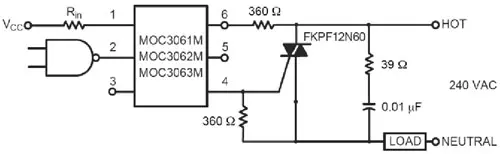
Устройство оптронов MOC3161 - MOC3163 иллюстрирует рис. 1, взятый из [1]. ZCC включена между силовыми электродами оптосимистора и осуществляет подачу сигнала на его управляющий электрод. Она разрешает или запрещает включение оптосимистора в зависимости от напряжения на нём. Согласно [1], при напряжении на опто-симисторе более 12...20 В он открываться не будет (рис. 2), даже если через излучающий ИК-диод оптрона протекает ток, превышающий открывающий. При этом ток через оптопару не превышает 500 мкА при напряжении 600 В. Аналогично устроены и другие оптроны с ZCC, например [2].

Рис.1. Устройство оптронов MOC3161 - MOC3163

Рис.2.
Поскольку мощность, коммутируемая самим оптроном, невелика, чаще всего её используют для управления мощным симистором, как показано на рис. 3 [1], который и подаёт напряжение на нагрузку. В этом случае, на первый взгляд, получается, что мощный менты, влияющие симистор будет открываться при напряжении сети не более 12...20 В, т. е. вблизи от момента прохождения сетевым напряжением ноля. Поэтому ток включения будет, по крайней мере, на порядок меньше максимального тока нагрузки, что и объясняет низкий уровень помех.

Рис.3.
Видимо, поэтому во многих радиолюбительских статьях часто указывают, что применение симисторного оптрона с ZCC обеспечивает низкий уровень помех при коммутации напряжения. Но это справедливо, если нагрузка активная (лампа накаливания, нагреватель и т. п.). Там действительно сетевое напряжение при закрытом оптосимисторе практически полностью поступает на ZCC и возможен контроль его перехода через ноль. Другая ситуация возникает, если нагрузка содержит реактивные элене только на потребляемый ею ток, но и на его фазу, та. кие как балластный конденсатор, вы прямитель со сглаживающим конденса тором или разделительный трансформатор. В таком случае ток через нагрузку может не протекать, когда напряжение сети не равно нулю, и, наоборот, может протекать, когда оно равно нулю.
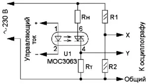
Для иллюстрации этой ситуации был собран макет, схема которого показана на рис. 4. Здесь использованы разные типы нагрузок. Сигнал, пропорциональный напряжению сети, с резистивного делителя R1R2 поступает на первый вход осциллографа, а сигнал, пропорциональный току нагрузки с датчика тока (резистора Ry), - на второй вход
двухлучевого осциллографа.

Рис. 4.

Рис. 5. Осциллограммы для случая, когда нагрузкой служит лампа накаливания мощностью несколько ватт
На рис. 5 показаны осциллограммы для случая, когда нагрузкой служит лампа накаливания мощностью несколько ватт (напряжение сети показано жёлтым цветом, тока нагрузки - красным). Оптосимистор открывается, когда через нагрузку начинает протекать ток. На осциллограммах видно, что это происходит в самом начале каждого полупериода сетевого напряжения, т. е. помехи при коммутации действительно минимальны.

Рис. 6. Осциллограммы для случая, когда нагрузкой служит светодиодная лампа 10 Вт
На рис. 6 показаны осциллограммы для случая, когда нагрузкой служит светодиодная лампа мощностью 10 Вт с мостовым диодным выпрямителем и сглаживающим конденсатором. На осциллограммах видно, что ток имеет импульсную форму и протекает при максимуме напряжения сети. Это получается потому, что напряжение на оптроне будет близко к нулю, когда напряжение в сети сравняется с напряжением на сглаживающем конденсаторе, т. е. будет около 300 В. Поэтому снижения уровня коммутационных помех в этом случае ждать не приходится.
Осциллограммы для светодиодной лампы мощностью 2 Вт со встроенным блоком питания на основе балластного конденсатора показаны на рис. 7. Видно, что фазы напряжения и тока заметно отличаются, и включение оптосимистора происходит не при нулевом напряжении сети.

Рис. 7. Осциллограммы для светодиодной лампы мощностью 2 Вт со встроенным блоком питания

Рис. 8. Осциллограммы для ненагруженного блока питания с разделительным трансформатором
На рис. 8 показаны осциллограммы для ненагруженного блока питания с разделительным трансформатором. В этом случае нагрузка - активно-индуктивная. Как и в предыдущем случае, фазы напряжения и тока отличаются.
При замене оптрона с ZCC в макете, собранном в соответствии с рис. 4, проволочной перемычкой, осциллограммы были практически неотличимы от осциллограмм для тех же нагрузок с оптроном.
Следует отметить, что оптроны с ZCC, как правило, не используют в регуляторах мощности с фазоимпульсным управлением.
Приведённые результаты показывают, что применение оптронов с ZCC совсем не гарантирует того, что включение нагрузки будет происходить в самом начале каждого полупериода переменного, в данном случае, сетевого напряжения. Это ещё зависит и от характера нагрузки (активная или реактивная). Но какая же может быть польза от применения именно такого оптрона? Он, например, обеспечивает наиболее благоприятное включение нагрузки, содержащей выпрямитель со сглаживающим конденсатором, поскольку обеспечивает более плавную первоначальную зарядку этого конденсатора. Но если питаемое устройство содержит элементы, ограничивающие ток зарядки, применение оптрона с ZCC становится необязательным.
Литература
1.6-Pin DIP Zero-Cross Triac Driver Optocoupler (600 Volt Peak). MOC3061M, MOC3062M,MOC3063M,MOC3162M, MOC3163M. - URL: https://clck.ru/33ZXEw (02.03.23).
2. S11 ME5/S11ME6/S21 ME5F, S21ME5/ S21ME6/S21ME6F. Phototriac Coupler Conformable to European Safety Standard. - URL: https://clck.ru/33fii9 (02.03.23).
Автор: И. Нечаев, г. Москва
