Если в блоке питания (БП) защита от короткого замыкания (КЗ) в цепи нагрузки работает по принципу ограничения максимального выходного тока, то некоторые элементы блока при продолжительном нахождении его в режиме защиты могут перегреться и выйти из строя. Чтобы этого не случилось, такой источник питания желательно дополнить сигнализатором, подающим, например, звуковой сигнал при КЗ в его выходной цепи [1].

Рис. 1
Схема предлагаемого звукового и светового сигнализатора КЗ представлена на рис. 1. Устройство предназначено для встраивания в БП, в которых напряжение на фильтрующем конденсаторе, подключённом к выходу мостового выпрямителя, не менее 18 В (таков, например, БП, описанный в [2]). Сигнализатор выполнен на основе интегральной микросхемы UTC1240A, представляющей собой генератор сигналов двух переключаемых частот и применяемой в вызывных устройствах проводных телефонных аппаратов и квартирных звонках с питанием от сети 220 В. Микросхема содержит диодный мостовой выпрямитель, стабилитрон, триггер Шмитта, тактовый и тональный генераторы, стабилизатор напряжения и выходной усилитель зЧ.
Если напряжение на входе устройства (т. е. на выходе стабилизатора БП) больше 0,7 В, транзистор VT1 открыт, а VT3 и VT2 закрыты, поэтому светодиод HL1 не светится и напряжение питания микросхемы DA1 отсутствует. При КЗ на выходе БП транзистор VT1 закрывается, VT3 открывается, зажигается светодиод HL1 и открывается транзистор VT2. В результате на микросхему DA1 поступает напряжение питания, собранный на ней генератор начинает работать и пьезокерамический звукоизлучатель HA1 издаёт двухтональный звук. Резистор R7 определяет частоту колебаний генератора, конденсатор С3 задаёт частоту переключения тональных звуковых частот. Конденсатор C2 подключён к выходу встроенного диодного мостового выпрямителя микросхемы параллельно защитному стабилитрону. Резистор R6 - токоограничивающий в цепи питания микросхемы.

Рис. 2
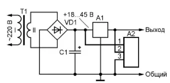
Сигнализатор подключают к БП по схеме, показанной на рис. 2. Здесь A1 - стабилизатор напряжения БП, A2 - описываемый сигнализатор, C1 - конденсатор фильтра БП. Включается сигнализатор при напряжении на этом конденсаторе, равном 16 В, а выключается, когда оно понижается до 11 В. При перегрузке БП напряжение на конденсаторе C1 может упасть ниже 16 В, в этом случае при КЗ сигнализатор может не сработать. Чтобы этого не случилось, в сигнализаторе установлены развязывающий диод VD1 и накопительный конденсатор C1. Последний обеспечивает работу устройства в течение примерно 2 с после полного пропадания напряжения питания. От источника напряжения 18 В устройство потребляет ток около 4 мА при работающем генераторе и 0,18 мА при заторможенном. Амплитуда напряжения на выводах звукоизлучателя HA1 примерно на 3 В меньше входного напряжения питания, пока оно не превышает напряжения стабилизации встроенного в микросхему защитного стабилитрона.

Рис. 3
Все детали устройства, кроме зву-коизлучателя и светодиода, размещены на печатной плате, чертёж которой показан на рис. 3. Резисторы - С1-4, С1-14, МЛТ, РПМ, конденсатор C3 - малогабаритный плёночный, остальные - оксидные импортные (C1 монтируют параллельно плате и приклеивают к ней клеем "Момент"). Диод КД208А заменим любым из серий КД209, КД243, КД247, 1N4001 -
1 N4007, UF4001-UF4007. Вместо
транзисторов 2SC3199 подойдут SS9011, BC547, 2SC1815, 2SC1845 и любые из серий КТ6111, КТ6117, а вместо 2SA1015 - 2SA992, 2SA1175, BC557, MPSA43, а также любой из серий КТ6112, КТ668. Выбирая замену, следует учесть, что заменяющий транзистор может иметь цоколёвку, отличающуюся от показанной на рис. 3. При относительно небольшом напряжении на входе стабилизатора БП можно применить транзисторы с меньшим допустимым напряжением коллектор-эмиттер и коллектор- база.
Вместо светодиода RL50-SR113 можно применить любой другой непрерывного свечения, например, из серий КИПД21, КИПД40. Если световая индикация срабатывания сигнализатора не нужна, светодиод можно исключить, установив вместо него на плате перемычку. Возможная замена микросхемы UTC1240A - импортные L3240, LS1240, LS1240A, LS1241,
PSB6520-2, PSB6521 -2, PSB6523T или отечественные КР1064ПП1, КР1091ГП1, КР1085ПП1. Пьезокерамический излучатель звука HA1 - 4FE-610-09 от импортного телефонного аппарата. Можно применить отечественные ЗП-1, ЗП-22, HPA22A и др. При использовании в сигнализаторе отечественной микросхемы пьезокерамический зву-коизлучатель можно подключить к противофазным выходам УЗЧ - выводам 5 и 6 DA1.
Безошибочно изготовленное из исправных деталей устройство работоспособно сразу после подключения к БП. Если напряжение питания больше 25...30 В, сопротивление резистора R6 желательно увеличить до 1,2. 2,4 кОм. При избыточной громкости сигнала последовательно со звуко-излучателем можно включить резистор.
Устройство нетрудно превратить в датчик перегревания элементов БП. Для этого верхний (по схеме) вывод резистора R1 подключают к плюсовому выводу конденсатора C1, а резистор R2 заменяют терморезистором с отрицательным ТКС номиналом 4,7. 10к0м. Порог срабатывания устройства устанавливают подбором резистора R1.
Литература
1. Бутов А. Звуковой сигнализатор короткого замыкания. - Радио, 2001, № 10, с. 58.
2. Бутов А. Лабораторный импульсный БП на микросхеме L4960. - Радио, 2011, № 11, с. 27, 28.
Автор: А. Бутов, с. Курба Ярославской обл.
