Предлагаемое устройство - сетевой трансформатор с большим числом переключаемых вторичных обмоток. Его выходное напряжение можно регулировать тремя переключателями от 0 до 399 В с шагом 1 В. Положение переключателей наглядно отображает номинальное значение выходного напряжения.
В радиолюбительской литературе описан ряд конструкций регулируемых трансформаторов и автотрансформаторов. В статье [1] предложен автотрансформатор на основе сетевого трансформатора от ламповых телевизоров ТС-180, в котором регулирование выходного напряжения осуществляют переключением обмоток.
В книге [2] нас. 173, 174 рассказано о лабораторном автотрансформаторе, который может работать и как трансформатор, когда выходное напряжение снимается с вторичных обмоток, гальванически не соединённых с первичной (сетевой). Его выходное напряжение можно регулировать переключателями в пределах 1 ...347 В с шагом 1 В. В поддиапазоне 1...127 В имеется гальваническая развязка выхода от питающей сети. Но в других поддиапазонах она отсутствует, что является недостатком этого устройства.
Весьма простая конструкция регулируемого сетевого трансформатора с большим числом переключаемых вторичных обмоток описана в статье [3]. Достоинство этого устройства - гальваническая развязка выхода от сети во всём интервале регулирования выходного напряжения 1.465 В с тем же шагом. Выходным напряжением управляют с помощью тумблеров, каждому из которых соответствует определённое значение напряжения. Выходное напряжение равно сумме значений всех включённых тумблеров.
Общий недостаток этих устройств - необходимость выполнения арифметических операций для установки требуемого выходного напряжения.
При разработке предлагаемого устройства была поставлена задача упрощения установки выходного напряжения так, чтобы его значение наглядно определялось положением трёх переключателей: один - для сотен вольт, второй - для десятков, третий - для единиц. Именно такая конструкция и предлагается вниманию читателей.
Основные технические характеристики
Номинальное входное напряжение, В ..................220
Выходное напряжение, В ......0.399
Шаг регулировки выходного
напряжения, В .................. 1
Максимальный выходной ток, А,
при выходном напряжении
1 ...99 В...................0,68
100...199 В................0,34
200...399 В................0,17
Габариты, мм...........120x170x105

Рис. 1
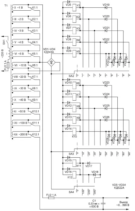
Схема предлагаемого устройства показана на рис. 1. Основа его - сетевой трансформатор Т1 с одной первичной (I) и двенадцатью вторичными обмотками (II-XIIl). Каждая вторичная обмотка может быть включена или не включена в выходную цепь контактами соответствующего реле, как и в устройстве [3]. Обмотки реле K1-K12 получают питание от одной из вторичных обмоток (VII) трансформатора Т1 через диодный мост VD1-VD4. Диоды VD5- VD16 подключены к обмоткам реле с целью подавления импульсов ЭДС самоиндукции при прерывании тока через обмотки. Но отличие предлагаемого устройства в том, что ряд значений напряжения вторичных обмоток выбран другим, а для управления реле использованы переключатели SA2- SA4 и дешифраторы на диодах VD17- VD34, что позволило получить наглядную индикацию значения выходного напряжения по положению переключателей .
Устройство работает так. Когда все переключатели SA2-SA4 установлены в положение "0", обесточены обмотки всех реле, их контактами все вторичные обмотки трансформатора Т1 отключены от выхода. При переключении SA4 в положение "100" подаётся питание на обмотку реле K11, которое своими контактами K11.1 подключает обмотку XII с напряжением 100 В к выходу. Переключение SA4 в положение "200" аналогично с помощью реле K12 подключает к выходу обмотку XIII с напряжением 200 В. В положении "300" через диоды VD17 и VD18 питание подаётся на обмотки обоих реле K11 и K12, контакты которых включают в выходную цепь обе обмотки XII и XIII. Так как они соединяются при этом синфазно-последовательно, напряжение на выходе равно 300 В.
Переключателем SA3 устанавливают выходное напряжение с шагом 10 В. В положении "10" в выходную цепь включается обмотка VII через контакты K6.1. В положениях "20"..."50" - одна из обмоток VIII-XI. В положении "60" через диоды VD23 и VD28 питание подаётся на обмотки двух реле K6 и K10, контакты которых включают в выходную цепь синфазно-последовательно соединённые обмотки VII и XI с суммарным напряжением 60 В. В положениях "70"..."90" в выходную цепь также включаются две обмотки трансформатора Т1 с соответствующим суммарным напряжением.
Переключателем SA2 аналогично устанавливают выходное напряжение с шагом 1 В. В выходную цепь включаются одна или две из обмоток I-VI трансформатора Т1 с помощью реле K1 -K5. В случае, когда столь мелкий шаг регулирования выходного напряжения не требуется, устройство можно существенно упростить, не наматывая эти обмотки и не устанавливая SA2, реле K1-K5 и диоды VD5-VD9, VD19- VD22, VD27, VD29, VD31, VD33.

Рис. 2
Сетевой трансформатор Т1 - переделанный 080-481 55-01 GP0651 CLASS B VIKING B-2 от бесперебойного источника питания Mustek 600-USB (рис. 2). Вначале при номинальном сетевом напряжении на его первичной обмотке были измерены значения напряжения на его вторичных обмотках. Затем маг-нитопровод был разобран, а вторичные обмотки смотаны с подсчётом числа витков. В результате деления числа витков на напряжение получен результат: 2,8 витка на вольт. Для компенсации падения напряжения под нагрузкой число витков вторичных обмоток увеличено до трёх витков на вольт. Именно с этим коэффициентом намотаны проводом ПЭВ-2 новые вторичные обмотки. При их намотке желательно маркировать начала и концы, чтобы обеспечить правильную фазировку при подключении.
Габаритная мощность применённого трансформатора - около 84 ВА. Число витков и диаметр провода вторичных обмоток приведены в таблице. Меж-слойная изоляция обмоток выполнена фторопластовой лентой ФУМ.
Обмотка | Число витков | Диаметр провода, мм |
II | 3 | 0,67 |
III | 6 | |
IV | 9 | |
V | 12 | |
VI | 15 | |
VII | 30 | |
VIII | 60 | |
IX | 90 | |
X | 120 | |
XI | 150 | |
XII | 300 | 0,475 |
XII | 600 | 0,335 |
Все реле 833H-1C-F-C 12В можно заменить другими, контакты которых рассчитаны на коммутацию напряжения не менее 400 В и тока не меньше 0,7 А. Пульсации напряжения питания не влияют на работу применённых реле из-за их инерционности, но могут вызвать "жужжание". В случае использования других реле, а также для подавления "жужжания", возможно, потребуется к выходу диодного моста VD1 - VD4 подключить сглаживающий конденсатор, ёмкость которого подбирают экспериментально. Максимально одновременно включаются не больше шести реле, поэтому диоды выпрямительного моста VD1-VD4 должны выдерживать ток обмоток шести реле. Остальные диоды - одного реле. Конденсатор С1 - плёночный из серии К73-17.

Рис. 3
Внешний вид предлагаемого устройства показан на рис. 3. Видно, что при положениях переключателей 392 В вольтметр показывает 369 В. Это произошло от того, что в момент фотографирования в сети было пониженное напряжение. И лишь при номинальном сетевом напряжении 220 В показания мультиметра и переключателей совпадут. Эта особенность характерна и для упомянутых выше конструкций [1-3].
Правильно смонтированное устройство не требует налаживания. Однако необходимо убедиться в правильности подключения вторичных обмоток (II- XIII) трансформатора Т1. Для этого проверяют изменение выходного напряжения при перемещении каждого переключателя из положения "0" в максимальное при фиксированных положениях остальных переключателей. Выходное напряжение должно увеличиваться на напряжение подключаемой обмотки. В противном случае обмотка подключена неправильно, её выводы необходимо поменять местами.
Автор использовал регулируемый трансформатор для налаживания стабилизаторов сетевого напряжения (в том числе установки порогов срабатывания их компараторов), определения интервала изменения входного напряжения малогабаритных импульсных источников питания и для подбора люминесцентных светильников, работоспособных при наименьшем напряжении питания. Устройство безотказно работает с начала 2008 г.
Литература
1. Солоненко В. Автотрансформатор на основе ТС-180. - Радио, 2006, № 5, с. 36.
2. Евсеев А. Н. Полезные схемы для радиолюбителей. - М.: СОЛОН-Р, 1999.
3. Мороз К. Регулируемый трансформатор на основе ЛАТР. - Радио, 2008, № 8, с. 25, 26.
Автор: С. Бутрименко, г. Киев, Украина
