В радиолюбительских журналах и Интернете описаны электронные нагрузки на различной элементной базе, начиная от устаревших, не очень мощных по современным меркам транзисторов, и заканчивая мощными полевыми транзисторами с операционными усилителями для стабилизации тока. Их объединяет то, что во всех присутствует датчик тока - низкоомный резистор, который сложно приобрести или изготовить. Автор нашёл способ обойтись без этой детали, применив в качестве датчика внутреннее сопротивление амперметра, контролирующего ток нагрузки. Предлагаемая электронная нагрузка представляет собой законченную конструкцию, не требующую при эксплуатации дополнительных измерительных приборов.
При изготовлении и ремонте блоков питания, зарядных устройств или преобразователей напряжения требуется проверять их работоспособность под нагрузкой. В ход идёт всё, что есть под рукой: мощные резисторы, автомобильные лампы, включённые последовательно и параллельно, нагревательные приборы. Подбирать нужную нагрузку таким образом неудобно. Однако большинство возникающих при этом проблем устраняются, если изготовить электронную регулируемую нагрузку.
Но большой недостаток почти всех опубликованных конструкций - незаконченность. Последовательно с собственно электронной нагрузкой нужно включить амперметр, загромождая рабочий стол ещё одним измерительным прибором и его щупами. Чтобы увидеть, как ведёт себя напряжение на выходе испытываемого источника, нужен ещё и вольтметр (со щупами, естественно). Для электронной нагрузки в большинстве случаев требуется дополнительный блок питания.
Если же поместить плату электронной нагрузки в один корпус с амперметром, вольтметром и блоком питания, то на рабочем столе уже не будет лишних приборов, щупов и проводов. Кроме того, появляется возможность использовать внутреннее сопротивление амперметра в качестве датчика тока, избавившись от необходимости поиска или самостоятельного изготовления прецизионного низкоомного резистора.
В предлагаемой конструкции я остановился на предельном значении нагрузочного тока 10 А. Этого должно хватить для проверки самодельных блоков питания и зарядных устройств, малогабаритных аккумуляторов, солнечных батарей. Закладывать в прибор, предназначенный для бытового применения, возможность нагрузить испытываемое устройство током 20, 50 А и более я не стал.
Основой разработки стало устройство, предложенное в статье И. Нечаева "Универсальный эквивалент нагрузки" ("Радио", 2005, № 1, с. 35). Описанное в ней устройство как раз и создаёт ток нагрузки 0,5...11 А. Резистор-датчик тока там имеет сопротивление 0,1 Ом, но автор статьи даёт рекомендации, как можно изменить его сопротивление. Это даёт возможность использовать в качестве датчика тока сопротивление амперметра, которое на пределе измерения 10 А обычно составляет несколько миллиом.
Предлагаемая схема полнофункциональной электронной нагрузки представлена на рис. 1. Собственно нагрузка собрана на транзисторах VT3, VT4 и ОУ DA1.2 и отличается от прототипа только тем, что вместо полевого транзистора применён составной биполярный, а датчиком тока служит сопротивление амперметра PA1. Устанавливают нагрузочный ток переменными резисторами R11 и R12. Резистор R9 ограничивает максимально возможный ток нагрузки, который не должен быть больше предела измерения амперметра.

Рис. 1. Схема полнофункциональной электронной нагрузки
На ОУ DA1. 1, используемом как компаратор напряжения, собран узел контроля температуры транзистора VT4 с автоматическим отключением электронной нагрузки в случае его перегрева. Входы компаратора подключены к диагонали измерительного моста, образованного терморезистором RK1 и резисторами R1 - R3. Пока температура теплоотвода транзистора VT4, где установлен терморезистор, не превышает допустимой, мост разбалансирован, так что напряжение на неинвертирующем входе ОУ больше, чем на инвертирующем. Поэтому напряжение на выходе ОУ близко к напряжению питания. Оно поступает на делитель R9R11R12, и электронная нагрузка работает. Индикатор перегрева (светодиод HL1) не светится, потому что транзистор VT1 открыт, а VT2 закрыт.
По мере нагревания транзистора VT4 сопротивление терморезистора RK1 уменьшается. При превышении допустимой температуры полярность напряжения разбаланса моста изменяется, поэтому компаратор переходит в состояние с выходным напряжением, близким к нулю. Нулевым станет и напряжение на неинвертирующем входе ОУ DA1.2 и на его выходе. Транзисторы VT3 и VT4 закроются, и нагрузочный ток прекратится. Закроется также транзистор VT1, а транзистор VT2 откроется. Светодиод HL1 включится, сигнализируя о перегреве.
Температура теплоотвода транзистора VT4 и самого транзистора станет быстро уменьшаться, поскольку вентилятор M1 продолжает работать. Поэтому сопротивление терморезистора RK1 будет расти, и через некоторое время компаратор возвратится в исходное состояние. От сопротивления резистора R6 зависит ширина зоны гистерезиса компаратора. Чем оно больше, тем меньше разница между температурой выключения и включения тока нагрузки. Указанный на схеме номинал этого резистора подобран экспериментально и обеспечивает достаточную для охлаждения транзистора VT4 до рабочей температуры продолжительность отключения нагрузки.
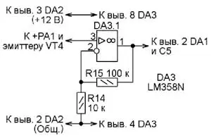
При слишком маленьком внутреннем сопротивлении амперметра может потребоваться усилить снимаемое с него пропорциональное току нагрузки напряжение. Усилитель, схема которого показана на рис. 2, следует включить в разрыв провода, соединяющего плюсовой вывод амперметра PA1, и эмиттер транзистора VT4 с инвертирующим входом ОУ DA1.2 и конденсатором C5.

Рис. 2. Схема усилителя
Здесь дополнительный ОУ DA3.1 работает как неинвертирующий усилитель. Его коэффициент усиления равен R15/R14+1 (при указанных на схеме номиналах резисторов - 11). При необходимости его можно изменить подборкой резистора R15. Если отказаться от температурной защиты транзистора VT4, то усилитель можно собрать на ОУ DA1.1. Тогда дополнительная микросхема DA3 не потребуется, но возникнет опасность отказа электронной нагрузки в результате не замеченного вовремя перегрева транзистора.
О замене микросхемы LM358 подробно рассказано в упомянутой выше статье И. Нечаева. Если в наличии имеется полевой транзистор IRF3205, то лучше заменить им пару транзисторов КТ815Г, КТ819ГМ, вернувшись к прототипу. Можно заменить эту пару и составным транзистором КТ827А. Предельная рассеиваемая мощность и максимальный ток коллектора у него несколько больше, чем у КТ819ГМ (125 Вт и 20 А против 100 Вт и 15 А).
Вместо транзистора КТ815Г допустимо применить КТ817Г. В случае, если транзистор VT4 имеет небольшой коэффициент передачи тока базы, для транзистора VT3 необходим теплоотвод с площадью охлаждающей поверхности 5...6 см2. Именно так и оказалось в моём случае. КТ815Г имел коэффициент передачи 273, а КТ819ГМ - всего 43, поэтому без теплоотвода КТ815Г ощутимо разогревался при большом токе нагрузки. Имея возможность выбора, желательно подобрать транзисторы с максимальным коэффициентом передачи.
Допускается установка вместо транзисторов КТ815Г и КТ819ГМ однотипных транзисторов с другими буквенными индексами. Но при этом изменится в соответствии с их допустимым напряжением коллектор-эмиттер максимальное допустимое напряжение испытываемого источника. На такое же напряжение должен быть рассчитан и конденсатор С6.
Если достаточно мощности электронной нагрузки до 60 Вт, то можно в качестве VT4 использовать и транзистор серии КТ819 в пластмассовом корпусе. Но при любом применяемом транзисторе нельзя, чтобы рассеиваемая им мощность, равная произведению напряжения проверяемого источника на ток нагрузки, превышала допустимую для этого транзистора.
Транзистор установлен на теплоотвод с вентилятором от процессора компьютера (кулер). Мною был применён кулер с теплоотводом размерами около 70x70 мм, имеющим рёбра высотой около 20 мм, и с соответствующим вентилятором. Использовать кулер желательно, если необходимо создать компактный прибор, не занимающий много места ни на столе для экспериментов, ни на полке во время хранения. В случае использования теплоотвода без принудительного обдува его эффективная поверхность рассеивания для мощности 100 Вт должна быть не менее 1500 см2. Кроме того, после срабатывания тепловой защиты такой теплоотвод вместе с транзистором будет охлаждаться до момента повторного включения электронной нагрузки довольно долго, а кулер охлаждает транзистор до температуры включения буквально за две-три минуты.
У меня при напряжении 12 В и токе 8 А транзистор КТ819ГМ не нагревался не только до температуры отключения, но даже до температуры, когда к нему невозможно прикоснуться пальцем.
В качестве RK1 использован терморезистор, извлечённый из импульсного блока питания. Его сопротивление при комнатной температуре около 8,2 кОм, а при нагреве паяльником до температуры, когда палец, прижатый к терморезистору, уже не терпит, оно падает приблизительно до 1,5 кОм. Если сопротивление применяемого терморезистора слишком сильно отличается от указанных значений, придётся подобрать сопротивление резистора R1.
Терморезистор установлен на теплоотводе вблизи транзистора VT4. Он прижат упругой пластиной к теплоотводу через изолирующую прокладку из слюды или фторопластовой плёнки и обильно смазан теплопроводящей пастой.
Амперметр PA1 - цифровой, встраиваемый с пределом измерения 10 А. Он приобретён в интернет-магазине. Кроме того, электронная нагрузка была испытана и прекрасно работала со стрелочным щитовым амперметром Э365 с таким же пределом измерения. Единственный недостаток этого амперметра - его большие размеры. Вольтметр PV1 с пределом измерения 100 В тоже цифровой, встраиваемый из интернет-магазина. Естественно, подойдёт и любой стрелочный вольтметр с соответствующим пределом измерения. Но обращайте внимание на напряжение питания цифровых амперметра и вольтметра. Если 9 В для них недопустимо, придётся позаботиться об источнике соответствующего напряжения.
Вместо светодиода 5613URW-1cd подойдёт любой другой, желательно красного свечения.
Трансформатор T1 легко подобрать готовый. Напряжение на его вторичной обмотке может находиться в пределах 15...30 В при токе нагрузки 150...250 мА. В основном это ток, потребляемый кулером. Всё остальное потребляет всего несколько миллиампер.
Примечание.Номинальное напряжение питания большинства компьютерных кулеров - 12 В. Поскольку выпрямленное диодным мостом VD1 напряжение больше, последовательно с электродвигателем кулера следует включить резистор, гасящий избыток напряжения.
Такой большой разброс напряжения вторичной обмотки трансформатора допустим благодаря применению интегрального стабилизатора КР142ЕН8Б (DA2). При входном напряжении 35 В максимальный ток его нагрузки не должен превышать 0,35 А, что в данном случае вполне достаточно. Конечно, чем больше входное напряжение стабилизатора, тем большим должен быть и его теплоотвод. Поэтому, если делать трансформатор T1 самостоятельно, лучше всё-таки намотать вторичную обмотку на 15...17 В, тогда стабилизатор КР142ЕН8Б вполне обойдётся без теплоотвода.
Вместо КР142ЕН8Б можно применить импортный интегральный стабилизатор серии 7812. Замена выпрямительного моста КЦ407А - КЦ402 или КЦ405 с любыми буквенными индексами. Пригодны и импортные мосты, например, 2W10M, BR810, RC207. Естественно, можно собрать мост из любых одиночных выпрямительных диодов с обратным напряжением не менее 50 В и допустимым выпрямленным током не менее 500 мА.
Возможно использовать и готовый стабилизированный блок питания с выходным напряжением 12 В при токе не менее 300 мА. Тогда диодный мост VD1 и стабилизатор DA2 из схемы нужно исключить. Такие блоки обычно выполнены в виде адаптеров, вставляемых в сетевую розетку. Они используются повсеместно и, скорее всего, найдутся у каждого радиолюбителя. Можно оставить блок выносным, но если места в корпусе электронной нагрузки достаточно, то лучше, конечно, плату блока питания разместить в её корпусе.
Изготовив электронную нагрузку, следует прежде всего убедиться в правильности монтажа и только после этого переходить к проверке её работоспособности. Подключите к ней источник питания, который будет служить проверяемым, обеспечивая при этом ток, не меньший предела измерения амперметра PA1. Убедитесь, что при вращении ручек переменных резисторов R11 и R12 показания амперметра PA1 изменяются от нуля до максимума.
Затем подберите сопротивление резистора R9 таким, чтобы максимальный ток нагрузки не превышал предел измерения амперметра. Для этого временно замените постоянный резистор R9 подстроечным сопротивлением 10.20 кОм, установив его движок в положение максимального сопротивления. Ручки переменных резисторов R11 и R12 установите в положения, соответствующие максимальному току нагрузки. Подайте на электронную нагрузку напряжение с проверяемого блока питания и, уменьшая сопротивление подстроечного резистора R9, добейтесь необходимых показаний амперметра. Измерив получившееся сопротивление, замените подстроеч-ный резистор постоянным.
Для установки температуры отключения задайте ток нагрузки 5...6 А и выключите вентилятор кулера. Движок подстроечного резистора R1 установите в положение минимального сопротивления. Температуру желательно контролировать термопарой электронного термометра, прижатой к теплоотводу вблизи транзистора VT4. Если такого термометра нет, придётся это делать наощупь - пальцем.
Когда температура достигнет предельной для транзистора VT4, начните вращать движок подстроечного резистора R1 в сторону увеличения сопротивления, добиваясь скачкообразного изменения напряжения на выходе ОУ DA1.1, сопровождаемого прекращением тока нагрузки. Одновременно должен включиться светодиод HL1. Измерив введённое сопротивление подстроечного резистора R1, его, при желании, можно заменить постоянным резистором ближайшего номинала.
При пользовании электронной нагрузкой не следует забывать, что выходное напряжение проверяемого источника не должно превышать допустимого напряжения коллектор-эмиттер транзисторов VT3 и VT4. При транзисторах, типы которых указаны на схеме, оно не должно быть более 100 В. Как было сказано выше, нельзя забывать и о допустимой мощности, рассеиваемой транзистором VT4.
Необходимо строго соблюдать полярность подключения электронной нагрузки к проверяемому источнику. Для испытания источников переменного напряжения (например, трансформаторов) следует между таким источником и нагрузкой включать выпрямительный мост с соответствующим теплоотводом, например, KBCP 3510W (допустимый ток 35 А) или RBV-1506 (допустимый ток 15 А). Такой мост можно собрать и из отдельных диодов, например, Д242А (100 В,10 А) тоже с теплоотводами.
Примечание.Необходимо иметь в виду, что при проверке источника синусоидального напряжения (например, трансформатора) потребляемый от него электронной нагрузкой ток имеет прямоугольную форму. Следовательно, условия испытания будут иными, чем при работе на реальную линейную нагрузку. Поэтому, например, по показаниям амперметра PA1 можно судить лишь о приблизительном значении предельного тока нагрузки трансформатора.
Допустимые ток и напряжение выпрямительного моста или диодов, из которых он собран, не должны быть меньше, чем напряжение и ток нагрузки проверяемого трансформатора. Для проверки электронных трансформаторов, работающих на высокой частоте, выпрямительный мост должен быть собран из мощных диодов, рассчитанных на выпрямление тока повышенной частоты (например, КД213Б), также с теплоотводами.
Если позволяют размеры корпуса электронной нагрузки, выпрямительный мост можно разместить внутри него. Чтобы мост не грелся зря при испытании источников постоянного напряжения, желательно предусмотреть переключатель, подключающий его только для проверки источников переменного напряжения. Естественно, контакты этого переключателя должны выдерживать максимальный ток нагрузки.
В заключение несколько слов об одной особенности описанной конструкции. Нагрузочный ток более 4...5 А в течение одной-двух минут после установки снижается на 80...130 мА и лишь затем остаётся неизменным. Возможно, это объясняется изменением сопротивления амперметра в результате прогрева. При токе до 3...4 А это явление отсутствует, а при 6...10 А изменение тока на 100...150 мА можно считать несущественным. Кроме того, изменившийся ток можно подкорректировать переменным резистором R12.
Автор: А. Карпачев, г. Железногорск Курской обл.
