Можно спорить до хрипоты какой вариант усилителя лучше выбрать. С одной стороны перед любым УМЗЧ (усилителем мощности звуковых частот) стоят те или иные задачи, предъявляются критерии к качеству и другим параметрам. В качестве элементной базы можно выбрать транзисторы или даже лампы, но проще, быстрее и надёжнее (особенно для тех, кто собирает свой усилитель в первый раз), конечно, будут микросхемы.
- С ними будет сложно ошибиться, так как основная "логика" уже выполнена в едином корпусе и оттестирована производителем.
- Для самостоятельной сборки понадобится минимум деталей.
- Качество конечного изделия будет ожидаемым.
- Традиционно меньшие габариты.
- А также меньшая сложность проектирования печатной платы.
Из-за расхождений в подходах к проектированию и различий в требованиях к выходным параметрам, производители реализуют большое количество разных микросхем. По выбору наиболее подходящего чипа можно написать отдельную книгу, но она устареет еще до того, как её напечатают.
Ниже остановимся на конкретном решении - ТДА 7560.
Характеристики TDA 7560
Данная микросхема представляет собой мостовой УМЗЧ класса AB, поддерживающий работу одновременно с четырьмя каналами звука.
Коэффициент усиления – до 27 дБ.
Мощность на выходе может достигать:
- При нагрузке (динамике) 4 Ом – 45 Вт;
- Для 2 Ом – 77 Вт.
- Пиковое (кратковременное) значение – 80 Вт для 2 Ом и 50 Вт для 4 Ом нагрузки.
Коэффициент искажения – не более 0,006% (для мощности в 4 Вт).
Питающее напряжение – не более 28 В (для коротких импульсов, менее 50 мс – не выше 50 В), номинальное – 18 В.
Температура корпуса не должна превышать показателя в 150 °С.
Весьма неплохие характеристики, подходящие для широкого круга задач в бытовых условиях. Но наличие интерфейсов управления (Mute и Stand-By) и работа сразу с 4 каналами как-бы намекает на узкую нишу – автомобильная стереосистема.
Распиновка
Схема актуальна для корпуса flexiwatt25 при виде сверху.

Рис. 1. Схема корпуса flexiwatt25 (виде сверху)
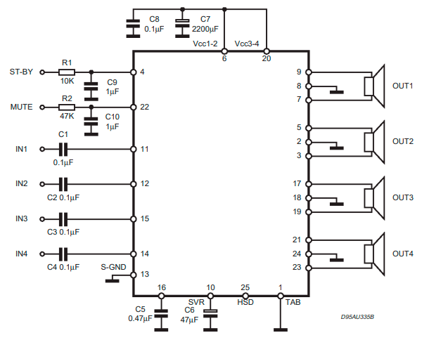
Типовая схема реализации усилителя на TDA 7560
Производитель приводит одну схему, подходящую как для тестирования микросхемы, так и для реализации полноценного четырёхканального усилителя. Она ниже.

Рис. 2. Типовая схема реализации усилителя на TDA 7560
Производитель даже предлагает вариант готовой печатной платы (можно найти в даташите).
Если планируется эксплуатация на предельной мощности, обязательно стоит задуматься о хорошей системе охлаждения (пассивный радиатор с большой площадью или с принудительным охлаждением вентилятором).
Адаптированный вариант с регулировкой тембра

Рис. 3. Вариант схемы с регулировкой тембра
Как видно выше, сама схема не сильно отличается от рекомендуемой производителем.
Однако, здесь объединены входы попарно. Теперь о том, почему это сделано.
Дело в том, что входной сигнал будет пропускаться через темброблок, собранный на основе TDA1524, а она в свою очередь работает только с двумя каналами.
Конечно, можно реализовать два независимых темброблока, и тогда каналы можно будет не объединять.
Итак, сама схема блока регулировки.

Рис. 4. Схема блока регулировки
Подключать к питанию схему регулятора лучше всего через стабилизатор напряжения.
Пара слов о блоке питания
Максимальная мощность 77 Вт * 4 канала – получается уже более 300 Вт. Конечно, это далеко от реального потребления, но блок питания для схем, обозначенных выше, должен обеспечивать минимум 100 Вт на выходе.
Готовые варианты БП мы рассмотрели ранее, например:
- Для автомобилей на основе импульсных трансформаторов;
- БП на основе классических трансформаторов;
- И т.д.
Вы можете использовать свой вариант, актуальный для ваших условий эксплуатации.
Автор: RadioRadar
