При сверлении печатных плат бывает довольно сложно прицелиться в точ ку сверления, а когда сверло быстро вращается, это сделать ещё труднее, и не редки случаи повреждения дорожек печатных плат, тем более если они тонкие. Для повышения удобства сверлени я можно использовать автоматический регулятор оборотов. Когда сверло не нагружено, оно вращается медленно, а при сверлени и устройство увеличивает обороты сверла до номинальных. Такой автомат и был сделан для совместного использования с самодельным сверлильным станочком (рис. 1), у которого мощность электродвигателя 50 Вт.

Рис. 1. Самодельный сверлильный станочек

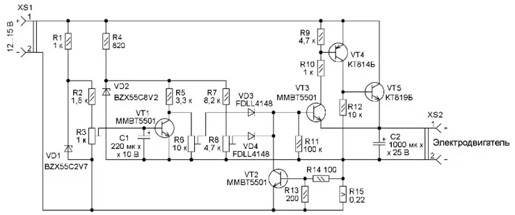
Рис. 2. Схема устройства
Схема устройства приведена на рис. 2. Оно позволяет регулировать три параметра. Резистором R8 - скорость вращения холостого хода элек-тродвигателя, резистором R6 - его номинальную скорость вращения при сверлении, а резистором R3 - ток, при котором происходит переключение этих двух режимов.
Работает устройство следующим образом. На транзисторе VT1 собран узел переключения режимов работы, на стабилитроне VD2 и резисторе R4собран параметрический стабилизатор напряжения 8,2 В, который вместе с транзисторами VT3-VT5 образует регулируемый стабилизатор напряжения. Резистором R8 устанавливают на электродвигателе напряжение, соответствующее минимальной скорости вращения и удобной для прицеливания в точку сверления. Резистором R6 устанавливают номинальную скорость вращения, чтобы было комфортно сверлить без перегрева сверла и визжания электродвигателя. На транзисторе VT2 и резисторе R15 собран узел ограничения тока.
На резисторе R1 и стабилитроне VD1 собран параметрический стабилизатор напряжения 2,7 В. На базу транзистора VT1 с подстроечного резистора R3 поступает напряжение, которое его открывает. В процессе работы на резисторе R15 появляется напряжение, пропорциональное току, протекающему через электродвигатель. Это напряжение будет закрывающим для транзистора VT1. Когда этот транзистор открыт, он шунтирует резистор R6, поэтому на базу транзистора VT3 через диод VD4 поступает напряжение с резистора R8 и электродвигатель будет вращаться медленно.
При сверлении ток через электродвигатель увеличивается, и падение напряжения на резисторе R15 будет достаточным для закрывания транзистора VT1. В результате этого на базу транзистора VT3 через диод VD3 поступит напряжение с резистора R6 и электродвигатель будет вращаться быстро. Поскольку при этом ток через электродвигатель и резистор R15 увеличится, транзистор VT1 закроется ещё больше. Так скачком происходит переключение режимов. После окончания сверления ток через электродвигатель уменьшается, и происходит обратное переключение режимов - вращение замедляется. В моём случае ток холостого хода установлен на уровне 0,4 А.
Резистором R3 устанавливают ток, при котором происходит переключение режимов и который зависит от силы нажатия сверла на печатную плату. Можно добиться, чтобы даже при небольшом касании сверла режимы переключались. Конденсатор С2 подавляет броски напряжения на электродвигателе, что повышает устойчивость переключения режимов.
На транзисторе VT2 собрана защита по току, её порог настроен примерно на 4,4 А, чтобы в случае зажати я сверла в печатной плате не сгорели транзисторы стабилизатора напряжения. При достижении заданного тока, который можно вычислить по формуле Iз = Uбэ x (R13 + R14) / (R13 xR15), где Uбэ - напряжение база-эмиттер транзистора (0,65 В), транзистор VT2 открывается, что приводит к закрыванию транзисторов VT3-VT5 и ограничению тока. Но не стоит держать сверло в зажатом состоянии слишком долго, так как на транзисторе VT5 при этом будет выделяться большая мощность, что может привести к его перегреву и выходу из строя.

Рис. 3. Чертёж печатной платы устройства и размещение элементов на ней

Рис. 4. Плата устройства в сборе
Большинство деталей смонтированы на печатной плате из одностороннего фольгированного стеклотекстолита толщиной 1...1,5 мм. Её чертёж показан на рис. 3. Применены подстроечные резисторы СП3-38б, резистор R15 - серии SQP, остальные - для поверхностного монтажа типоразмера 1206. Оксидные конденсаторы - К50-35 или импортные, клеммники XS1, XS2 - винтовые KLS2 или аналогичные. Плата закреплена на ребристом теплоотводе с такими же размерами, на котором закреплены транзисторы VT4, VT5 (рис. 4). При этом транзистор VT4 должен быть установлен через изолирующую теплопроводящую прокладку. Сам теплоотвод закреплён сзади на стойке станочка (рис. 5).

Рис. 5. Теплоотвод закреплён сзади на стойке станочка
Чертежи печатной платы устройства находятся здесь.
Автор: И. Еробкин, г. Ворсма Нижегородской обл.
