В традиционных емкостных реле, например, описанном в [1], антенна-датчик подключена к колебательному LC-контуру, служащему частотоза-дающим элементом автогенератора. При этом наводки на антенну и принимаемые ею радиопомехи по цепи положительной ОС попадают на вход активного элемента генератора (например, транзистора), усиливаются им и вызывают ложные срабатывания. Кроме того, в подобных устройствах LC-контур оказывается сильно нагруженным, что снижает его добротность и дополнительно уменьшает помехоустойчивость.
Действие других емкостных реле, например, описанных в [2, 3], основано на сравнении емкости антенны и образцового конденсатора. Подобные устройства тоже не защищены от радиопомех и наводок. Их входы не имеют никаких элементов. подавляющих посторонние воздействия. Принятые помехи практически беспрепятственно поступают на вход устройства, делая его нечувствительным к слабым сигналам.
Существуют также емкостные реле, например [4], с двумя антеннами, подключенными дифференциально. Это обеспечивает устойчивость к изменению температуры и других свойств окружающей среды, но ничуть не улучшает помехоустойчивость, особенно к радиосигналам, длина волны которых сравнима с расстоянием между антеннами. Кроме того, в межантенном пространстве образуется зона пониженной чувствительности.
Принцип действия предлагаемого емкостного реле основан на использовании LC-контура, частично расстроенного относительно частоты сигнала, поступающего от генератора. Напряжение на контуре зависит от соотношения значений емкости контура и антенны. При этом контур сохраняет свои селективные свойства, благодаря которым наводки и радиопомехи подавляются. что обеспечивает высокую чувствительность и помехоустойчивость устройства. Радиопомехи и наводки не оказывают влияния на генератор, поскольку контур не является его частью.

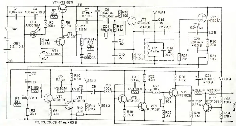
Рис. 1
Прибор, схема которого изображена на рисунке, имеет дальность обнаружения человека не менее 1.3 м, работает от автономного источника питания (батареи) напряжением 3,2...10 В потребляя ток не более 2,6 мА.
ВЧ генератор собран на транзисторе VT7. Его частота стабипизирована кварцевым резонатором ZQ1. Сигнал генератора поступает на колебательный контур L1C16 с антенной-датчиком WA1, который должен быть настроен на частоту, лежащую немного ниже частоты генератора. Наилучшая чувствительность достигается, когда напряжение на контуре составляет 70...90 % максимума, достигаемого при резонансе. Применением конденсатора С16 с оптимальным значением ТКЕ можно добиться того, что напряжение не будет выходить за указанные пределы в широком интервале температуры
Напряжение с контура поступает на амплитудный детектор, собранный на полевом транзисторе VT10. Высокое входное сопротивление этого транзистора очень слабо шунтирует контур, что обеспечивает его высокую добротность и хорошее подавление помех. Детектирование происходит за счет работы транзистора на нелинейном начальном участке характеристики.
В цепи истока транзистора VT2 имеется двузвенный фильтр нижних частот. Он сглаживает высокочастотные пульсации продетектированного напряжения и выделяет возникающий при движении объекта вблизи антенны WA1 полезный сигнал инфранизкой частоты. Переменный резистор R31 — регулятор чувствительности реле.
С выхода детектора сигнал поступает на полосовой усилитель инфранизкой частоты на транзисторах VT2, VT5, \Л"6, VT8. Нижняя граница его полосы пропускания определяется емкостью разделительных конденсаторов С2, СЗ. С6, С8. Верхняя — параметрами цепей отрицательной обратной связи C5R.3 и C13R21.
Поскольку каскады усилителя охвачены стабилизирующей их режимы отрицательной обратной связью по постоянному напряжению через резисторы R8 и R21, не потребовалось включать стабилизирующие резисторы в цепи эмиттеров транзисторов VT5 и VT8. В усилителе инфранизкой частоты эти резисторы пришлось бы зашунти-ровать конденсаторами емкостью в десятки тысяч микрофарад.
Для ускорения переходных процессов при включении реле и быстрого приведения усилителя в рабочее состояние служат резистивные делители напряжения R1R2 и R14R12. При нажатии на кнопку SB1 они обеспечивают ускоренную зарядку разделительных конденсаторов до необходимого напряжения. После включения питания необходимо нажать на эту кнопку и удерживать ее несколько секунд.
Транзистор VT9 образует вместе с VT6 и VT8 пороговое устройство. В исходном состоянии транзистор VT9 открыт, а при уменьшении под действием усиливаемого сигнала напряжения на базе приблизительно до 0,6 В он закрывается. Цепь C18R28 удерживает устройство в таком состоянии около 5 с (при указанных на схеме номиналах ее элементов). На выходе формируется сигнал тревоги — импульс высокого логического уровня указанной длительности.
Для предотвращения подачи ложного сигнала при включении питания служит транзистор VT11. Он открыт, пока конденсатор С21 заряжается через резистор R33 и эмиттерный переход транзистора. Контакты SB 1.4 обеспечивают быструю разрядку конденсатора С21 при нажатии на кнопку SB1 и повторную блокировку сигнала тревоги на заданное время после ее отпускания.
Питается емкостное реле от гальванической или аккумуляторной батареи GB1 напряжением не более 10 В Стабилизатор напряжения на транзисторах VT1. VT3, VT4 обеспечивает на своем выходе стабильное напряжение 3 В. пока батарея не разрядится до 3,2 В. Светодиод HL1, работая в режиме стабистора, поддерживает неизменным напряжение питания усилителя сигнала рассогласования на транзисторе VT1.
Антенна-датчик WA1 представляет собой отрезок тонкого провода диаметром 0,1...0,2 мм и длиной 1___1,2 м.
Она должна быть неподвижна и закреплена вертикально. В качестве катушки L1 можно применить любую экранированную нужной индуктивности имеющую ферромагнитный подстроечник для изменения индуктивности в некоторых пределах. Я применил готовую катушку с броневым ферритовым маг-нитопроводом в алюминиевом экране размерами 11,5> 11,5x17 мм.
Конденсаторы С11, С12, С14—С17 — керамические серий KM, К10 группы МПО или М47 по ТКЕ. Остальные конденсаторы (кроме оксидных) могут быть пленочными или керамическими группы ТКЕ не хуже НЗО. Оксидные конденсаторы — любых типов. Каждую из пар оксидных полярных конденсаторов С2, СЗ и С6, С8 можно заменить одним неполярным оксидным (например, К50-15) емкостью 22 мкФ на 63 В.
Частота кварцевого резонатора ZQ1 может находиться в пределах 300... 400 кГц. При значительном отличии его частоты от указанной на схеме потребуется подборка катушки L1 и конденсатора С16.
Кнопка SB1 — П2К на четыре направления без фиксации или другая с достаточным числом групп контактов на переключение.
Включив собранный прибор, необходимо. прежде всего, подборкой резистора R11 установить на выходе стабилизатора напряжения (коллекторе транзистора VT4) напряжение 3 В. Далее отпаяйте конденсатор С17 и измерьте падение напряжения на соединенных последовательно резисторах R30 и R31. Оно должно находиться в пределах 0,5...0,7 В, иначе придется подбирать полевой транзистор VT10
Вернув конденсатор С17 на место, убедитесь, что падение напряжения на резисторах возросло. При настройке контура L1C16 с подключенной антенной WA1 в резонанс на частоту генератора оно должно достигнуть примерно 2,6 В Добившись максимального значения, дальнейшим ввинчиванием пол-строечника в катушку L1 отстройте контур от резонанса настолько, чтобы напряжение уменьшилось приблизительно на 0,45 В.
Если напряжение на коллекторе транзисторов VT5 и VT8 заметно отличается от указанного на схеме, нужных значений добиваются подборкой резисторов соответственно R6 и R19 Переведя движок переменного резистора R31 в нижнее по схеме положение, постепенно увеличивают введенное сопротивление подстроечного резистора R24, пока не будет подан сигнап тревоги. Затем введенное сопротивление подстроечного резистора немного уменьшают. Чем значительнее будет это уменьшение, тем меньше вероятность пожного срабатывания реле, например, при изменении температуры или разрядке батареи GB1 но ниже чувствительность Окончательно чувствительность регулируют переменным резистором R31, уже установив емкостное реле с антенной на предназначенное ему место и проверяя размеры его чувствительной зоны.
Движки подстроечных резисторов R2 и R12 устанавливают в такие положения, при которых установившиеся значения напряжения на коллекторе транзисторов VT5 и VT8 от состояния кнопки SB1 не зависят.
Это устройство излучает в эфир сигнал, частота которого лежит в диапазоне, отведенном радионавигационнои службе. Использование подобных устройств должно быть согласовано с соответствующими государственными органами.
Литература:
1 Москвин А. Сторожевое устройство с емкостным датчиком — Радио. 2001, № 8, с. 35, 36.
2 Ершов М. Емкостный датчик — Радио 2004, №3 с. 41. 42.
3. Галков А., Хомутов О., Якунин А. Емкостная адаптивная охранная система. Патент РФ № 2297671 С2 с приоритетом от 23.06.2005 г — Бюллетень "Изобретения Полезные модели", 2007, №11.
4. Григорьев В., Власюк С., Амелькин С. Емкостное устройство для охранной сигнализации Патент РФ № 2277263 С1 с приоритетом от 19.10.2004 г. — Бюллетень "Изобретения Полезные модели", 2006, № 15.
Автор: В. Соломеин, г. Екатеринбург
