Предлагаемый вариант отладочной платы предназначен для проверки и отладки программ микроконтроллеров семейства PICmicro в корпусе DIP-28, например: PIC18F2525, PIC18F2620, PIC16F76, PIC18F73, PIC16F870, PIC18F873, PIC18F876 и многих других. Она может быть полезна как начинающим радиолюбителям, так и опытным разработчикам встраиваемого программного обеспечения.
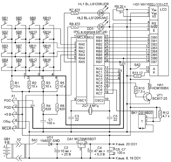
Схема отладочной платы представлена на рис. 1. Она имеет "на борту" следующий набор элементов: ЖКИ WH1602J-YYH-CT (HG1), кнопочную клавиатуру (SB1 -SB16), два светодиода для поверхностного монтажа (HL1 и HL2), звуковой излучатель HCM1606X (HA1) с встроенным генератором, цифровой датчик температуры DS18B20 (BK1), стабилизатор напряжения питания 5 В (DA1) и панель для установки микроконтроллера DD1.

Рис. 1. Схема отладочной платы
Такая комплектация позволяет загружать в микроконтроллер, установленный на плату в качестве DD1, самые разнообразные по сложности и назначению программы и проверять их в действии. Например, программу калькулятора, способного выполнять различные арифметические действия, использующую кнопочную клавиатуру и ЖКИ, или прилагаемую к статье программу цифрового термометра. Дополнительно задействовав излучатель звука HA1, можно испытывать программы различных сигнализаторов, таймеров и будильников. И многое-многое другое.
Выключатель SA1 предназначен для включения и выключения питания платы. Выключателем SA2 управляют подсветкой экрана ЖКИ, а подстроечным резистором R9 регулируют контрастность изображения на нём. Разъём X1 предназначен для подключения программатора (PicKit2, PicKit3 или аналогичного).
Чертёж отладочной платы изображён на рис. 2, её изготавливают из фольгированного с двух сторон стеклотекстолита толщиной 1,5 мм. Расположение элементов на плате показано на рис. 3. Для микроконтроллера DD1 на ней установлена панель DIP-28. Выключатели SA1 и SA2 - IS-1390. Кнопки SB1-SB16 - TC-12ET (KLS7-TS1204) или подобные.

Рис. 2. Чертёж отладочной платы

Рис. 3. Расположение элементов на плате
В качестве примера того, как работать с отладочной платой, предлагаю руководство по превращению её в цифровой термометр. Помимо самой отладочной платы в сборе и микроконтроллера PIC16F876-20I/SP, потребуются программатор PicKit2 либо PicKit3 и компьютер с установленной на нём средой разработки программ для микроконтроллеров PICmicro MPLAB IDE.
Она бесплатна, её последнюю версию (на момент написания статьи - MPLAB X IDE v.3.65) можно найти по адресу http://www.microchip.com/mplab/ mplab-x-ide на официальном сайте компании Microchip. Скачав установочный пакет этой среды, запустите её установку и следуйте выводимым на экран компьютера инструкциям. В окне Select Programs установщика отметьте "галочками" все пункты.
Можно установить и работающий совместно с MPLAB компилятор языка Си, хотя для приложенной к статье программы цифрового термометра, написанной на языке ассемблера, он не нужен. Последнюю на момент написания статьи версию компилятора XC8 Compiler V. 1.42 скачивают по адресу http://www.microchip.com/ mplab/compilers. Он предназначен для восьмиразрядных микроконтроллеров семейства PICmicro. Его бесплатный вариант отличается от платного только степенью оптимизации выходного кода и вполне достаточен для большинства задач. По умолчанию компилятор будет помещён в папку с уже установленной MPLAB Х IDE.
Запустите MPLAB Х IDE и выберите в меню PROJECTS пункт Create New, в результате чего на экране компьютера будет открыто окно New Project. Выберите в нём Standalone Project и нажмите на экранную кнопку Next. В открывшемся окне выберите тип используемого микроконтроллера (в нашем случае это PIC16F876) и, нажав на экранную кнопку Next, перейдите в окно Select Tool. Выберите в нём используемый программатор, например PicKit3. В следующем окне Select Compiler выберите ассемблер mpasm(v5.54).
И наконец, в окне Select Program Name and Folder задайте имя проекта и папку, в которой он будет храниться. Чтобы в текстах программ правильно отображалась кириллица, обязательно укажите в поле Encoding кодировку windows-1251. В завершение подготовки к созданию проекта нажмите на экранную кнопку Finish.
В открывшемся окне на вкладке Projects щёлкните правой кнопкой мыши по пункту Source Files и выберите в выпавшем меню пункт Add existing items. Укажите путь к заранее помещённому на жёсткий диск компьютера (желательно в папку проекта) файлу исходного текста программы на языке ассемблера. В нашем случае это файл Thermo.asm из приложения к статье.
Дважды щёлкните левой кнопкой мыши по имени добавленного файла. Он будет открыт в окне редактора среды MPLAB. Затем нажмите на экранную кнопку с изображением молотка
. Начнётся трансляция программы. О её успешном завершении будет свидетельствовать сообщение "BUILD SUCESSFUL" в окне Output. В папке проекта появится готовый к загрузке в память микроконтроллера HEX-файл.
Теперь остаётся только запрограммировать микроконтроллер. Для этого необходимо подключить программатор к отладочной плате, как показано на рис. 4 (надпись на экране индикатора появится только после завершения программирования и запуска программы). Учтите, что расположение одноимённых контактов соединяемых разъёмов отладочной платы и программатора различно. Программатор необходимо также соединить с компьютером.

Рис. 4. Подключение программатора к отладочной плате
Прежде чем приступать к программированию, необходимо подать на разъём X2 напряжение питания 6...15 В от любого источника, например батареи "Крона" (6А22). Запитать плату можно и от программатора. Для этого следует в окне Project Properties выбрать категорию Conf:[default], а в ней выбрать пункт с именем используемого программатора. В поле Option categories следует установить Power, и в появившемся списке отметить строку "Power target circuit from...", завершающуюся именем выбранного программатора.
Чтобы выполнить трансляцию программы и программирование микроконтроллера, нажмите на экранную кнопку
. Об успешном завершении программирования будет свидетельствовать сообщение "Programming/Verify complete". Отладочная плата превратилась в цифровой термометр.
Загрузить имеющийся HEX-файл программы в установленный на отладочную плату микроконтроллер можно, не запуская MPLAB X IDE, с помощью утилиты MPLAB IPE. Онаустанавливает-ся автоматически вместе со средой и служит для непосредственного программирования микроконтроллера, стирания и чтения его памяти. Запустив MPLAB IPE 3.65 из меню "Пуск" компьютера, в открывшемся окне нужно указать тип используемого микроконтроллера и путь к подлежащему загрузке HEX-файлу. В данном случае - к приложенному к статье файлу Thermo.hex, который должен быть заранее помещён на один из дисков компьютера.
Программа сама опознает подключённый к компьютеру программатор PicKit3 или другой из имеющегося в ней списка. Подключив отладочную плату к программатору, нажмите на экранную кнопку Program. Но если микроконтроллер уже был в употреблении и в его памяти записана какая-либо информация, предварительно нужно её стереть, нажав на экранную кнопку Erase. После успешного завершения программирования на экране компьютера вслед за списком запрограммированныхобластей памяти микроконтроллера появится сообщение "Programming/Verify complete".
Программа цифрового термометра находится здесь.
Автор: В. Лазарев, г. Вязьма Смоленской обл.
