Радиолюбители, конструирующие импульсные усилители ЗЧ класса UcD, зачастую сталкиваются со сложностью определения их ключевого параметра - петлевого усиления. В данной статье описан довольно простой способ сделать это с помощью программы моделирования Microcap.
Прежде чем приступить к получению графика частотной зависимости усиления в петле обратной связи стандартного усилителя класса UcD [1], разберём его работу. Коэффициент ослабления сигнала на входе компаратора по отношению к выходному сигналу равен общемукоэффициентуусиления выходной ступени (компаратора и ключей). К сожалению, анализ модели усилителя по переменному току с помощью программы Microcap, проведённый в предыдущей моей статье [2], не дал правильных результатов. Причина этого в том, что программа считает применяемый компаратор идеальным.
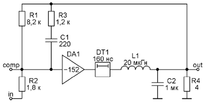
На выручку приходит анализ переходных процессов (transients). Пользуясь моделью усилителя, схема которой приведена на рис. 1, зададим напряжение питания +/-36 В и найдём постоянное напряжение на неинвертирующем входе компаратора при заданном входном постоянном напряжении 1 В. Затем откроем вкладку Scope/Measurements и выведем на неё параметры V(comp) и V(out) (рис. 2).

Рис. 1. Схема усилителя

Рис. 2. Диалоговое окно Scope/Measurements
Будем считать, что форма остатка несущей на входе компаратора близка к синусоидальной. Это не совсем так, но при небольшой глубине широтно-импульсной модуляции даёт достаточную точность. Для определения постоянной составляющей воспользуемся функцией усреднения average. Видно, что коэффициент усиления усилителя равен 4,387, а среднее значение напряжения на входе компаратора - 28,9 мВ. Соответственно, коэффициент усиления постоянного напряжения в петле обратной связи - 4,387/0,0289 ≈ 152.
Заменим, как показано на рис. 3, компаратор макросом усилителя "amp" из библиотеки программы Microcap и зададим его коэффициент усиления минус 152 (так как выходной каскад реального усилителя - инвертирующий). Теперь можно воспользоваться анализом по переменному току и получить зависимость коэффициента усиления в петле обратной связи от частоты, показанную на рис. 4.

Рис. 3. Схема устройства с изменениями

Рис. 4. Зависимость коэффициента усиления в петле обратной связи от частоты
Аналогичным образом можно проанализировать и более сложный усилитель с дополнительным звеном, который увеличивает усиление на звуковых частотах. Этот узел условно называют интегратором. Схема его модели показана на рис. 5, а частотная зависимость его коэффициента усиления изображена на рис. 6. Видно, что после подъёма на частоте 1 кГц коэффициент усиления спадает. Однако на низких частотах усиление завышено, поэтому необходимо ввести коррекцию. Для этого параллельно цепи C1,R3,C2 установим резистор сопротивлением 56 кОм. График АЧХ после коррекции приобретает вид, показанный на рис. 7. Схема модели усилителя с интегратором показана на рис. 8.

Рис. 5. Схема усилителя

Рис. 6. Частотная зависимость коэффициента усиления устройства

Рис. 7. График АЧХ после коррекции

Рис. 8. Схема модели усилителя с интегратором
При подаче на вход постоянного напряжения 1 В среднее напряжение на неинвертирующем входе ОУ DA1 этого усилителя - 1,737 мВ (рис. 9). Таким образом, усиление в петле обратной связи равно 1/0,001737=576, что соответствует 55,2 дБ. Напомним, сам по себе UcD-усилитель имел усиление 30,8 дБ, "интегратор" добавил ещё 56000 Ом/3000 Ом = 18,7 раз, или 25,4 дБ. Итого - 30,8+25,4 = 56,2 дБ. Снова заменим компаратор макросом усилителя с коэффициентом усиления -152 и применим анализ по переменному току для построения зависимости ослабления входного сигнала в точке i_in от частоты. Она изображена на рис. 10.

Рис. 9. Диалоговое окно Scope/Measurements

Рис. 10. Зависимость ослабления входного сигнала в точке i_in от частоты
Для проверки описанной методики я выполнил компьютерное моделирование и анализ распространённого усилителя nc-400, описанного в [3]. Задержку в этом усилителе принял равной 100 нс. Номиналы элементов цепей обратной связи взял из инструкции по обслуживанию (service manual) этого усилителя. Получил такие значения: коэффициент усиления - 4,1, петлевое усиление ступени UcD на постоянном токе - 30,2 дБ; общее петлевое усиление на постоянном токе - 52,7 дБ. Это отличается от данных, приведённых в [3], менее чем на -0,3 дБ.
Литература
1. Putzeys B. Simple Self-Oscillating Class D Amplifier with Full Output Filter Control. - URL: https://www.hypex.nl/img/upload/doc/an_ wp/WP_AES118BP_Simple_self-oscillating_ class%20D_amplifier.pdf (14.08.16).
2. Игнатьев Ю. Улучшение параметров УМЗЧ класса D на примере разработки автомобильного усилителя высокого класса. - Радио, 2016, № 1, с. 8-13.
3. Putzeys В. Ncore Technology White Paper Version 0.0. - URL: https://www.hypex.nl/img/ upload/doc/an_wp/WP_Ncore_Technology. pdf (14.08.17).
Автор: Ю. Игнатьев, г. Ивано-Франковск, Украина
