Этот несложный для повторения прибор с автономным питанием позволяет подобрать биполярные n-p-n транзисторы с равными коэффициентами передачи тока базы, а n-канальные полевые транзисторы с изолированным затвором - пороговыми напряжениями и крутизной.
Впрактике радиолюбителя иногда возникает необходимость выборки биполярных транзисторов с равными коэффициентами передачи тока базы или полевых с пороговыми напряжениями и крутизной. Параметры транзисторов, даже из одной партии, могут иметь разброс, поэтому в случае их приобретения во избежание лишних затратжелательно сделать выборкупри покупке. Обычно продавцы, услышав о намерении приобрести не один, а несколько транзисторов при условии их предварительного отбора, не препятствуют контролю их параметров до оплаты. Радиорынки и специализированные магазины, торгующие радиодеталями в широком ассортименте, находятся в больших городах, посетить которые автору удаётся не чаще, чем несколько раз в год, поэтому в таких поездках я пользуюсь портативным карманным прибором, с помощью которого подбираю транзисторы в пары. Описание этого прибора предлагаю вниманию радиолюбителей.
С его помощью можно определить неисправные транзисторы, подбирать в пары как n-канальные полевые транзисторы различной мощности - от маломощных до мощных, так и биполярные транзисторы структуры n-p-n преимущественно малой и средней мощности. Время измерения параметров транзисторов и фиксация резуль-татов измерения не превышает нескольких секунд, а простой алгоритм анализа результатов и отсутствие каких-либо вычислений упрощают пользование прибором.
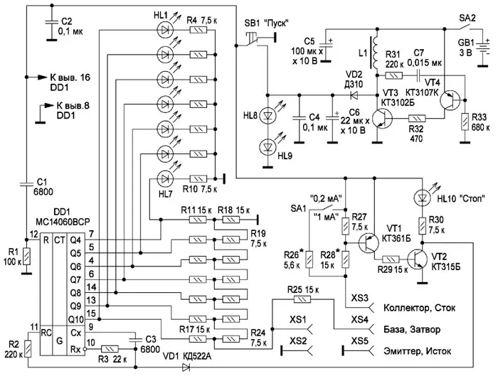
Схема прибора изображена на рис. 1. Он содержит генератор ступенчато возрастающего напряжения на микросхеме DD1 и резистивной матрице R11-R24, а также усилитель постоянного тока на транзисторах VT1 и VT2. Питание устройства осуществляется от батареи GB1 напряжением З В (два элемента типоразмера АА). Для повышения напряжения питания генератора и усилителя до 6 В применён повышающий преобразователь напряжения по схеме несимметричного мультивибратора на транзисторах VT3, VT4 с накопительным дросселем L1. Выходное напряжение преобразователя стабилизировано параметрическим стабилизатором на светодиодах HL8 и HL9 синего свечения с прямым падением напряжения на каждом 2,9...3,1 В, причём один из них смонтирован на лицевой панели прибора для индикации включения.
Генератор ступенчато возрастающего напряжения собран на основе микросхемы МС14060ВСР, содержащей 14-разрядный двоичный счётчик и два инвертора, предназначенных для построения тактового генератора совместно с внешними элементами (R2, R3 и С3 на рис. 1). При подаче питания кнопкой SB1 цепь R1C1 устанавливает все счётчики микросхемы в исходное состояние логического нуля, после чего начинается непрерывный счёт импульсов тактового генератора, частота которого задана цепью R3C3. Резистивная матрица R-2R на резисторах R11 -R24 - цифроаналоговый преобразователь семиразрядного двоичного кода с выхо-дов счётчика в ступенчато возрастающее напряжение. Максимальное число ступеней равно 128. При напряжении питания 6 В значение ступени, вес, равно 0,047 В (6 В / 128 = 0,047 В). Све-тодиоды HL1 -HL7, подключённые к выходам счётчика через токоограничи-тельные резисторы R4-R10, визуально отображают их состояния и значения входного параметра для испытуемого транзистора в двоичном коде.

Рис. 1. Схема прибора
Рассмотрим случай, когда ступенчато возрастающее напряжение подаётся на затвор испытуемого полевого транзистора с изолированным затвором и индуцированным каналом (МОП или МДП, англ. MOSFET), подключённого к гнёздам XS3-XS5. По мере его роста и достижения порогового значения транзистор начинает открываться, и когда ток стока достигнет значения 0,2 мА при разомкнутых контактах переключателя SA1, выходной транзистор VT2 усилителя постоянного тока открывается, останавливая работу тактового генератора микросхемы DD1 подачей уровня лог. 0 через диод VD1. Загоревшийся свето-диод HL10 "Стоп" сигнализирует об окончании счёта, светодиоды HL1-HL7 отображают состояния выходов счётчика микросхемы в двоичном коде на этот момент. При замкнутых контактах переключателя SA1 транзистор VT2 усилителя открывается при токе стока 1 мА. Подбор полевых транзисторов по равным пороговым напряжениям производится при токе стока 0,2 мА по совпадению кодов счётчика. Для подбора в пары транзисторов по крутизне необходимо сравнить коды счётчика для каждого транзистора при токах 0,2 и 1 мА. Так как крутизна - отношение приращения тока стока к приращению напряжения затвор-исток, то при равенстве кодов при обоих токах сравнения она у таких транзисторов будет одинакова. При необходимости пороговое напряжение транзисторов можно измерить, подключив к гнёздам XS1, XS2 цифровой вольтметр.Коэффициент передачи тока базы биполярных n-p-n транзисторов измеряют в схеме с общим эмиттером. Как известно, транзистор при таком включении имеет низкое входное сопротивление. Резистивная матрица R11-R24 сравнительно высокоомна, и если нагрузить её на низкое входное сопротивление биполярного транзистора, то для него генератор ступенчато возрастающего напряжения превратится в генератор ступенчато возрастающего тока базы.
При подключении к гнёздам XS3- XS5 испытуемого биполярного транзистора с формированием каждой ступени входного тока (тока базы) будет возрастать его ток коллектора. По достижении тока коллектора значения 0,2 мА при разомкнутых контактах переключателя SA1 или 1 мА при замкнутых, как уже сказано выше, работа тактового генератора будет остановлена и светодиоды HL1-HL7 станут индицировать достигнутое состояние счётчика. Для транзисторов с одинаковыми коэффициентами передачи тока остановки ге-нератора будут при равенстве их базовых токов, т. е. выходные коды, как и в случае полевых транзисторов, будут совпадать.
Подбирать в пары биполярные транзисторы следует тоже при двух значениях тока коллектора. Как показывает моя практика, если коэффициенты передачи тока совпадают на малых токах коллектора, они совпадают и на больших токах у большинства транзисторов из одной партии. Окончательный подбор пар п-р-п транзисторов производят при токе коллектора, при котором они будут работать.
Устройство безопасно для испытуемых транзисторов. Напряжение на гнёздах XS3-XS5 не превышает 6 В, ток через них ограничен значением 1 мА. Подключение и отключение транзисторов всегда происходят при отсутствии напряжений на гнёздах при отпущенной кнопке SB1, через нормально замкнутые контакты которой осуществляется разрядка всех ёмкостей, как в составе прибора, так и входных и выходных у испытуемыхтранзисторов.
Рассмотрим последовательность работы с прибором.
В гнёзда XS3-XS5 устанавливают испытуемый транзистор в соответствии с цоколёвкой. Переключатель SA1 устанавливают в положение "0,2 мА". Выключателем SA2 включают питание. По наличию свечения светодиода HL8, установленному на передней панели, убеждаются в исправности источника питания и готовности прибора к работе, после чего нажимают на кнопку SB1 "Пуск" - на микросхему DD1 и усилитель постоянного тока подаётся напряжение питания. Далее возможны три случая.
1. При погашенных светодиодах HL1-HL7 загорается светодиод HL10 "Стоп". У испытуемого транзистора пробит канал сток-исток или участок коллектор-эмиттер - при нулевом напряжении на затворе (нулевом токе базы) ток стока (коллектора) превысил 0,2 мА. Такой транзистор забраковывают.
2. Начинают поочерёдно загораться светодиоды HL1-HL7. У светодиодов младших разрядов HL5-HL7 из-за высокой частоты переключения свечение воспринимается непрерывным, у свето-диодов старших разрядов HL2-HL4 мигание заметно. Если светодиод HL1 постоянно мигает с частотой примерно 3 Гц, то это свидетельствует о том, что счётчик DD1 прошёл все возможные состояния и испытуемый транзистор открыть не удалось - у него обрыв или короткое замыкание в цепи затвора или базы. Такой транзистор также забраковывают.
3. После непродолжительного мигания светодиодов HL1-HL7 загорается светодиод HL10 "Стоп" и счётчик останавливается. Показания, отображающиеся в двоичном коде, фиксируют: "0" - погашенный светодиод из числа HL1- HL7, а "1" - светящийся. Переключатель SA1 переводят в положение "1 мА" и нажимают на кнопку "Пуск", после чего снова фиксируют показания.
Далее извлекают транзистор из гнёзд, устанавливают следующий и все манипуляции повторяют.
Микросхему MC14060BCP можно заменить любым аналогом серии 4060В, транзисторы - любые маломощные кремниевые соответствующей структуры. Коэффициент передачи тока базы транзистора VT4 должен быть не менее 400. При отсутствии такого транзистора его можно заменить другим, с меньшим усилением по току, подобрав сопротивление резисторов R31 и R33 так, чтобы блок питания обеспечил стабильное напряжение 5,8...6 В при токе нагрузки 6 мА и изменении напряжения питания от 2,2 до 3 В. Диод VD1 - любой маломощный кремниевый, германиевый диод VD2 можно заменить маломощным диодом Шотки, в случае отсутствия такового можно установить и кремниевый диод, но при этом ухудшится использование ёмкости батареи питания. Дроссель L1 применён готовый от сетевого фильтра на гантелеобразном магнитопроводе ЭПРА неисправной КЛЛ. Все светодиоды - маломощные повышенной яркости свечения. HL2- HL9 - синего свечения, HL1 и HL10 для повышения заметности - красного. Оксидные конденсаторы - импортные, остальные - керамические КМ5. Резисторы - любые, причём резисторы R11-R24 в матрице желательно подобрать с точностью не хуже 2 %. Переключатели SA1 и SA2 - движковые
ПД9-2, кнопка SB1 - микропереключатель МП3-1. Гнёзда XS1-XS5 могут быть любыми, подходящими из имеющихся.
Устройство собрано навесным монтажом на двух фрагментах универсальной макетной платы (соответственно для преобразователя напряжения и самого прибора). Корпус взят от неисправного пульта ПДУ от видеотехники. Имеющаяся в нём плата использована как шасси, причём светодиоды и микропереключатель смонтированы на шасси, а движковые переключатели - на верхней панели. Гнёзда для вольтметра установлены на месте светодиода ПДУ.
Фальшпанель изготовлена из плотной бумаги. После нанесения всех над-
писей её ламинируют толстой прозрачной плёнкой, наклеивают на верхнюю панель ПДУ и вырезают плёнку напротив всех отверстий. Такая фальшпанель проста в изготовлении и довольно стойка против механических воздействий и истирания. Внешний вид прибора показан на рис. 2.

Рис. 2. Внешний вид прибора
Налаживание заключается в подборе сопротивления резисторов R26 и R28 для получения указанных токов.
При наличии корпуса достаточного объёма, в котором можно разместить четыре элемента АА или ААА, прибор можно упростить, исключив преобразователь напряжения, и подать питание непосредственно от батареи из этих элементов.
Автор: К. Мороз, г. Белебей, Башкортостан
