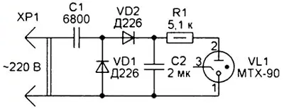
Этот сигнализатор отличается простотой и, главное,чрезвычайно малой потребляемой мощностью, поскольку работает в импульсном режиме. Он построен по схеме, изображенной на рис. 1. Его основной узел, состоящий из конденсаторов 01, 02 и диодов VD1, VD2, похож по схеме на выпрямитель с удвоением напряжения, отличаясь от него значениями емкости конденсаторов.

Рис .1
Под действием первого отрицательного полупериода сетевого напряжения конденсатор 01 заряжается через диод VD1 до амплитудного значения этого напряжения, а в следующем (положительном) полупериоде сетевое напряжение в сумме с напряжением на заряженном конденсаторе 01 оказывается приложенным к диоду VD1 в обратном направлении, а к диоду VD2 - в прямом. В результате порция заряда конденсатора 01 передается конденсатору 02, напряжение на котором увеличивается на

где Um - амплитуда сетевого напряжения. Примерно такое же приращение (оно уменьшается по мере зарядки кон-денсатора 02) напряжение на нем получает в каждом следующем периоде сетевого напряжения. В результате напряжение, приложенное к промежутку анод-катод тиратрона VL1, нарастает ступенчато, как показано на графике рис. 2. Для наглядности график построен для емкости конденсатора 01, в несколько раз большей указанной на схеме. Поэтому и высота ступенек напряжения на нем больше, чем в действительности, а их число меньше.

Рис. 2
Тиратрон, поскольку его управляющий электрод никуда не подключен, работает в данном устройстве как обычная неоновая лампа. По достижении напряжения зажигания U, в нем вспыхивает газовый разряд и конденсатор 02 быстро разряжается током, текущим через резистор R1 и промежуток анод-катод тиратрона, до напряжения гашения разряда U,. Далее зарядка конденсатора повторяется, но уже начиная с уровня Ur. Период повторения вспышек Т (в секундах) можно рассчитать по формуле

где F - частота питающего напряжения, Гц. Поскольку отношение равной 1/Т частоты импульсов тока разрядки конденсатора 02 к частоте питающего напряжения остается постоянным при изменении последней, подобные устройства до появления цифровых микросхем широко использовались в качестве аналоговых делителей частоты.
При желании последовательно с тиратроном EL1 можно включить один или несколько светодиодов. Все они будут вспыхивать одновременно. Нужно лишь выбрать резистор R1 таким, чтобы амплитуда импульсов тока не превышала допустимого для примененных светодиодов значения.
Автор: Р. Закиров, г. Бирск, Башкортостан
