Потребность в электронной нагрузке возникает, как правило, при ремонте или тестировании блоков питания (БП) в качестве удобной замены набора пассивных нагрузок в виде мощных резисторов. Популярность электронных нагрузок среди радиолюбителей обусловлена как отсутствием высоких требований к их точности и стабильности параметров, так и относительной дешевизной компонентов, включая мощные МОП-транзисторы и индикаторы с применением микроконтроллеров (МК). Конструкция электронной нагрузки, как правило, очень проста - обычно это источник тока на биполярном или МОП-транзисторе, установленном на теплоотвод соответствующей эффективной площади. Но проблемы начинаются при мощности нагрузки 100 Вт и более, поскольку теплоотвод приобретает настолько большие размеры, что приходится прибегать к его активному охлаждению вентилятором. В результате при мощностях более 200 Вт устройство начинает представлять собой весьма громоздкую конструкцию. Конечно, для профессиональных целей большие габариты и масса не являются препятствием к использованию, но, с другой стороны, для профессионалов промышленностью выпускаются специальные приборы, в т. ч. и электронные нагрузки.
Выходом из положения является применение жидкостного охлаждения, но не традиционного с теплообменником, помпой и расширительным бачком, а в буквальном смысле охлаждения нагревающегося элемента в жидкости, в данном случае в воде. Этот метод дав-но известен. Например, довольно широко распространено тестирование промышленного блока питания на 24 В подключением к нему низкоомного мощного проволочного переменного резистора серии ППБ, опущенного в ёмкость с водой. Такой метод прост и надёжен, но для радиолюбительской практики, на взгляд автора, малопригоден ввиду своей узкой специализации по параметрам, и для охвата всей номенклатуры попадающих на стол радиолюбителя источников питания потребуется содержать коллекцию таких резисторов.
В [1] рассмотрен вариант указанного выше технического решения с помощью выносного нагревающегося элемента - мощного МОП-транзистора. Этот метод обладает двумя недостатками. Во-первых, гидроизоляция транзистора без каких-либо дополнительных элементов делает её малонадёжной, и, как следствие, возникает необходимость в периодическом её обновлении. А во-вторых, оказался проигнорирован тот факт, что потребность в электронной нагрузке мощностью в 500 Вт у радиолюбителя очень редка, например, промышленный БП на 24 В и ток 20 А - сам по себе эксклюзив. Очевидно, что в большинстве случаев будет востребована электронная нагрузка гораздо меньшей мощности, а поэтому и ставить каждый раз на стол банку с водой, по мнению автора, мягко говоря, неудобно. Это означает, что более предпочтительно иметь малогабаритную электронную нагрузку относительно небольшой мощности с возможностью обеспечения её внешнего эффективного охлаждения в случае необходимости.

Рис. 1. Основные составляющие устройства
На рис. 1 показаны основные составляющие изготовленного автором устройства, отвечающего указанным выше требованиям, которые поясняют главный принцип его изготовления. Важно, что в данном случае применены общедоступные материалы, а именно алюминиевая квадратная труба размерами 40x40 мм и заглушка к нему. И то, и другое продаётся в магазинах сети "Леруа Мерлен" и аналогичных. К сожалению, из-за того, что заглушка выполнена не из резины, а из пластика, необходимость применения герметика сохранилась, но, в отличие от конструкции в [1], эта необходимость носит однократный характер.

Рис. 2. Собранное и готовое к эксплуатации устройство

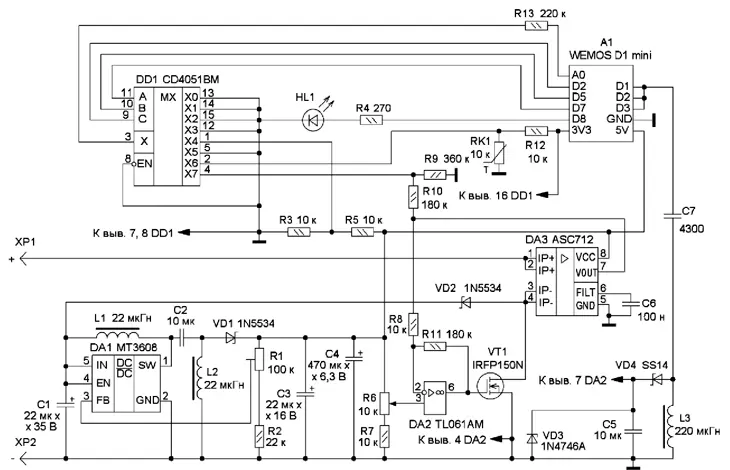
Рис. 3. Схема устройства
На рис. 2 показано собранное и готовое к эксплуатации устройство, а на рис. 3 - его схема. Как и в [1], здесь для измерения тока использован датчик тока ACS712 (DA3) от Allegro MicroSystems, Inc. Эти датчики выпускаются на максимальный измеряемый ток 5, 20 или 30 А. Связано это, прежде всего, с тем, что, по мнению автора, этот датчик не имеет альтернативы, несмотря на его относительно высокую стоимость. Но широкий интервал измеряемых токов не оставляет иного выбора, поскольку типовой резистивный датчик тока, рассчитанный на ток от 1 до 20 А, окажется весьма габаритным и теплонагруженным, а АЦП Мк, как правило, тоже имеют ограничения по измерению слабых сигналов. Для радиолюбителя датчик ACS712 имеет ещё одно преимущество - его точность настолько высока, что для налаживания прибора нет необходимости в амперметре на 20 А, вместо этого достаточно измерять напряжение на выходе датчика.
В электронных нагрузках изначально заложена проблема питания. С одной стороны, широкий интервал напряжения такого питания (от 3,3 В до 24 В и более) обуславливает использование автономного источника питания, а с другой - автономный источник делает пользование прибором неудобным. В [1] эта проблема была решена "в лоб", сначала с помощью повышающего преобразователя входное напряжение повышалось до 20 В, а затем с помощью линейного понижающего стабилизатора - до 5 В, необходимого для питания МК и светодиодного индикатора. Необходимость напряжения 20 В обусловлена тем, что для полного открытия мощного МОП-транзистора напряжения 5 В на его затворе зачастую недостаточно, поэтому управляющий этим транзистором ОУ питают от этого повышенного напряжения. В предлагаемом устройстве использован преобразователь напряжения SEPIC (Single-ended prima-ry-inductor converter), более известный в русскоязычной литературе как повышающий/понижающий преобразователь. Этот преобразователь выдаёт на выходе напряжение 5 В при изменении напряжения на входе от 3,3 В до 24 В.
К сожалению, автору не удалось найти ничего более доступного из SEPIC, кроме переделанного и широко известного модуля MT3608 на одноимённой микросхеме. С другой стороны, существуют уже опробованные радиолюбителями переделанные модули этого типа, например [2]. Проведённая проверка показала пригодность такого модуля для целей разработки, с той лишь разницей, что вместо замены под-строечного резистора вновь вводимой катушкой индуктивности автор предпочёл приклеить её на имеющуюся, сохранив на плате модуля этот резистор. На рис. 3 полностью показана схема доработанного модуля MT3608, здесь вновь введённые элементы - C2 и L2.
У этого модуля обнаружились два существенных недостатка. Первый из них - это недостаточная стабильность выходного напряжения, вследствие чего пришлось вводить дополнительный канал измерения его выходного напряжения. Второй - практически мгновенное выгорание микросхемы при срабатывании защиты испытуемого источника питания. Как оказалось, это происходит из-за способности модуля работать при очень низких напряжениях (0,9 В), из-за чего слишком медленное падение выходного напряжения испытуемого источника питания вследствие большой ёмкости конденсаторов на его выходе приводило к перегреву ключевого транзистора в микросхеме МТ3608. Эта проблема была решена путём введения диода VD2. Установка дополнительного конденсатора С4 сравнительно большой ёмкости на выходе преобразователя обусловлена необходимостью предотвращения перехода пары электронная нагрузка - источник питания в режим низкочастотной генерации, что происходит часто при наличии у последнего защиты от короткого замыкания.
Как уже упоминалось ранее, для эффективного управления мощным МОП-транзистором выходного напряжения МК недостаточно, поэтому был использован преобразователь напряжения на основе последовательного резонансного контура [3]. Очевидно, что если генерируемое с помощью последовательного резонанса выпрямленное напряжение в состоянии управлять МОП-транзистором в ключевом режиме, оно тем более сможет это делать и в аналоговом, что и требуется для электронной нагрузки. Однако испытания показали, что использование резонансного преобразователя для управления затвором МОП-транзистора непосредственно приводило к слишком широкому варьированию напряжения на затворе, что, очевидно, связано с инерционностью как выпрямителя, так и узла управления на МК в целом. Поэтому было принято решение отказаться от применения МК для прямого управления затвором, сохранив за ним функцию измерителя тока. Тем не менее резонансный преобразователь был использован в качестве источника питания регулирующего ОУ - это элементы С7, С5, L3 и VD4. Стабилитрон VD3 ограничивает выходное напряжение преобразователя.
С целью снижения нагрузки резонансного преобразователя и с учётом того, что нагрузкой ОУ фактически является ёмкость затвора МОП-тран-зистора, был применён малопотребляющий ОУ. Выбор пал на доступный TL061 с током потребления не более 200 мкА. Управление затвором осуществляется напрямую, так как в этом ОУ предусмотрена защита от короткого замыкания, необходимая для управляющего затвором выходного каскада ОУ. В качестве регулирующего МОП-транзис-тора выбран IRFP150N. Такой выбор был обусловлен прежде всего типом корпуса - ТО-247, который в применённой конструкции удобнее корпуса ТО-220. При выборе транзистора необходимо учитывать, что отбор параметров и, в первую очередь, максимального тока следует вести не для температуры 25 оС, а для температуры 100 оС. Этот же принцип предпочтителен и при выборе всех остальных элементов, поскольку вентиляция внутри корпуса прибора носит естественный характер.
Сейчас стало нормой использовать МК только для управления и индикации, благо их относительная дешевизна и доступность позволяют сделать это. Однако, если приглядеться ко многим таким устройствам, можно обнаружить, что управление и индикация как структурно, так функционально и конструктивно нередко превалируют над главным назначением прибора. При конструировании радиолюбительских приборов нередко возникает проблема в размещении органов индикации и управления - дисплея, индикаторов и кнопок. В то же время уже давно известна и активно развивается технология IoT (Internet of Things - Интернет вещей) - концепция сети передачи данных между физическими объектами ( вещами ), оснащёнными встроенными средствами и технологиями для взаимодействия друг с другом или с внешней средой. Для радиолюбителя IoT не чужда, ведь "вещи" - это его приборы. В настоящее время целый ряд фирм выпускает чипы и модули для IoT, но наиболее доступны и раскручены в радиолюбительских целях МК и модули от Espressif Systems, которые, несмотря на целый букет недостатков и справедливых претензий, остаются наиболее предпочтительными для радиолюбителя с точки зрения как доступности, так и цены.
Поэтому в разработанной электронной нагрузке применён модуль NodeMCU, именуемый часто как WEM0S D1 mini R1 (А1), построенный на МК ESP8266. Основное его назначение - снятие аналоговых данных (напряжения) с датчика тока ACS712, их обработка и последующая выдача по радиоканалу Wi-Fi на компьютер или смартфон. Причём никаких специальных программ или приложений на ПК или смартфоне не требуется, вывод идёт в любом браузере. Примечательно, что вывод информации на экран не разукрашен баннерами, таблицами и мультиками. Выводится только само значение с двумя знаками после запятой и обозначение единицы измерения - А (рис. 4). Это вовсе не означает, что общение прибора с ПК должно быть столь минималистски ограничено, ведь можно выводить целые таблицы данных и оперативно вводить свои параметры, и опять-таки без каких-либо приложений, кроме обычного браузера.

Рис. 4. Вывод информации на экран мобильного устройства
Применение МК ESP8266 широко освещено в Интернете, и для радиолюбительских целей автор порекомендовал бы работы Rui Santos [4] и Сергея Третьякова [5], так как они позволяют сравнительно легко и с минимальными познаниями программирования свести примеры этих авторов до необходимого для радиолюбителя минималистского уровня. В данном случае пример [4] низведён до вывода одного-единственного значения без каких-либо дополнительных украшательств, что объясняется не только интересом автора, но и ограниченными возможностями МК ESP8266. По сути, экран монитора ПК или дисплей смартфона использован как индикатор, и автор считает такой функционал для электронной нагрузки необходимым и достаточным. Как это выглядит на практике в данном случае, можно увидеть на рис. 4. Светодиод синего цвета встроен в модуль А1, и в данном случае его работа включена в цикл, т. е. он индицирует факт выхода МК в рабочий режим.
Код для МК ESP8266 был написан на Arduino, но, к сожалению, её возможностей не хватило - максимальная частота PWM оказалась слишком мала для создания преобразователя напряжения с последовательным резонансом. Поэтому автору пришлось подключать библиотеку pwm.c от Stefan Bruns [6], что позволило получить выходную частоту около 147 кГц. С целью снижения выходного сопротивления три вывода МК ESP8266 включены параллельно.
Так как МК ESP8266 имеет только один вход АЦП, он был задействован через аналоговый мультиплексор DD1. Сигнал с выхода датчика тока ACS712 через делитель напряжения R9R10 поступает на вход мультиплексора DD1. Наличие делителя обусловлено недопустимостью подачи на мультиплексор напряжения, превышающего напряжение питания. В этом же цикле проводится измерение напряжения на выходе делителя R3R5, которые позволяют скорректировать вычисления в связи с недостаточно высокой стабильностью напряжения питания 5 В и его несогласованностью с питанием 3,3 В для МК. Каждое из этих измерений производится четыре раза с последующим усреднением, что позволяет нивелировать измерение помех на входе АЦП и сгладить его показания. В этом же цикле измеряется напряжение на выходе резистивного делителя RK1R12, в котором применён терморезистор (NTC), установленный на плате в максимальной близости от МОП-транзистора VT1. В случае превышения предельно допустимой температуры импульсов на выходах D1-D3 модуля A1 не будет, ОУ DA2 лишается питания, и соответственно напряжение на его выходе становится близко к нулю, что обеспечивает закрытие транзистора VT1 и тока через него не протекает. При этом включается светодиод HL1 красного свечения, сигнализируя о том, что надо дать возможность теплоотводу остынуть (если измеряемый ток небольшой) либо погрузить прибор в воду для производства дальнейших работ с испытываемым источником питания.
Резистор R13 предусмотрен на тот случай, когда в приобретённом модуле А1 его нет, но чаще всего он в модуле присутствует, тогда вместо этого резистора устанавливают перемычку.
Вызывает недоумение тот факт, что IoT так мало используется радиолюбителями, хотя любое устройство, которое не требует постоянного наблюдения, является потребителем такой технологии. Например, самый обычный электронный термостат при применении в нём IoT освобождается от необходимости создания панели управления как таковой, расширяя при этом функционал этого управления почти безгранично недорогими и общедоступными средствами. С помощью смартфона можно легко и удобно вводить не только пороговую температуру, но и гистерезис, тип датчика, точки аварий и постоянные времени ПИД.
Программа для микроконтроллера находится здесь.
Литература
1. Электронная нагрузка на 20 А с жидкостным охлаждением. - URL: https://forum. cxem. net/index. php?/topic/221371 электронная-нагрузка-на-20а-с-жидкостным-охлаждением/&ЦаЬ= comments#comment-3396968 (28.03.21).
2. Пара Step-Up конвертеров и их небольшой апгрейд до SEPIC. - URL: https:// mysku.ru/blog/aliexpress/36199.html (28.03.21).
3. Булычев Ю. Микроконтроллер управляет мощными МОП-транзисторами. - Радио, 2021, № 3, с. 26, 27.
4. Rui Santos. ESP8266 DHT11/DHT22 Temperature and Humidity Web Server with Arduino IDE. - URL:https:// randomnerdtutorials.com/esp8266-dht11 dht22-temperature-and-humidity-web-server-with-arduino-ide/ (28.03.21).
5. ESP8266 Arduino IDE - Третьяков Сергей. - URL: https://www.youtube.com/ channel/UC5ObcnxkVBgvb5-Mx7Eh31 w (28.03.21).
6. Stefan Bruens. ESP8266_new_ pwm. - URL:https://github.com/StefanBruens/ ESP8266_new_pwm/blob/master/pwm.c (28.03.21).
Автор: Ю. Булычев, г.Омск
