Конечно, сейчас модно применять твердотельные реле в различных конструкциях, однако в некоторых случаях фактор стоимости и надёжности говорит в пользу электромагнитных пускателей (или контакторов) серий ПМЕ, ПМЛ, ПМА, ПМ12 и других типов. Вот только они имеют, по крайней мере, одну неприятную особенность - гул, который в большинстве случаев возникает за счёт неплотного примыкания поверхностей якоря и магнитопровода при срабатывании пускателя. А если внутрь попадёт песчинка грязи, гул выводит из терпения!
Такой пускатель был применён дома для коммутации потребителей в электрощитке. С его помощью, после ухода на работу, отключались все потребители, кроме холодильника и других неотключаемых приборов. Но потом его надо было включать, и спать ночью было не очень комфортно из-за гула.
Хороший способ его устранить - питать обмотку пускателя постоянным током. Но его обмотка для постоянного тока имеет небольшое сопротивление, и, выпрямив переменное напряжение сети, нельзя подавать его напрямую на неё.

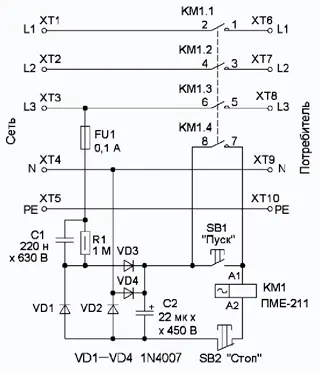
Рис. Схема устранения гула магнитного пускателя
Предлагается несложная схема "усмирения" гула магнитного пускателя, которая показана на рисунке. Диодный мост VD1 - VD4 подключён к сетевому напряжению через балластный конденсатор С1. Мост выпрямляет переменное напряжение, и конденсатор С2 заряжается до напряжения около 310 В. Для включения потребителя надо кратковременно нажать на кнопку SB1. При этом на обмотку пускателя поступит всё напряжение конденсатора С2, пускатель сработает и своими контактами KM1.4 заблокирует контакты кнопки SB1. Напряжение на конденсаторе С2 при этом уменьшится до 15...25 В, поскольку ток через обмотку пускателя ограничен конденсатором С1. Напряжения 15...25 В вполне достаточно для надёжного удержания контактов KM1.1-KM1.4. Для других пускателей, возможно, придётся подобрать конденсатор С1 по надёжности удержания якоря. Если напряжение на обмотке меньше указанного значения, может быть не очень надёжное удержание якоря, а если больше - будет заметно нагреваться обмотка.
В устройстве можно применить резистор МЛТ, С2-23, неполярный конденсатор - плёночный К73 или импортный, оксидный - импортный. Вместо отдельных диодов можно применить диодный мост с допустимым напряжением не менее 600 В и током не менее 300 мА. Кнопки могут быть любого типа, рассчитанными для работы в сети 230 В.
При манипуляциях с сетевым напряжением соблюдение техники безопасности ОБЯЗАТЕЛЬНО!!!
Для отключения потребителя от сети надо кратковременно нажать на кнопку SB2. Следует помнить, что при пропадании напряжения сети и последующем его появлении пускатель автоматически не сработает, требуется кратковременно нажать на кнопку SB1 "Пуск".
Два таких устройства успешно работают более двух лет дома и на работе.
Автор: Г. Басов, г. Томск/Ставрополь
