В радиолюбительской практике иногда приходится применять принудительное охлаждение различных радиоэлементов, реализуемое в большинстве случаев с помощью вентилятора или вентиляторов от компьютерной техники. Если такое охлаждение критически важно, вентилятор желательно снабдить сигнализатором неисправности. Он должен подать звуковой или световой сигнал, если крыльчатка вентилятора перестала вращаться по причине отсутствия питающего напряжения, выхода из строя электродвигателя или попадания постороннего предмета.

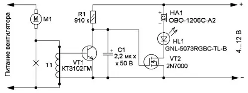
Рис. 1. Схема сигнализатора
Схема сигнализатора показана на рис. 1. Он реагирует на импульсную составляющую тока, потребляемого вентилятором. В отличие от [1], он более прост в изготовлении. Работает сигнализатор следующим образом. Токовую обмотку датчика тока Т1 включают в цепь питания вентилятора. Потребляемый им ток содержит импульсную составляющую, и в результате на вторичной обмотке трансформатора Т1 появляются короткие импульсы напряжения, которые поступают на базу транзистора VT1. Импульсы плюсовой полярности периодически его открывают, и в это время конденсатор С1 разряжается. В результате напряжение на нём не превысит 1 В, которого недостаточно для открывания полевого транзистора VT2.
Если по какой-то причине вращение вентилятора прекратится или скорость вращения резко уменьшится, транзистор VT1 не успевает разряжать конденсатор С1 и напряжение на нём увеличится. Транзистор VT2 откроется, напряжение питания поступит на мигающий светодиод HL1 и акустический сигнализатор HA1 со встроенным генератором. Особенностью светодиода GNL-5073RGBC-TL-B [2] является то, что он мигающий трёхцветный (кристаллы красного, зелёного и синего свечения), при этом частота миганий периодически изменяется автоматически. Когда включается один из светодиодов, напряжение питания поступает на акустический излучатель - будет звучать сигнал. В результате звуковой сигнал будет прерывистым и с разной громкостью. Когда светит кристалл синего цвета, громкость минимальна, а когда красного - максимальна.
Сигнализатор работоспособен при напряжении питания в интервале от 4 до 12 В. При этом потребляемый ток и громкость сигнала, конечно, зависят от напряжения питания. Потребляемый сигнализатором в дежурном режиме ток очень мал - не более 15 мкА. При подаче сигнала потребляемый ток увеличивается до 4...5 мА (при напряжении питания 4 В) и 20...30 мА (при напряжении питания 12 В). Экономичность в дежурном режиме позволит (при желании) для питания сигнализатора применить автономный источник, например малогабаритную батарею 23А.

Рис. 2.
Основой датчика тока является дроссель, намотанный на гантелеобразном ферритовом магнитопроводе. Его размеры могут быть разными (рис. 2), главное, чтобы его индуктивность была не менее 4 мГн. При меньшей индуктивности число витков обмотки может быть недостаточным. Поверх собственной обмотки дросселя наматывают токовую обмотку - 5-20 витков провода диаметром 0,2...0,3 мм. Число витков подбирают экспериментально в процессе налаживания, причём в некоторых случаях для более мощного вентилятора потребовалось намотать большее число витков.

Рис. 3. Чертёж платы устройства и размещение элементов на плате
Все детали размещены на односторонней печатной плате из фольгированного стеклотекстолита толщиной 1...1,5 мм. Чертёж платы показан на рис. 3. Применены резистор МЛТ, С2-23, конденсатор - оксидный К50-35 или импортный с номинальным напряжением не менее 50 В. У конденсаторов с большим номинальным напряжением ток утечки будет меньше. Светодиод можно применить и одноцветный мигающий, например серии GNL-3014SRD-B [3] красного свечения. Акустический излучатель OBO-1206C-A2 [4] можно заменить аналогичным со встроенным генератором и электромагнитным излучателем. Для дросселей с разным расстоянием между выводами предусмотрен ряд отверстий. Смонтированная плата показана на рис. 4.

Рис. 4. Смонтированная плата
Как отмечено выше, налаживание сводится к подборке числа витков токовой обмотки трансформатора Т1. Обмотку включают в разрыв любого из питающих проводов вентилятора с двухпроводной схемой подключения. Наматывают временную обмотку и проверяют работу сигнализатора. Поскольку импульсы напряжения разной полярности на вторичной обмотке трансформатора Т1 имеют разную амплитуду, токовую обмотку включают так, чтобы сигнализатор устойчиво работал при минимальном числе витков токовой обмотки. Наматывать дополнительную обмотку можно при установленном на плате дросселе.
После налаживания дополнительную обмотку можно закрепить с помощью какого-либо клея, например термоклея. Затем проводят окончательную проверку работоспособности сигнализатора. При отключении питания вентилятора или принудительной остановке вращения его лопастей сигнализатор должен подать сигналы.
Литература
1.Нечаев И. Звуковые сигнализаторы остановки вентилятора. - Радио, 2002, № 11, с. 19, 20.
2.Светодиод GNL-5073R GBC-TL-B. - URL: https://www.chipdip.ru/product0/800466001 2 (27.10.22).
3.GNL-3014xx-B. - URL: https:// datasheet-pdf.com/PDF/GNL-3014SRD-B-Datasheet-G-NOR-1257521 (27.10.22).
4.OBO-1206C-A2. - URL: https:// clck.ru/32UnNq (27.10.22).
Автор: И. Нечаев, г. Москва
