При поверке, регулировке, снятии технических характеристик различных радиоэлектронных устройств иногда требуются генераторы импульсных прямоугольных сигналов. Описание одного из вариантов такого генератора, отличающегося простым схемным решением, представлено ниже.
На рабочем столе радиолюбителя полезно иметь генератор импульсных сигналов прямоугольной формы. Например, он пригодится для измерения скорости нарастания выходного напряжения УМЗЧ или ОУ, снятия переходной характеристики в канале усилителя вертикального отклонения осциллографа и других подобных целей.
Схема такого генератора с фиксированными частотами приведена на рис. 1 .

Рис. 1. Схема генератора с фиксированными частотами
Основные технические характеристики
Частоты выходных импульсных сигналов, МГц .................. 16, 8, 4,2, 1
Число выходов ..................5
Длительность фронта (спада) импульсов, не более, нс ..................10
Полярность сигналов ..................положительная
Напряжение питания, В.................. 2...6
Ток потребления, мА, не более ..................15
На микросхеме DD1 (одиночном логическом элементе НЕ) собран задающий генератор по схеме Пирса. Аналогичная микросхема DD2 служит буферным логическим элементом. С его выхода последовательность импульсов прямоугольной формы с частотой 16 МГц поступает на выход "16 МГц" и счётный вход четырёхразрядного двоичного счётчика-делителя, собранного на микросхеме DD3. На выходах "8 МГц", "4 МГц", "2 МГц" и "1 МГц", соединённых с соответствующими выходами счётчика, формируются прямоугольные импульсы с соответствующи ми частотами. Микросхемы DD1-DD3 относятся к высокоскоростной КМОП-логике. Их максимальные частоты превышают 100 МГц, а длительности фронтов и спадов импульсных сигналов на выходах, как уже указано выше, не превышают 10 нс при напряжении питания 3,3...5,5 В. Такая малая длительность позволяет применять этот генератор в качестве образцового.
В генераторе для расширения и изменения интервала частот в ту или иную сторону можно предусмотреть смену кварцевых резонаторов ZQ1 или установить дополнительные счётчики-делители. Всё зависит от его назначения. Следует отметить, что генератор по схеме Пирса на логическом элементе НЕ высокоскоростной КМОП-логики способен работать на частоте около половины от максимальной, т. е. на частоте до 50...60 МГц. Необходимо лишь грамотно выбрать его составные элементы. Сведения на эту тему в Интернете представлены довольно скудно, но, тем не менее, обоснованные рекомендации по выбору элементов в генераторе Пирса на КМОП-логике нашлись в [1]. К сожалению, материал оставил впечатление неквалифицированного перевода зарубежного источника и содержит много небрежностей, даже ошибок. Этот материал в доработанном виде с внесёнными исправлениями размещён на сайте журнала.

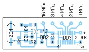
Рис. 2. Чертёж печатной платы генератора

Рис. 3. Расположение элементов на печатной плате генератора
Чертёж печатной платы генератора приведён на рис. 2,а и рис. 2,б, а расположение элементов - на рис. 3. Плата разработана под установку микросхем DD1 и DD2 SN74LVC1G04GV серии LVC в микроминиатюрном корпусе GV (более известный как SOT-23-5 или SOT753) из серии корпусов PicoGate and MicroPak™ [2], а микросхема DD3 CD74AC161M - серии АС в корпусе SOIC-16 (или SO-16). Кварцевый резонатор ZQ1 - в корпусе HC-49SM, конденсаторы и резисторы, включая перемычку R0, - поверхностно монтируемые типоразмера 1206. Конденсатор С3 применён с ТКЕ X7R, остальные - NP0.
Для быстрого и надёжного подключения без помощи паяльника источника питания к генератору, а также его выходов к устройствам на плате смонтированы штыри XP1-XP7 от вилок серии PLS.
Замены указанных микросхем высокоскоростной КМОП логики на аналоги из других серий и в других корпусах, например, серии 74АС в корпусах PDIP, потребуют изменения топологии печатных проводников. Это уже материал другой статьи. Для желающих применить аналоги несколько рекомендаций.
1.При изменении топологии необходимо учитывать в первую очередь правила разводки цепей питания. Для двухсторонних печатных плат под общий проводник выделяют участок медной фольги соответствующих размеров в виде полигона на одной из сторон платы. Лишние участки могут быть задействованы для прокладки, например, сигнальных проводников. Сторонники экономии химических препаратов для травления могут оставить фольгу на всей стороне платы.
2.Блокировочные конденсаторы устанавливают из качественной высокочастотной керамики, например, с ТКЕ группы NP0, и монтируют в непосредственной близости у плюсовых выводов питания микросхем. Если общий провод (полигон) находится не на стороне монтажа конденсаторов, их выводы соединяют с полигоном через сквозные отверстия платы отрезками монтажного провода или металлизацией отверстий.
Налаживания генератор практически не требует, разве что подборкой резистора R2 можно установить минимальный ток, потребляемый генератором Пирса. При замене резистора R2 подстроечным с сопротивлением 0...10 кОм наблюдалась устойчивая генерация в любом положении движка подстроечного резистора.

Рис.4. Генератор в собранном виде

Рис.5. Генератор в собранном виде
Генератор в собранном виде показан на рис. 4 и рис. 5, а на рис. 6 и рис. 7 приведены осциллограммы сигнала на выходах 16МГц и 4МГц соответственно, снятые цифровым осциллографом через щуп-делитель 1:10.

Рис.6. Осциллограмма сигнала на выходе 16МГц

Рис. 7. Осциллограмма сигнала на выходе 4МГц
Чертёж печатной платы в формате Sprint LayOut 6.0 и файл сдоработанным материалом [1] находятся здесь.
Литература
1.Стрижов В. Генераторы прямоугольных импульсов на микросхемах КМОП. - Схемотехника, 2001, № 1,с. 25, 26.
2.PicoGate and MicroPak. - URL: https:// usermanual.wi ki/m/aa28944f8040dc8f0a 14073ce934ba5318c0b271db8d455dc02a 1e724c0f2f07.pdf (09.02 2023).
Автор: С. Глибин, г. Москва
