Распределителями импульсов называют узлы, формирующие из входной импульсной последовательности группы импульсов определенного уровня в определенном временном порядке на заданном числе выходов, для использования в многотактных электронных устройствах.

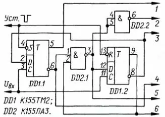
Рис. 1
Узел, собранный по схеме на рис. 1, отличается несколько усложненной цепью ОС, что в конкретном случае позволяет получить на любом из выходов 1-6 последовательность импульсов необходимого логического уровня с частотой следования
Fвых = Fвх/3;
Для получения сдвинутых по времени последовательностей импульсов высокого уровня используют выходы 1-3, а низкого - выходы 4-6 узла. Установочный вход "Уст." может быть использован для синхронизации работы узла с началом серии входных импульсов или с определенным синхроимпульсом.

Рис. 2
Графики, иллюстрирующие работу делитёля-распределителя, предетавлены на рис. 2. Стрелками показано направление временного сдвига. Поскольку описанный узел практически всегда является частью более сложного устройства, напомним здесь лишь то, что при использовании микросхем серии К155 он потребляет ток около 60 мА.
Устройство может быть использовано в качестве делителя частоты на три, задающего узла для трехфазного генератора с регулируемой частотой, трех-позиционного коммутатора для реализации трехлучевой развертки осциллографа. Если входная частота FBX становится равной нулю, на выходах устанавливаются уровни, соответствующие моменту остановки счета.
Описанный узел можно также собрать на соответствующих микросхемах серий К133, К533, К555, КР1533, а также К511 (с учетом напряжения ее питания).
Автор: А.Кашкаров, пос. Томилино Московской обл.
