Типовая схема генератора на трёх инверторах приведена на рис. 1 , очень часто резистор R2 не устанавливают.

Рис. 1. Типовая схема генератора на трёх инверторах
Для генератора без резистора R2 и при наличии защитных диодов на входах логических элементов как на плюсовую, так и на минусовую линию питания (например, в серии К561) период колебаний Т можно оценить по известной формуле
T = 2·R1·C1·ln2 ≈ 1,4·R1·C1. (1)
Эта формула выведена исходя из предположения, что падение напряжения на защитных диодах намного меньше напряжения питания. В практических конструкциях падение напряжения на защитных диодах соизмеримо с напряжением питания и заметно увеличивает период колебаний относительно расчётного значения. Более того, при изменении температуры или напряжения питания влияние падения на диодах на период меняется, что приводит к нестабильности периода и частоты генерируемых колебаний.
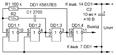
Полная схема генератора, на котором изучалась его работа, приведена на рис. 2. На осциллограммах, приведённых далее, линия жёлтого цвета - форма сигнала на выходе буферного элемента DD1.4, синего - на верхнем по схеме входе (выводе 8) элемента DD1.1.

Рис. 2. Полная схема генератора
На осциллограммах (рис. 3) показана форма сигналов генератора без резистора R2 при напряжении питания 8 В. Видно, что в моменты переключения напряжение на входе цепи логических элементов кратковременно превышает напряжение питания (8 В) и принимает отрицательные значения на величину падения напряжения на защитных диодах, а перезарядка конденсатора С1 начинается со значений, зависящих от падения напряжения на них.

Рис. 3. Осциллограмма сигналов генератора
Если увеличивать сопротивление резистора R2 от нуля до одной трети сопротивления резистора R1 (33 кОм), перепад напряжения, передаваемый с выхода инвертора DD1.2 через конденсатор С1 на вход DD1.1, будет уменьшаться незначительно, поскольку он ограничен защитными диодами. Будет незначительно изменяться и период генерируемых колебаний вследствие изменения двух факторов, действующих "в разные стороны": уменьшения перепада и увеличения постоянной времени. Когда сопротивление резистора R2 приблизится к одной трети сопротивления R1, защитные диоды перестанут открываться, их влияние на период колебаний исчезнет. На рис. 4 приведены осциллограммы для этого граничного случая.

Рис. 4. Осциллограмма сигналов генератора
В своих разработках радиолюбители нередко используют генератор, собранный на трёх последовательно включённых инверторах. Стабильность частоты колебаний генератора можно повысить, если учесть его особенности.
При дальнейшем увеличении сопротивления резистора R2 перепад напряжения и период колебаний начнут уменьшаться значительно быстрее. На рис. 5 приведены осциллограммы для случая, когда R2 = 0,5R1. Перепад напряжения на входе цепи логических элементов примерно равен одной трети от напряжения питания, но на осциллограмме он несколько меньше (как и на рис. 4) из-за шунтирующего влияния входа осциллографа (его входное сопротивление - 1 МОм).

Рис. 5. Осциллограмма сигналов генератора
Когда сопротивление резистора R2 приближается к сопротивлению резистора R1, характер колебаний резко меняется, они становятся неустойчивыми.
Период колебаний при 0,3R1 < R2 < 0,8R1 можно рассчитать по формуле
(2)
Формула выведена для общего случая, когда порог переключения UПОР не равен половине напряжения питания UПИТ. При пороговом напряжении, равном 0,5UПИТ, формула упрощается
Эта формула даёт ошибку относительно ф-лы (2) менее 2,5 % при 0,4UПИТ < UПОР < 0,6UПИТ и около 6,5 % при UПОР = 0,33UПИТ или UПОР = 0,67UПИТ (возможные предельные отклонения порогового напряжения по технической документации на КМОП - микросхемы), поэтому ею можно пользоваться практически всегда.
При R2 = R1/3 формула упрощается ещё больше:
Т= 2(R1 + R2)·C1·ln2 ≈ 1,4(R1 + R2)·C1, (3)
т. е. совпадает с ф-лой (1), а при R2 = R1/2
Т= 2(R1 + R2)·C1·ln(5/3) ≈ (R1 + R2)·C1.
На рис. 6 приведены экспериментально полученные графики зависимости частоты генератора от напряжения питания для различных сопротивлений резистора R2 при фиксированном сопротивлении R1 = 100 кОм и ёмкости конденсатора С1 = 2700 пФ. Расчётное значение частоты для R2 = 33 кОм, вычисленное по ф-ле (3), равно 2 кГц, что соответствует измеренному при напряжении питания 4...4,5 В.

Рис. 6. Графики зависимости частоты генератора от напряжения питания
В таблице приведены относительные изменения частоты генерации Af в процентах для различных сопротивлений резистора R2 и изменении напряжения питания иПит в различных пределах.
Таблица
R2, кОм | Δf, % при UПИТ, В | |||
3...4 | 3...5 | 4...6 | 8...12 | |
0 | 7,6 | 13,8 | 10,7 | 10,8 |
1 | 6,7 | 12,6 | 10,1 | 10,2 |
33 | 2,5 | 5,4 | 5,9 | 10,3 |
50 | 3,6 | 7,6 | 7,9 | 15,7 |
Как видно, наибольший эффект в повышении стабильности наблюдается при малых напряжениях питания, когда падение напряжения на диодах оказывает существенное влияние на период колебаний. Для UПИТ от 3 до 4 В изменение частоты равно 7,6 % при отсутствии R2 и 2,5 % при R2 = 33 кОм, т. е. установка резистора указанного номинала уменьшает нестабильность в три раза. При большем напряжении питания эффект от установки R2 становится слабее, а для R2 = 50 кОм результат заметен лишь при малых напряжениях, а при больших напряжениях нестабильность увеличивается.
По результатам экспериментов можно сделать следующую рекомендацию: для повышения стабильности частоты генератора, собранного на трёх инверторах, следует последовательно с времязадающим конденсатором включать резистор сопротивлением, равным 1/3 от сопротивления основного времяза-дающего резистора. Этот способ эффективен в случае малого напряжения питания.
Автор: С. Бирюков, г. Москва
