При разработке различных устройств и последующего налаживания бывает нужен генератор, для цифровых устройств - с прямоугольной формой импульса, для аналоговых - с синусоидальной или треугольной. Пару лет назад был приобретён модуль на микросхеме AD9833, но в то время мне не удалось его запустить, он категорически отказывался работать, а поскольку он был приобретён для экспериментов, то был отправлен в долгий ящик. Но сейчас потребовался генератор для проверки УМЗЧ, захотелось посмотреть на искажения, как он усиливает сигналы прямоугольной формы, да и частотные характеристики темброблока посмотреть. Пришлось достать модуль, и после нескольких попыток удалось заставить его работать. А чтобы каждый раз не собирать всё кое-как, было сделано готовое к применению устройство.

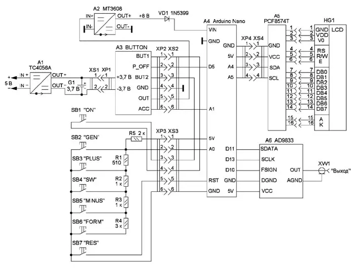
Рис. 1. Схема устройства
Схема устройства показана на рис. 1. Главным узлом, вокруг которого всё построено, является модуль А6 - генератор на микросхеме AD9833 с диапазоном частот от 0 МГц до 12,5 МГц (в моём генераторе частота ограничена значением 10 МГц) и тремя видами формы выходных сигналов (прямоугольная, синусоидальная, треугольная). При генерации импульсов прямоугольной формы на выходе присутствует сигнал с уровнем ТТЛ. Амплитуда сигналов синусоидальной и треугольной формы - 0,6 В.
Модуль Arduino Nano (А4) управляет генератором сигналов по шине SPI и выводит информацию на ЖКИ HG1 серии ХХХХ-1602А (16 разрядов, две строки) по шине I2C через модуль преобразователя этой шины в параллельный код на модуле А5 (PCF8574T), который установлен на контактах дисплея. На ЖКИ выводится информация о частоте выходного сигнала, его форме, включении генератора и напряжении аккумулятора. Если изменения параметров не производились в течение 5 мин, модуль А4 автоматически отключит питание устройства.
Управляется генератор пятью кнопками:
SB1 "ON" - включает/выключает питание устройства;
SB2 "GEN" - включает/выключает сигнал на выходе генератора;
SB3 "PLUS" - увеличивает значение частоты в выбранном разряде;
SB4 "SW" - последовательно производит выбор разряда индикации частоты для её изменения, выбранный разряд мигает, все изменения автоматически сохраняются в EEPROM памяти микроконтроллера;
SB5 "MINUS" - уменьшает значение частоты в выбранном разряде;
SB6 "FORMA" - переключает по кольцу форму выходного сигнала;
SB7 "ReS" - дублирует кнопку "RESET" модуля Arduino Nano.
Устройство сделано автономным и питается от Li-Ion аккумулятора G1 типоразмера 18650. Аккумулятор подключён через самодельный модуль А3 - это электронная кнопка включения/вы-ключения питания устройства с возможностью дистанционного отключения питания и контролем напряжения аккумулятора. С выхода модуля А3 напряжение поступает на модуль А2, повышающий напряжение до 8 В, которое через диод VD1 поступает на вход VIN модуля А4 Arduino Nano. Заряжается аккумуля-тор от внешнего источника питания напряжением 5 В через модуль А1 (ТС4056А).

Рис. 2. Схема модуля электронной кнопки

Рис. 3. Чертёж печатной платы устройства и размещение элементов на ней
Схема модуля электронной кнопки показана на рис. 2. Все её элементы смонтированы на печатной плате из одностороннего фольгированного стеклотекстолита толщиной 1,5 мм, её чертёж показан на рис. 3. Она рассчитана на установку резисторов типоразмера 1206, транзистора VT2 в корпусе SOT-89. На ней есть место для установки как выводного конденсатора серии К10-17, так и конденсатора для поверхностного м о нтажатипоразмера 1206. Смонтированная плата модуля показана на рис. 4 и рис. 5.

Рис. 4. Смонтированная плата модуля

Рис. 5. Смонтированная плата модуля
Продожение следует
Автор: В. Киба, г. Волжский Волгоградской обл.
