ПЧ при конструировании трансиверов и приёмников с одной фиксированной ПЧ, были сделаны выводы о том, что ПЧ 5,5 МГц имеет некоторые преимущества по сравнению с другими. Если использовать удвоение частоты ГПД на самых высокочастотных радиолюбительских диапазонах, то спектр частот, перекрываемых ГПД, укладывается в более плотный "пакет", часть диапазонов "сдваивается" (имеет одни и те же частоты), что существенно упрощает процедуру термокомпенсации генератора, уменьшает число используемых деталей и подстроечных элементов. Кроме того, такой генератор обеспечивает более равномерную амплитуду выходного сигнала. Ну и, конечно, при такой ПЧ (5,5 МГц) трансивер имеет не так много поражённых точек. К тому же кварцевые резонаторы на "круглую" частоту 5,5 МГц для построения фильтра ПЧ не так дефицитны.
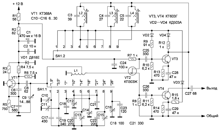
Предлагаемые два варианта ГПД рассчитаны именно на эту частоту ПЧ. Первый вариант устройства показан на рис. 1. Этот генератор вырабатывает сигналы с частотами, указанными в таблице. На диапазонах 10, 21, 24, 28 и 29 МГц он работает с удвоением частоты, на остальных - без удвоения. Выходное напряжение ГПД - около 1,5 В. Задающий генератор плавного диапазона собран на транзисторе VT1 по схеме ёмкостной трёхточки. С целью получения большей частотной стабильности транзистор выбран кремниевый, с возможно меньшими ёмкостями p-n переходов, а корпус транзистора должен иметь хороший тепловой контакт с шасси.

Рис. 1. Схема первого варианта ГПД
Таблица
Диапазон, МГц | Частота задающего генератора, МГц | Частота на выходе ГПД, МГц |
1,9 | 7,33...7,43 | 7,33...7,43 |
3,5 | 9,0...9,3 | 9,0...9,3 |
7 | 12,5...12,6 | 12,5.12,6 |
10 | 7,8... 7,825 | 15,6...15,65 |
14 | 8,5...8,85 | 8,5...8,85 |
18 | 12,568...12,668 | 12,568...12,668 |
21 | 7,75...7,975 | 15,5...15,95 |
24 | 9,695...9,745 | 19,39...19,49 |
28 | 11,25...11,535 | 22,5...23,07 |
28,5 | 11,535...11,82 | 23,07...23,64 |
29 | 11,82...12,1 | 23,64...24,2 |
Частоту ГПД задаёт катушка индуктивности L1 и конденсаторы, которые подключены к нему постоянно и подключаются к нему на различных диапазонах с помощью переключателя SA1.1.
Сигнал генератора с катушки L1 поступает на затвор полевого транзистора VT2, при этом катушка одновременно выполняет функции повышающего трансформатора. Это обеспечивает согласование генератора с высоким сопротивлением каскада на транзисторе VT2. Это сопротивление мало шунтирует контур ГПД и несущественно уменьшает его добротность, что благоприятно сказывается на стабильности частоты.
Буферный каскад, собранный на транзисторе VT2, вырабатывает два практически одинаковых по амплитуде, но противофазных сигнала, необходимых для обеспечения работы последующего удвоителя частоты, собранного на двух идентичных усилительных каскадах на транзисторах VT3 и VT4. В зависимости от управляющих сигналов, эти два каскада могут работать как удвоитель частоты или же один из них может работать как линейный усилитель. Переключение режимов производится переключателем SA1.2. В режиме удвоения частоты оба каскада работают в классе С, поскольку на базы транзисторов VT3 и VT4 постоянное напряжение не поступает. В этом случае их выходные сигналы складываются на общей нагрузке. В режиме линейного усиления (классе А) на базу транзистора VT3 через R9 поступает открывающее напряжение, что и переводит в режим линейного усиления. При этом транзистор VT4 закрывается напряжением около +2 В, поступающим на его эмиттер через резистор R15.
В режиме линейного усиления нагрузкой является резистор R12, т. е. получается апериодический усилитель. Диоды VD2-VD4 служат для развязки цепей по постоянному току. В режиме удвоения частоты сигналы с коллекторов транзисторов VT3 и VT4 складываются, поэтому на нагрузке сигналы чётных гармоник складываются (их амплитуда увеличивается), а сигналы нечётных вычитаются (их амплитуда уменьшается). Кроме того, к нагрузке, взави-симости от диапазона, подключается один из LC-контуров L2C3, L3C4 или L4C5, что подавляет сигналы ненужных гармоник. На диапазоне 28 МГц перестройка в интервале 1,7 МГц осуществляется в одном положении переключателя SA1. При использовании верньера от радиоприёмника Р311 настройка осуществляется вполне комфортно. Оставшиеся свободными две группы контактов переключателя SA1 (применён переключатель на 11 положений и два направления) можно использовать для обзорного радиовещательного КВ-диапазона и Си-Би-диапазона (27 МГц). Можно их использовать и для подключения на диапазоне 28 МГц вместо контура C5L4 трёх контуров. В этом случае можно получить более равномерную амплитуду выходного сигнала на диапазоне 28 МГц за счёт настройки контуров на различные участки этого диапазона. Как это сделать, будет сказано далее.
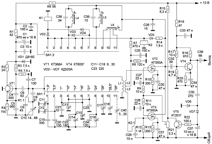
Схема второго варианта ГПД показана на рис. 2. Сам генератор выполнен по такой же схеме, как и предыдущий. Частоты, вырабатываемые им, приведены в таблице. Отличие состоит в использовании системы растяжки на диапазонах 10, 24, 28 МГц, а также разбивки последнего диапазона на три участка. Это позволило применить верньер с меньшим коэффициентом замедления. При этом с целью уменьшения числа комплектующих элементов для диапазона 28 МГц использован только один конденсатор С7, а ёмкость подключаемых конденсаторов на остальных диапазонах соответственно уменьшена. Растяжка на вышеуказанных диапазонах производится за счёт коммутации конденсаторов с помощью реле К1.

Рис. 2. Схема второго варианта ГПД
Сигнал генератора с катушки L1 через катушки связи L2, L3 в противофазе поступает на первые затворы полевых МОП-транзисторов VT2 и VT3. На этих транзисторах собран переключаемый усилитель-удвоитель частоты. В режиме усиления работает только транзистор VT2, при этом он переводится в линейный режим путём подачи напряжения на первый затвор через резистор R7, катушка L3 отключается, и первый затвор транзистора VT3 замыкается на общий провод, исключая его из работы. Резистор R12 обеспечивает стекание статических зарядов и тем самым предотвращает возможный выход транзистора из строя из-за пробоя, который может возникнуть в момент переходных процессов при переключении контактов реле К2.
Стоки транзисторов объединены, поэтому чётные гармоники на них складываются, а нечётные вычитаются (компенсируются). В режиме усиления нагрузкой каскада является резистор R14, а в режиме удвоения - контуры L4C38, L5C39, L6C26. При этом контур L6C26 можно заменить тремя, как показано на рис. 3. В этом случае несколько увеличится число комплектующих элементов, но зато упростится настройка генератора на этом диапазоне. Диод VD5 предотвращает срабатывание реле К2 в режиме удвоения частоты.

Рис. 3. Схема замены контура L6C26
С выхода усилителя-удвоителя сигнал ГПД поступает на оконечный каскад усиления, выполненный на транзисторе VT4 по апериодической схеме. Амплитуда сигнала на выходе - около 1,5 В на всех диапазонах. Её уровень поддерживается системой автоматической регулировки мощности (АРМ). На диодах VD6 и VD7 собран выпрямитель по схеме удвоения напряжения, а на транзисторе VT5 - инвертирующий усилитель постоянного тока. Резистор R21 служит для установки уровня выходного сигнала (0...1,5 В). С движка этого резистора управляющий сигнал (постоянное напряжение) поступает на вторые затворы транзисторов VT2 и VT3. При превышении выходным сигналом ГПД установленного значения транзистор VT5 открывается и напряжение на вторых затворах транзисторов VT2 и VT3 уменьшается, что и приводит к уменьшению выходного сигнала ГПД, т. е. стабилизации его амплитуды.
Чтобы увеличить выходное напряжение ГПД, можно применить резистор R21 большего сопротивления или резистор R15 меньшего сопротивления. При этом следует учесть, что максимальное постоянное напряжение на вторых затворах транзисторов VT2 и VT3 не должно превышать 5 В, поскольку при таком напряжении наблюдается максимум усиления у этих транзисторов.

Рис. 4. Переменный конденсатор

Рис. 5. Катушка на керамическом каркасе
В генераторах использованы постоянные резисторы МЛТ, подстроечный - СП-04 или любой малогабаритный. Переменный конденсатор - так называемый дифференциальный КПЕ "бабочка" (рис. 4) от радиостанций Р821, Р822 (так называемое изделие ЯД4.652.007), его статорные пластины соединены параллельно, а на ось ротора установлен токосъёмник (подключён к корпусу), в результате суммарная ёмкость составила 14...88 пФ. Подстроечные конденсаторы - КТ4-25, оксидные конденсаторы - К50-35, К53-14. Блокировочные конденсаторы - плёночные или керамические, в частотозадающих цепях следует применить конденсаторы КТ, КМ, К10-7. Транзисторы КТ603Г можно заменить транзисторами серии КТ608. Реле - РЭС49, исполнение РС4.569.421-02 или РС4.569.421-08 с номинальным напряжением 12 В. В обоих ГПД применена катушка L1 (рис. 5) на керамическом каркасе диаметром 18 мм. Она содержит 12 витков вожжёной меди, длина намотки - 25 мм. В первом варианте сделан отвод от восьмого витка, во втором варианте используются восемь витков, но поверх неё двумя вместе сложенными проводами ПЭЛ 0,66 намотаны катушки L2, L3 - по 6 витков каждая. Конец одной соединяют с началом другой. Остальные катушки намотаны виток к витку на пластмассовых каркасах диаметром 7 мм с подстроечниками из феррита марки 400НН. Для первого варианта катушка L2 содержит 22 витка ПЭШО 0,44, катушка L3 - 10 витков провода ПЭЛ 0,55, катушка L4 - 8 витков провода ПЭЛ 0,66. Для второго варианта катушки L4 и L5 такие же, как и L2, L3 для первого. Катушка L6 намотана проводом ПЭЛ 0,66 и содержит десять витков с отводами от первого и второго, а катушки L6.1, L6.2, L6.3 содержат 7, 8 и 9 витков такого же провода. Налаживание начинают с проверки отсутствия замыканий по цепям питания. Затем подают питающее напряжение и проверяют работоспособность задающего генератора. Для этого осциллографом контролируют переменное напряжение на эмиттере транзистора VT1. Затем производят укладку диапазонов. Делают это подборкой постоянных конденсаторов, коммутируемых переключателем SA1.1 и подстройкой соответствующих подстроечных конденсаторов. Уровень и форму выходного сигнала контролируют осциллографом, частоту - частотомером. На диапазонах, где происходит удвоение частоты, подстраивают сердечники соответствующих катушек (L2-L4 - для первого варианта, L4-L6 - для второго) по максимуму сигнала на выходе (в середине каждого диапазона). Резистором R21 (см. рис. 2) устанавливают на выходе требуемый уровень сигнала. Выходной каскад (VT4 на рис. 2) настраивают по максимуму сигнала на выходе и правильной форме синусоиды подборкой номинала резистора R17. При укладке диапазонов, возможно, потребуется установка конденсатора С40.
На последнем этапе настройки производят термокомпенсацию генератора путём замены на каждом диапазоне частотозадающих конденсаторов равной ёмкости, но с другими значениями ТКЕ. Критерий налаживания - наименьший "выбег" частоты с течением времени из-за прогрева деталей после включения (это самый трудоёмкий этап налаживания!).
Автор: Владимир Рубцов (UN7BV), г. Астана, Казахстан
