В статье рассказано о подключении к плате вольтамперметра, описанного автором в [Л], графического ЖКИ от сотового телефона Nokia 5110 взамен символьного ЖКИ QAPASS 1602A. Это позволило отображать не только текущие значения напряжения, тока и мощности, но и те параметры, которые раньше приходилось запоминать: установленные пределы измерения напряжения и тока, пороги срабатывания защит по напряжению и току, способ выхода из защитного режима. На новом индикаторе отображаются также состояния перемычек на плате вольтамперметра и логические уровни сигналов управления внешними устройствами, формируемых его микроконтроллером. Упрощена настройка прибора. Теперь для изменения параметров не требуется перелистывать экраны. Все технические характеристики и возможности прибора остались прежними.
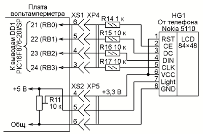
Для подключения нового индикатора никаких переделок вольтамперметра не требуется, достаточно заменить в памяти его микроконтроллера старую программу новой. Загрузочный файл этой программы VAP-NOKIA.hex приложен к статье. Схема подключения ЖКИ от сотового телефона Nokia 5110 к печатной плате вольтамперметра показана на рис. 1. Нумерация элементов на этой схеме совпадает с их нумерацией на схеме, изображённой на рис. 5 в [Л], или продолжает её.

Рис. 1. Схема подключения ЖКИ от сотового телефона Nokia 5110 к печатной плате вольтамперметра
Резисторы R14-R17 согласуют уровни сигналов микроконтроллера DD1 и ЖКИ HG1. Питание на ЖКИ поступает с движка подстроечного резистора R11, ранее предназначенного для регулировки контрастности изображения на экране индикатора. Прежде чем подключать ЖКИ, напряжение на гнезде 4 разъёма XS2 нужно установить равным 3,3 В. Яркость подсветки экрана ЖКИ не регулируется, в цепь Light подано напряжение 5 В.
Прибор имеет, как и прежде, три режима работы: "Измерение", "Защита" и "Наладка". При включении он начинает работу в режиме "Измерение". Для отображения информации применены шрифты разного размера. Символ шрифта минимального размера умещается в матрице 8x6 пкс. Символами удвоенных размеров выведена наиболее важная информация - измеренные значения напряжения и тока.
Типичные виды экрана ЖКИ в режиме "Измерение" показаны на рис. 2 - рис. 4. В верхней строке экрана стрелками условно изображены логические уровни напряжения на выводах RC1 - RC3 микроконтроллера DD1. Стрелка вниз означает низкий уровень, стрелка вверх - высокий уровень. Там же пиктограммы показывают положения перемычек S1 и S2. Любые изменения состояния перемычек и уровней на выводах RC1-RC3 немедленно отображаются на экране.

Рис. 2. Вид экрана ЖКИ в режиме "Измерение"

Рис. 3. Вид экрана ЖКИ в режиме "Измерение"

Рис. 4. Вид экрана ЖКИ в режиме "Измерение"
Уровень на выводе RC1 инвертируется при перегрузке по напряжению, а на выводе RC2 - при перегрузке по току. Нормальный уровень на выводе RC3 - высокий, но при любой из перегрузок он сменяется низким уровнем. Сигналы с этих выводов можно использовать для управления внешними устройствами защиты.
Во второй сверху строке экрана шрифтом удвоенных размеров отображено текущее измеренное значение напряжения в вольтах, а в третьей строке - тока в амперах. Оба они выводятся с двумя десятичными цифрами после запятой. В нижней строке отображено с одной десятичной цифрой после запятой значение проходящей мощности в ваттах, вычисленное как произведение измеренных значений напряжения и тока.
Расположенная в правой части экрана колонка чисел - это (сверху вниз) предел измерения напряжения Umax, порог срабатывания защиты по напряжению Uз, предел измерения тока Imax, порог срабатывания токовой защиты Iз. Под ними находится значок способа сброса сработавшей защиты: автоматически - в виде двух стрелок, образующих квадрат, или нажатием на кнопку - в виде общепринятого обозначения кнопки.
При срабатывании защиты по напряжению (рис. 5) уровень на выводе RC1 инвертируется, а на выводе RC3 становится низким. Изображение выведенного во второй строке значения напряжения каждую секунду меняет вид - из позитивного становится негативным и обратно. Подаётся короткий двухчастотный (8267 Гц и 8346 Гц) звуковой сигнал, повторяющийся каждую секунду.

Рис. 5. Изображение выведенноой на экран ЖКИ информации
При срабатывании защиты по току (рис. 6) инвертируется уровень на выводе RC2, а уровень на выводе RC3 становится низким. Каждую секунду изменяется вид изображения выведенного в третьей строке значения тока. Звучит, повторяясь каждую секунду, сигнал с частотами 8818 Гци 8661 Гц.

Рис. 6. Изображение выведенноой на экран ЖКИ информации
Чтобы перейти в режим "Наладка", следует нажать на кнопку SB2 и, удерживая её нажатой, дождаться смены изображения на экране ЖКИ. Вид экрана в этом режиме показан на рис. 7 и рис. 8. Максимально допустимые и пороговые значения устанавливают, изменяя числа в правой колонке экрана, назначение которых было описано выше. По умолчанию Umax=35 В, Uз=Umax, Imax=10 А, Iз=Imax, сброс защиты - нажатием на кнопку.

Рис. 7. Вид экрана ЖКИ в режиме "Наладка"

Рис. 8. Вид экрана ЖКИ в режиме "Наладка"
Сразу после перехода в режим "Наладка" изображение верхнего числа колонки (Umax) становится негативным. Короткими нажатиями на кнопку SB2 перебирают по кольцу значения Umax от 5 В до 61 Вс шагом 1 В. Достигнув нужного значения, удерживают кнопку в нажатом состоянии до появления на экране "галочки" перед вводимым числом, после чего отпускают кнопку.
Изображение введённого параметра становится позитивным, а в негативе теперь отображается параметр, расположенный ниже его, что означает готовность к установке этого параметра. Значения из можно изменять от 5 В до Umax, Imax - от 2 А до 21 А, Iз - от 2 А до Imax.
В завершение выбирают способ сброса защиты. Он имеет два сменяющихся варианта - нажатием на кнопку и автоматически. После его выбора, появления "галочки" и отпускания кнопки новые значения всех параметров будут записаны а EEPROM микроконтроллера, и прибор перейдёт в режим "Измерение".
Как уже было сказано, в качестве HG1 применён ЖКИ от сотового телефона Nokia 5110. Разрешение его экрана - 84x48 пкс, встроенный контроллер - PCD8544 или его аналог. Имеются четыре светодиода синего свечения для подсветки экрана, а ниже экрана - штыревой разъём PLS-8 для подключения внешних цепей. Собран индикатор на печатной плате синего цвета.
На плате ЖКИ указано, что его напряжение питания составляет +3...5 В. Однако в сотовых телефонах Nokia 3310 подобный индикатор работает при напряжении питания +2,7...3,3 В, и нигде нет достоверных данных о том, что он может длительно работать и при напряжении +5 В. В Интернете мнения по этому поводу расходятся.
Во избежание риска для питания индикатора подано напряжение +3,3 В, устанавливаемое подстроечным резистором R11, а для согласования логических уровней сигналов ЖКИ и микроконтроллера применены резисторы R14-R17.
Широко распространён аналогичный и продаваемый под тем же названием ЖКИ, собранный на плате красного цвета, у которого, кроме разъёма ниже экрана, имеется дублирующий его разъём выше экрана. В таком ЖКИ для включения подсветки экрана необходимо соединить вывод Light с выводом GND.
Новая программа микроконтроллера находится здесь.
Литература
Нюхтилин Г. Цифровой вольтамперметр с защитой для лабораторного блока питания. - Радио, 2017, № 6, с. 16-20.
Автор: Г. Нюхтилин, г. Ковров Владимирской обл.
