Светодиодные лампы всё шире применяются в бытовых осветительных приборах. Надёжность таких ламп теоретически высока, но практически они не так уж редко выходят из строя. Наиболее частая причина - перегоревший светодиод. В зависимости от типа драйвера из строя могут выходить и другие элементы. В настоящее время всё чаще встречаются светодиодные лампы с драйвером, основой которого является линейный стабилизатор тока на специализированной микросхеме. В дальнейшем речь пойдёт о таких лампах и их радиоэлементах.

Рис. 1. Схема лампы
Типичная схема лампы показана на рис. 1, нумерация и обозначение элементов приведены в соответствии с маркировкой на плате. Она содержит токоограничивающий резистор R1, который выполняет также функции предохранителя. Переменное напряжение выпрямляет диодный мост BD1, пульсации сглаживает конденсатор С1. Микросхема U1 питает светодиоды стабильным током, значение которого зависит от сопротивления резистора R2. Резистор R3 предназначен для разрядки конденсатора после отключения сетевого напряжения. В зависимости от производителя схемы ламп могут незначительно отличаться, в том числе использованы микросхемы других серий. Такая лампа содержит минимум необходимых элементов, поэтому её себестоимость невысока, а соответственно и цена сравнительно небольшая. Обычно большинство элементов лампы размещено на печатной плате, основой которой является алюминиевая пластина.

Рис. 2.

Рис. 3.
Такие лампы могут быть источником радиоэлементов, в первую очередь это диодный мост, конденсатор и микросхема стабилизатора тока. Номенклатура применяемых микросхемных стабилизаторов тока сравнительно широка, как и типы их корпусов, например, SOP8, SOT89, SOT223 и другие. Примеры показаны на рис. 2 и рис. 3, где микросхемы выделены. Основные узлы таких микросхем: источник образцового напряжения, узел сравнения и стабилизации тока и выходной высоковольтный полевой транзистор, датчиком тока служит внешний резистор. Эти микросхемы имеют встроенную защиту от перегрева с пороговой температурой 110...150 оС. Кроме того, имеется встроенный защитный диод, включённый между выводами D (OUT) и GND (анодом к GND). Основные параметры микросхем серий PT4515, SM2082, BP5131 [1-3]: максимальное напряжение на выходе - 250...500 В; ток стабилизации - до 60...80 мА; собственный потребляемый ток - 100...200 мкА (протекает через вывод GND); максимальная рассеиваемая мощность - до 1,25 Вт.

Рис. 4. а) Микросхема BP5131H - в корпусе SOP8; б) микросхема SM2082G - в корпусе SOT89
Область применения этих микросхем - высоковольтные устройства, например, блоки питания. О таком применении было рассказано в [4]. Но для радиолюбителей интерес может представлять их применение и в низковольтных устройствах. Для некоторых микросхем приводятся их вольт-амперные характеристики [2], для некоторых нет. Поэтому была проведена экспериментальная проверка вольт-амперных характеристик в соответствии с рис. 4. Микросхема BP5131H - в корпусе SOP8, микросхема SM2082G - в корпусе SOT89. Ток стабилизации можно определить по формуле Iст = 0,6/RT. Экспериментальные характеристики для разных сопротивлений резисторов RT показаны на рис. 5. Видно, что режим стабилизации тока наступает при напряжении на микросхемах 5...6 В. Кроме того, стабильность тока у микросхемы BP5131Н выше, чем у микросхемы SM2082G.

Рис. 5. Экспериментальные характеристики
Таким образом, упомянутые выше микросхемы можно применять не только в высоковольтных цепях [4], но и в низковольтных. Их можно использовать вместо токоограничивающих и токозадающих резисторов для питания стабилитронов, светодиодов, а также в качестве нагрузки с большим динамическим сопротивлением в транзисторных и даже ламповых каскадах.

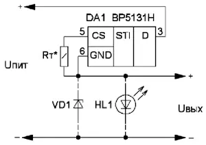
Рис. 6. Вариант включения микросхемы в качестве стабилизатора тока
Вариант включения микросхемы в качестве стабилизатора тока показан на рис. 6. для микросхемы BP5131G в корпусе SOP8. Его можно использовать совместно, например, со стабилитронами и светодиодами. В первом случае повышается стабильность напряжения на стабилитроне, во-втором - поддерживается постоянная яркость свечения при изменении напряжения питания в большом интервале. При этом должно выполняться условие Uпит - Uвых > 6 В. Стабилизируемый ток можно установить подборкой резистора в соответствии с приведённым выше выражением.

Рис. 7. Схема зарядного устройства для аккумуляторных батарей
Кроме того, на этих микросхемах можно сделать управляемый источник тока, усилитель и другие устройства. Примером может служить зарядное устройство для аккумуляторных батарей, схема которого показана на рис. 7. Оно обеспечивает первоначальный стабильный ток зарядки с последующим его плавным уменьшением и поддерживает стабильное напряжение после его окончания. Ток зарядки можно установить подборкой резистора R1: Iст = 0,6/R1, а его максимальное значение - 60...80 мА ограничено параметрами этих микросхем.
Принцип работы этого зарядного устройства основан на том, что микросхема DA1 поддерживает постоянным напряжение 0,6 В между выводами 3 (REXT) и 2 (GND). При этом ток зарядки протекает через вывод 3, а собственный потребляемый ток(доли миллиампера) протекает через вывод 2. При подключении разряженной аккумуляторной батареи и подачи питающего напряжения начнётся зарядка и станет светить светодиод HL1. При этом стабилитрон закрыт и через резистор R3 протекает только собственный ток микросхемы, поэтому падение напряжение на нём невелико. В таком режиме происходит начальный этап зарядки батареи. Когда напряжение на ней достигнет напряжения, при котором открывается стабилитрон, через резистор R3 начнёт протекать ток, и на нём появится напряжение, которое складывается с напряжением на резисторе R1. В результате микросхема уменьшит напряжение на резисторе R1 за счёт уменьшения тока через него, т. е. тока зарядки.
Дальнейшая зарядка приводит к увеличению напряжения аккумуляторной батареи и уменьшению зарядного тока. Максимальное напряжение, до которого зарядится батарея, Uзар = Uст + 0,6, где Uст - напряжение стабилизации стабилитрона (в этом случае при токе 1 мА). По мере уменьшения тока зарядки яркость светодиода HL1 будет уменьшаться, и при определённом токе он погаснет. Напряжение питания устройства Uпит должно быть не менее Uпит > Uзар + 6 + + UHL1, где UHL1 - напряжение на светодиоде HL1.
Налаживание устройства начинают с выбора сопротивления резистора R1 для получения требуемого тока зарядки и к подборке стабилитрона с необходимым напряжением стабилизации. Стабилитрон можно подобрать следующим образом. К разъёму Х1 подключают вольтметр, устанавливают стабилитрон и подают напряжение питания. Вольтметр покажет напряжение, до которого будет заряжаться аккумуляторная батарея. Сопротивление резистора R2 подбирают таким, чтобы при минимальном токе зарядки светодиод погасал. Если ток зарядки будет больше максимально допустимого через светодиод, резистор R2 подбирают так, чтобы ток через светодиод не превышал допустимого.

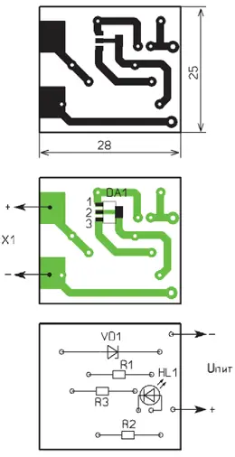
Рис. 8. Чертёж платы и схема размещения элементов

Рис. 9. Внешний вид смонтированной платы
Такое зарядное устройство подходит для зарядки Ni-Cd или Ni-Mh аккумуляторной батареи типоразмера 6F22. В этом случае можно применить прецизионный стабилитрон серии Д818 практически без подборки. Все элементы устройства можно разместить на односторонней печатной плате из фольги-рованного стеклотекстолита толщиной 1...1,5 мм. Чертёж платы и схема размещения элементов показаны на рис. 8. Со стороны печатных проводников установлена микросхема и припаян разъём X1 (колодка от батареи 6F22, "Крона"). Остальные элементы установлены с другой стороны. Внешний вид смонтированной платы показан на рис. 9. При желании её можно разместить в корпусе от батареи типоразмера 6F22. Можно применить маломощные стабилитроны, резисторы - МЛТ, С2-23, светодиод желательно применить красного свечения (у него меньше номинальное напряжение), и не обязательно сверхъяркий, поскольку через него протекает не такой уж маленький ток.
Чертёж печатной платы в формате Sprint Layout имеется здесь.
Литература
1. PT4515. - URL: http://www.datasheet-pdf.com/PDF/PT4515-Datasheet-Powtech-1227424 (06.11.21).
2. SM2082D.-URL:https://datasheetspdf.com/pdf-file/934678/ Linkage/SM2082D/1 (06.11.21).
3. BP5131D.-URL:https://pdf1.a l l d a t a s h e e t . c o m /d a t a s h e e t -pdf/view/1132264/BPS/BP5131 D.html (06.11.21).
4. Нечаев И. Микросхема РТ4515и микро-мощные сетевые бестрансформаторные ИП на её основе. - Радио, 2019, № 5, с. 25-28.
Автор: И. Нечаев, г. Москва
