В мастерской любого радиолюбителя имеется один, а может и сразу несколько паяльников. Но вот паяльная станция, особенно инфракрасная – для многих лишь мечта.
Дело в том, что это профессиональное оборудование, применяемое для качественной пайки таких сложных элементов, как чипы BGA (от английской аббревиатуры Ball grid array, что в переводе может звучать как "Массив шариков", полный русский аналог – "поверхностно-монтируемые интегральные схемы").
Чтобы было понятнее – картинка.

Рис. 1. Пример чипа BGA
Припаять или даже отпаять такой чип обычным паяльником невозможно. С определенной долей вероятности может помочь паяльный фен, но только для отпайки и только если микросхему можно потом выбросить…
Дело в том, что в данном случае требуется:
1.Нагрев сразу с двух сторон;
2.Равномерное проникновение тепла сквозь тело микросхемы (такое делает возможным ИК-излучение);
3.Точный контроль температуры в процессе работ.
А все это напрямую связано со сложной логикой работы устройства и дорогостоящими нагревателями и датчиками.
Наверное, поэтому готовые ИК паяльные станции стоят от 30 тыс.р. (даже при заказе из Китая).
Инфракрасная паяльная станция из прикуривателя
Даже если собрать все необходимые детали для ИК станции, их совокупная стоимость получится ненамного ниже готового варианта. А значит, если у вас ограниченный бюджет, материал ниже – для вас.
На форумах такое устройство ласково прозвали "прикуяльником", так как оно представляет из себя паяльник с прикуривателем вместо жала.
Выглядит он приблизительно так:

Рис. 2. Инфракрасная паяльная станция из прикуривателя
На самом деле, паяльник используется скорее просто как держатель (внутри уже нет нагревательного элемента, развязка меди и стали сделана специально).
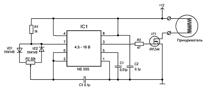
Схема управления нагревателем строится на базе простых и недорогих элементов. Выглядит она так.

Рис. 3. Схема управления нагревателем
Если под рукой нет таймера 555, можно взять серию UC384x. Тогда схема будет иметь следующий вид.

Рис. 4. Схема управления нагревателем с UC384x
Блок питания +12В можно сделать из трансформатора и диодного моста (самый элементарный, диоды лучше всего смонтировать на радиаторе).
Как видно из схемы – контроля температуры нет.
При таком количестве элементов можно обойтись и без печатной платы. Отлично справится макетная, а при определенной сноровке и наличии свободного пространства в корпусе – подойдет монтаж на весу.

Рис. 5. Монтаж платы
Нижний подогрев должен обеспечивать правильный термопрофиль для припоя. Графики для свинецсодержащих и безсвинцовых припоев приведены ниже.


Рис. 6. Графики для свинецсодержащих и безсвинцовых припоев
Конечно, регулирование температуры и поддержание ее на заданном уровне – сложная задача (в норме требуется термопара, логика обработки данных с нее и т.д.).
Но сделаем простой ход – нагрев будем регулировать обычным димером (от осветительных приборов), а в качестве источника тепла используем готовую галогеновую лампу на 150 Вт.
Температуру можно выставить по внешнему термометру, или "на глаз" (экспериментальным путем).
Вариант нижнего нагревателя.

Рис. 7. Вариант нижнего нагревателя
Здесь в качестве платформы используется старая печатная плата с медной фольгой (чистым текстолитом повернута вверх).
Таким образом, в качестве конечного результата:
1.Подогрев снизу осуществляется галогеновой лампой, включенной в сеть 220В. Ее мощность регулируется димером.
2.Пайка осуществляется с помощью прикуривателя. Его мощность нагрева регулируется переменным резистором (смотри схему).
Процесс выглядит так.

Рис. 8. Процесс пайки
Конечно, для обычных микросхем пайка может осуществляться и без нижнего подогрева.
Можно работать и только с нижней платформой (например, если нужно демонтировать большое количество радиоэлементов сразу), но следует проявлять особую осторожность, так как при излишнем перегреве дорожки могут отслоиться от текстолита.
Такая паяльная станция подойдет только для кратковременной работы в быту.
Другие способы реализации
В сети можно найти много других вариаций на тему создания ИК-станции своими руками, но все они имеют бюджет 10 тыс. р.+, что сводит на нет все усилия.
То есть, если учесть возможность ошибки в процессе монтажа (по неосторожности или по неопытности) или поставки некачественной детали (что случается часто при взаимодействии с зарубежными продавцами), а также другие нюансы, то проще и надежнее приобрести готовое решение.
Автор: RadioRadar
