Многие радиолюбители давно уже применяют технологию термопереноса рисунка печатных проводников, напечатанного на бумаге лазерным принтером, на фольгу заготовки будущей платы с помощью обычного утюга. К сожалению, пользуясь таким инструментом, очень сложно достичь оптимального прижатия бумаги к заготовке платы и идеально выдержать температуру, необходимую для переноса расплавленного тонера на фольгу. Процесс приходится, как правило, много раз повторять, опытным путём добиваясь приемлемого качества рисунка на фольге.
Сегодня у многих радиолюбителей имеются не вполне исправные или морально устаревшие и давно не используемые по назначению лазерные принтеры. Такой аппарат с успехом может послужить основой для изготовления ламинатора, обеспечивающего надёжный и высококачественный перенос рисунка.
Идея изготовить самодельный ламинатор для термопереноса рисунка с бумаги на плату из фольгированного диэлектрика возникла у автора при ремонте очередного лазерного принтера, у которого "печка" для фиксирования тонера на бумаге оказалась очень похожей на ту, что требуется для такого устройства. Оставалось её немного доработать механически, разработать и изготовить электронную часть ламинатора.
Прототипом узла управления ламинатором послужил универсальный микроконтроллерный модуль [1], но использован микроконтроллер с меньшим числом выводов, а графический ЖКИ заменён символьным. Блок сопряжения узла управления с шаговым двигателем, перемещающим пакет из заготовки платы и наложенного на неё листа бумаги с рисунком печатных проводников, выполнен на паре специализированных микросхем L297 и L298N. Изготовлен также симисторный коммутатор нагревателя "печки".

Рис. 1
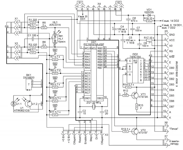
Схема узла управления показана на рис. 1. В нём применён микроконтроллер PIC16F876A-I/SP (DD1), работающий с тактовой частотой 20 МГц, стабилизированной кварцевым резонатором ZQ1. К разъёму X5 при необходимости подключают ЖКИ WM-C0801M (одна строка из восьми символов). Номера контактов этого разъёма совпадают с номерами выводов указанного индикатора. В ламинаторе ЖКИ используется только как технологический. В процессе подборки оптимального режима ламинирования он показывает температуру "печки" и число проходов платы через неё. Для обычной работы прибора ЖКИ не требуется, и его можно не подключать.
Сдвиговый регистр DD2 преобразует сформированный микроконтроллером последовательный код управления ЖКИ в необходимый для работы последнего параллельный. Оптимальную контрастность изображения на экране ЖКИ устанавливают подстроечным резистором R17. Транзистор VT1 посигна-лам микроконтроллера включает и выключает подсветку экрана индикатора.
В процессе работы ламинатора микроконтроллер получает сигналы от двух датчиков. Один из них - оптрон U1 с открытым оптическим каналом - сигнализирует о наличии платы в "печке". Показания другого - датчика температуры DS18B20 (BK1) - нужны для контроля за процессами нагревания и остывания "печки". Кнопки SB1 - SB5 предназначены для управления ламинатором.
Транзистор VT2 по сигналам микроконтроллера включает и выключает соединённый с разъёмом X7 вентилятор (компьютерный габаритами 80x80x20 мм).
Двухцветный светодиод HL1 зелёным свечением показывает, что ламинатор включён и находится в режиме ожидания. Его цвет становится красным во время прогревания "печки", а также, когда пакет из листа бумаги с рисунком печатных проводников и заготовки платы находится в чувствительной зоне оптрона U1.

Рис. 2
Для загрузки программы в уже установленный на плате микроконтроллер DD1 к разъёму X4 подключают программатор согласно схеме, изображённой на рис. 2, при этом от разъёма X5 следует
отключить ЖКИ. По завершении программирования для нормальной работы узла управления программатор отключают, а контакты 1, 2 и 8, 9 разъ-ёмаX4 соединяют перемычками S1 и S2 (см. рис. 1).

Рис. 3

Рис. 4
Чертёж печатной платы узла управления показан на рис. 3, её размеры - 90x79 мм. Оптрон U1 и датчик температуры ВК1 размещены на отдельной плате размерами 80x20 мм (рис. 4) таким образом, что входят в отверстия, имеющиеся в верхней части корпуса "печки". Предназначенный для работы на прерывание светового потока оптрон с открытым оптическим каналом KTIR0621DS (рис. 5) переделан для работы "на отражение". Для этого он разрезан на две части (с излучающим диодом и с фототранзистором), которые смонтированы на плате так, что их излучающее и чувствительное к излучению отверстия направлены в сторону проходящего рядом с датчиком пакета. Для наилучшей чувствительности к отражённым от него лучам угол между излучателем и фотоприёмником нужно подобрать. Поскольку максимальная температура, которую может измерить датчик DS18B20, не превышает 127 °C, а "печка" разогревается значительно сильнее, он должен располагаться на некотором удалении от нагревающихся частей.

Рис. 5
Узел управления формирует на разъёме X6 сигнал включения и выключения нагревателя "печки" ламинатора. Однако этот сигнал маломощный, поэтому служащую нагревательным элементом "печки" мощную галогенную лампу соединяют с разъёмом X6 через симисторный коммутатор. Он собран по обычной схеме (рис. 6) на оптроне MOC3063 (U1), обеспечивающем гальваническую развязку цепи управления и включение нагрузки при нулевом мгновенном значении напряжения в сети, и мощном симисторе BT139-800 (VS1).

Рис. 6
Печатная плата коммутатора показана на рис. 7.

Рис. 7
Разъём X3 узла управления соединяют плоским кабелем с разъёмом X1 блока сопряжения с шаговым двигателем. Схема этого блока изображена на рис. 8.

Рис. 8
Подключённый к его разъёмуX2 шаговый двигатель M1 - двухфазный биполярный от лазерного принтера XEROX PHASER 3121. Для преобразования логических сигналов управления в импульсы тока в обмотках двигателя применён распространённый комплект специализированных микросхем L297 (DD1) и L298N (DA2). Это упростило конструкцию блока и уменьшило число компонентов в нём.
От узла управления на разъём X1 поступают сигналы Reset (установка в исходное состояние) и Enable (разрешение работы двигателя), а по каждому импульсу Step двигатель выполняет один шаг в направлении, указанном сигналом Dir. Микросхема dD1 формирует сигналы включения и выключения тока в обмотках двигателя в необходимом порядке. Их доводит до нужного для его работы уровня микросхема DA2.
Диоды VD1-VD8 устраняют выбросы напряжения самоиндукции на обмотках двигателя при их коммутации.
Подключённые к выводам 1 и 15 микросхемы DA2 мощные резисторы R10 и R11 - датчики тока в обмотках. Они дают возможность микросхеме DD1 измерять ток, текущий по этим обмоткам, и с помощью ШИМ управлять его значением. Подстроечным резистором R2 регулируют подаваемое на микросхему dD1 образцовое напряжение Uref, задающее уровень, на котором происходит отсечка тока в обмотках двигателя. Резистор R5 и конденсатор С2 - частотозадающие элементы внутреннего тактового генератора микросхемы DD1.
Съёмными перемычками S1-S3за-дают режимы работы блока. Перемычку S1 устанавливают в положение 1-2, если шаговый двигатель M1 - биполярный, или в положение 2-3, если он униполярный. При перемычке S2 в положении 1-2 двигатель работает в режиме полных шагов, а в положении 2-3 - половинных. Перемычка S3 необходима, если выход подаваемого на блок сигнала Enable выполнен по схеме с общим коллектором (стоком). Подробное описание работы комплекта микросхем L297, L298 можно найти в [2].
В блоке сопряжения находятся также интегральные стабилизаторы DA1 и DA3, обеспечивающие стабилизированным напряжением 5 В и 12 В не только этот блок и шаговый двигатель M1, но и узел управления, а также вентилятор, установленный в корпусе ламинатора. Источником напряжения 15 В для питания ламинатора служит импульсный блок питания от ноутбука, рассчитанный на ток нагрузки 4 А.
Продолжим.
Чертёж печатной платы блока сопряжения изображён на рис. 9.

Рис. 9
Во всех узлах устройства применены постоянные резисторы МЛТ, С2-33, оксидные конденсаторы К50-35 или импортные, остальные конденсаторы - К73-17. Микросхема DA2 блока сопряжения снабжена теплоотводом из отрезка алюминиевого уголка 20x25 мм с толщиной полок3 мм и длиной 55 мм. В полке уголка, не прилегающей к микросхеме, просверлено для улучшения циркуляции воздуха 12 отверстий диаметром 4 мм. Интегральные стабилизаторы DA1 и DA3 закреплены на таком же, но без дополнительных отверстий, теплоотводе.
Привод шагового двигателя, изъятый из лазерного принтера XEROX PHASER 3121, переделан. Его основание обрезано до размеров 120x70 мм, оси некоторых шестерён аккуратно выпрессованы, в них просверлены отверстия диаметром 2,5 мм и глубиной 10 мм, в которых нарезана резьба М3 для крепления на основании в новых заранее рассчитанных точках. Чтобы уменьшить скорость вращения "печки", добавлены ещё две шестерни. Получившийся привод показан на рис. 10. Его конструкция может быть и другой, всё зависит от наличия деталей для доработки имеющегося привода.

Рис. 10
Для ламинатора использован корпус от струйного принтера HP photosmart 7260. Из его нижней половины удалены все ненужные перегородки и установлено основание размерами 300x130 мм из дюралюминиевого листа толщиной 3 мм. На основании закреплены "печка", извлечённая из лазерного принтера XEROX PHASER 3121, и её привод с блоком сопряжения с двигателем, а также блок питания от ноутбука. С "печки" сняты все лишние детали: пластмассовый флажок, перекрывавший оптрон (датчик наличия бумаги), и некоторые другие. Плата датчиков закреплена винтом в верхней части "печки", причём датчики входят в имеющиеся там отверстия.
В левой части корпуса находится плата узла управления. Расположена она так, чтобы установленными на ней кнопками можно было управлять с помощью старых предусмотренных в использованном корпусе клавиш. Собранный ламинатор без верхней откидывающейся крышки показан на рис. 11. На этой крышке закреплён вентилятор. Для забора наружного воздуха в ней сделано круглое отверстие.

Рис. 11
При первом включении узла управления происходит проверка EEPROM микроконтроллера DD1 на отсутствие информации. Если энергонезависимая память чиста (заполнена кодами 0FFH), то в неё переписываются из программ
ной памяти значения необходимых параметров, принимаемые по умолчанию. Если информация в EEPROM уже имеется, то на этапе инициализации она не изменяется и используется программой в дальнейшей работе. В процессе работы значения хранящихся в EEPROM параметров можно корректировать, подбирая нужный режим ламинирования. Откорректированные значения сохраняют в EEPROM нажатием на кнопку SB4.
Во время инициализации микроконтроллера включён красный кристалл светодиода HL1. По её окончании он выключается, а зелёный кристалл включается - ламинатор готов к работе. Процесс ламинирования запускают нажатием на кнопку SB5. При этом "печка" начинает вращаться назад и включается её нагреватель. О процессе разогрева сигнализирует красное свечение светодиода.
Достаточно прогревшись, "печка" начинает вращаться вперёд, вновь включается зелёный кристалл светодиода. Теперь в неё можно подать пакет из фольгированного стеклотекстолита и наложенного на него листа бумаги с рисунком будущих печатных проводников. Я печатаю этот рисунок на бумаге плотностью 230, предназначенной для фотопечати на струйном принтере.
Когда пакет входит в чувствительную зону оптрона-датчика его наличия в "печке", включается красный кристалл светодиода, а программа микроконтроллера ждёт выхода пакета из чувствительной зоны, после чего цвет свечения светодиода становится зелёным. Поскольку оптический датчик расположен на некотором расстоянии от середины "печки", для завершения прохода через неё пакета шаговый двигатель делает заданное число дополнительных шагов. По умолчанию - 1100, но при повторении конструкции "печка" и её привод могут быть другими, так что это число придётся подобрать экспериментально.
Затем направление движения пакета изменяется на противоположное, и он проходит "печку" в обратном направлении до входа, а затем выхода из зоны действия датчика. По умолчанию задано пять проходов пакета через "печку", в моём варианте это обеспечивает очень хорошую адгезию тонера к фольге.
Число проходов можно увеличить нажатиями на кнопку SB2 или уменьшить, нажимая на кнопку SB3. Если же нажать и удерживать одну из этих кнопок более 3 с, она станет изменять число дополнительных шагов. Возврат в режим изменения числа проходов произойдёт при нажатии на любую другую кнопку. Когда завершится последний проход, "печка" будет выключена, пакет выведен из неё, включён вентилятор для охлаждения "печки". Пакет можно оставить в ламинаторе, чтобы он тоже остыл. Определив по показаниям датчика температуры BK1, что "печка" достаточно остыла, программа микроконтроллера выключит вентилятор, привод вращения "печки" и включит зелёный кристалл светодиода.
Как правило, бумага легко отделяется от остывшей заготовки платы без отмачивания, после чего можно сразу переходить к травлению фольги. Проводники шириной 0,3 мм и более (меньше не пробовал) получаются очень хорошо.
Чтобы прервать начатый процесс ламинирования до его автоматического завершения, следует нажать на кнопку SB1. При этом будет выключен нагреватель, включён вентилятор, а "печка" станет вращаться назад, выводя пакет наружу. Этот режим выключается автоматически по показаниям датчика температуры BK1 или вручную нажатием на кнопку SB1.
Налаживание устройства начинают с регулировки контрастности ЖКИ резистором R17 на плате управления и установки номинального тока шагового двигателя подстроечным резистором R2 на плате блока сопряжения с шаговым двигателем. В моём варианте напряжение, поступающее с движка этого резистора на вывод 15 микросхемы L298N, равно 1 В.
Угол между оптическими осями излучающего диода и фотодиода оптрона с открытым каналом U1 (см. рис. 1 и рис. 4) подбирают по минимуму показаний вольтметра, подключённого между выводами 2 и 3 разъёма X1 узла управления при соединённых с этим узлом датчиках и вставленном в "печку" листе белой бумаги.
После того как ламинатор собран и заработал, устанавливают методом проб и ошибок число дополнительных шагов двигателя, необходимых, чтобы изготавливаемая плата проходила всю "печку", но не выпадала их неё, и число проходов платы через "печку", обеспечивающее наилучшую адгезию тонера к фольге.
Файлы печатных плат в формате Sprint Layout и программу микроконтроллера ламинатора можно скачать здесь.
Литература
1. Киба В. Универсальный микроконтроллерный модуль с графическим ЖКИ. - Радио, 2010, № 3, с. 28-30.
2. ВильямсДж. Программируемые роботы. Создаём робота для своей домашней мастерской - М.: НТ Пресс, 2006.
Автор: В. Киба, г. Каменск-Шахтинский Ростовской обл.
