В статье приведены описания устройств, собранных на основе микросхемы аудиоусилителя LM1875T: высоковольтный стабилизатор напряжения +34 В и формирователь искусственной "земли" - преобразователь однополярного питания в двухполярное. Описан двухполярный источник питания с регулировкой выходного напряжения (2x3... 15 В) и ограничением тока (20 мА...1 А) на основе двух усилителей LM1875T и микросхемы регулятора напряжения L200CV.
Микросхема LM1875T - усилитель, в основном предназначенный для построения на его основе УМЗЧ, её выпускают на протяжении уже более 20 лет. За это время выпущено огромное их число, в связи с чем усилитель LM1875T уникально дёшев (его можно приобрести по цене менее 60 руб.).
LM1875T - относительно высоковольтный (напряжение питания - до 60 В) и весьма мощный усилитель (его выходной ток - до 4 А). Микросхема имеет встроенную защиту от превышения тока (4 А) и от перегрева. Несмотря на то что LM1875T предназначен, как правило, для аудиоприменений, его свойств как усилителя никто не отменял. В связи с этим эту микросхему с успехом можно использовать и в других, не аудио, приложениях.
В предлагаемой статье рассказано о двух применениях LM1875T Первое - формирователь искусственной "земли" (подобное устройство часто называют преобразователем однополярного напряжения в двухполярное). Второе - высоковольтный стабилизатор напряжения +34 В. Далее в статье описаны оба этих устройства, которые можно использовать как отдельные конструкции, так и в составе приведённого в статье регулируемого двухполярного источника питания (ИП) с защитой от превышения тока.

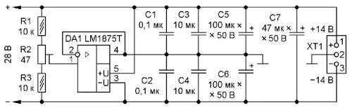
Рис. 1. Схема формирователя искусственной "земли"
Схема формирователя искусственной "земли", приведённая на рис. 1, как можно убедиться, весьма проста. Устройство представляет собой простейший повторитель напряжения на микросхеме DA1, на вход которой подано напряжение, равное половине напряжения питания и снятое с движка подстроечного резистора R2 делителя R1R2R3. Сопротивление подстроечного резистора R2 выбирают в зависимости от допуска резисторов R1 и R3. При допуске этих резисторов 0,1 % сопротивление резистора R2 - 47 Ом. Если допуск резисторов R1 и R2 в десять раз хуже, например 1 %, то и сопротивление резистора R2 следует увеличить в десять раз - 470 Ом. Конденсаторы C1-C4 - керамические, C5-C7 - оксидные с низким ЭПС. Здесь следует особо подчеркнуть, что поскольку усилитель LM1875T широкополосен, применение обычных оксидных конденсаторов, не с низким ЭПС, исключено. Автор использовал конденсаторы серии UPW компании Nichicon. Это весьма распространённые, а потому легко доступные конденсаторы. Применение обычных дешёвых конденсаторов может привести к возникновению паразитной генерации усилителя на частотах до нескольких килогерц и амплитудой вплоть до напряжения питания, что может вывести микросхему из строя. На вход устройства поступает однополярное напряжение, в нашем случае оно равно +28 В, выходное - 2x14 В.

Рис. 2. Чертёж печатной платы формирователя

Рис. 3. Размещение элементов на плате формирователя
Формирователь собран на плате из фольгированного с двух сторон стеклотекстолита, чертёж которой показан на рис. 2. На одной стороне размещены выводные элементы, на другой - элементы для поверхностного монтажа (рис. 3). Выводные оксидные конденсаторы С5 и С6 размещены со стороны поверхностно монтируемых элементов. Фотографии собранной платы показаны на рис. 4 и рис. 5.

Рис. 4. Вид собранной платы

Рис. 5. Вид собранной платы
Налаживание устройства заключается в установке подстроечным резистором R2 двухполярного выходного напряжения, противоположного по знаку и равного по значению. Для этого между выходом +14 В и общим проводом, а также общим проводом и выходом -14 В подключают цифровые вольтметры или мультиметры и, перемещая движок резистора R2, добиваются равенства этих напряжений.
Для проверки работоспособности устройства к выходам плеч подключают резисторы сопротивлением 28 Ом (ток нагрузки 0,5 А) и 14 Ом (ток 1 А) и цифровым вольтметром или мультиметром измеряют соответствующие напряжения. В первом случае, при токе 0,5 А, значения этих напряжений не должны отличаться от напряжений без нагрузки вплоть до второго знака после запятой - до 10 мВ. При токе в 1 А второй знак после запятой может отличаться не более чем на единицу, т. е. на 10 мВ.
Самое простое применение формирователя искусственного общего провода - преобразователь однополярного напряжения питания, например +30 В, в двухполярное, +15 В и -15 В, для питания таким напряжением стандартных ОУ от одного стабилизированного источника питания, например Б5-47.
Продолжение следует
Автор: А. Кузьминов, г. Москва
