Различные усилители звука, как микрофонные, так и мощные оконечные УмЗч, нуждаются при налаживании в эталонном сигнале. Многие радиолюбители испытывают УНЧ, просто коснувшись пальцем входа или подав музыкальную мелодию от ПК или смартфона, более продвинутые радиолюбители запускают специальные тестовые программы, но можно собрать малогабаритный тестовый генератор с малыми искажениями сигнала, чтобы раз и навсегда решить этот вопрос.

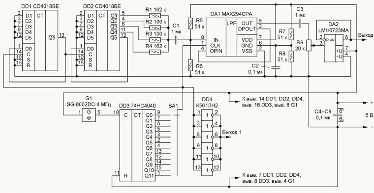
Рис. Схема генератора
Схема такого генератора изображена на рисунке. Генератор выдаёт сигналы 12 фиксированных частот в диапазоне 10 Гц...20 кГц. Отличительная особенность генератора - высокая стабильность частоты и амплитуды синусоидального сигнала, низкие искажения сигнала - < 0,01 % и удобство в работе. В устройстве применяется фильтрация тактовых прямоугольных импульсов заданной частоты (App note: Low-cost circuit converts clock to low-distortion sinewave. - URL: http://dangerousprototypes.com/ blog/2011/05/07/app-note-low-cost-circuit-converts-clock-to-low-distortion-sinewave/). Для этого в начале необходимо разделить тактовую частоту до требуемой звуковой частоты, а затем подавить гармоники. Например, прямоугольный сигнал со скважностью 2 содержит только нечётные гармоники (третью, пятую, седьмую и т. д.), а их амплитуды уменьшаются с частотой. Амплитуда третьей гармоники равна 1/3 амплитуды основной гармоники, пятой - 1/5 амплитуды основной гармоники и т. д. Сначала ослабляются нежелательные гармоники входного сигнала с самой большой амплитудой (ниже девятой) с помощью счётчика DD2 и суммирующей цепи из резисторов R1-R4.
Эллиптический фильтр нижних частот восьмого порядка с переключаемыми конденсаторами DA1 (MAX294СРА) удаляет большую часть оставшихся гармоник. Граничная частота (частота среза) фильтра DA1 устанавливается входным тактовым сигналом как Fclk/100. Счётчик DD1 делит входной тактовый сигнал на десять. Второй счётчик (DD2) также делит частоту на десять, но сигналы на его выходах суммируются цепью резисторов R1-R4, чтобы получить девятиступенчатую аппроксимацию синусоиды. Этот сигнал дополнительно фильтрует НЧ-фильтр DA1, который ослабляет все гармоники. Входной сигнал (сигнал на входе CLK) служит тактовым сигналом дляDA1, задающим частоту среза фильтра. Для достижения наименьшего искажения сигнала на входе IN микросхемы DA1 должна быть половина напряжения питания, а его входной сигнал уменьшен до пикового значения 2,2 В. Это ослабление достигается с помощью делителя напряжения, состоящего из выходного сопротивления суммирующей цепи и входного сопротивления фильтра - сопротивление резисторов R5 и R6, соединённых параллельно.
Выходной синусоидальный сигнал генератора буферизируется повторителем DA2 (LMH6723), при этом максимальный выходной ток может достигать 115 мА. Переменным резистором R9 устанавливают уровень выходного сигнала. Этот резистор должен иметь логарифмическую характеристику изменения сопротивления.
Тактовый кварцевый генератор с выходной частотой 4 МГц - микросхема SG-8002DC-4 МГц (G1). Частота тактового генератора делится последовательно двенадцатиразрядным счётчиком-делителем DD3 (74HC4040). В итоге получаются 12 различных частот в диапазоне, приблизительно от 1 кГц до 2 МГц. Соседние частоты отличаются друг от друга в два раза. Двенад-цати частот вполне достаточно для налаживания НЧ-аппаратуры, хотя при желании можно применить генератор с плавной регулировкой частоты, но при этом усложняется схема и потребуется встраиваемый частотомер.
На "Выход 1" через буфер на элементах микросхемы DD4, соединённых параллельно, поступает сигнал прямоугольной формы со счётчика-делителя DD3 частотой приблизительно от 1 кГц до 2 МГц. Этот сигнал можно использовать при налаживании цифровых устройств.
Чтобы исключить налаживание генератора, резисторы R1-R4 должны иметь допуск по номиналу не более 1 %. Остальные резисторы - с допуском 5 %. Конденсаторы - керамические.
Автор: А. Корнев, г. Одесса, Украина
