В процессе полуторагодичной эксплуатации устройство дистанционного управления с кодовым доступом, описанное в [1], зарекомендовало себя с лучшей стороны. Однако были выявлены два недостатка, осложняющих работу с ним.
Первый недостаток заключается в том, что приём кода с мобильного телефона иногда происходит неверно - одна из цифр кода "проскакивает" на вход устройства дважды, в результате чего оно переходит в режим блокировки. Виновно в этом не само устройство, а сети мобильной связи и, отчасти, мобильные телефоны, с помощью которых осуществляется управление, так как при вводе кода со стационарного пульта-телефона, подключённого к устройству, ошибок в приёме кода не наблюдается. Так как повлиять на качество передачи DTMF-сигнала по сети мобильной связи не представляется возможным, наиболее простым решением этой проблемы является изменение алгоритма работы счётчика ошибок таким образом, чтобы режим блокировки устройства включался не после четвёртой, а после шестой введённой цифры кода. В этом случае при ошибке в приёме кода имеется возможность произвести сброс устройства нажатием на кнопку "#" и ввести код заново.
Второй недостаток связан с неоправданным усложнением процесса управления некоторыми нагрузками. Если, например, для постановки объекта на сигнализацию и снятия с неё ввод четырёхзначного кода вполне оправдан, то управление другими, менее "серьёзными" устройствами с помощью длинного кода создаёт лишь неудобства. Для решения этой проблемы в устройство целесообразно ввести дополнительные транзисторные ключи, управление которыми осуществляется непосредственно от дешифраторов DD4 и DD5 (см. рис. 1 в [1]), а для минимизации вероятности ошибки управления включение транзисторных ключей можно сделать зависимым от нажатия на какую-либо кнопку.

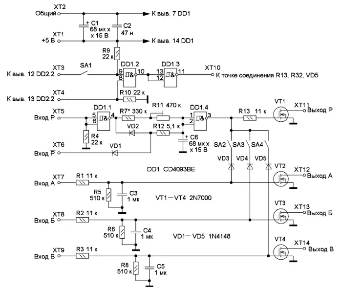
Рис. 1. Схема дополнительного модуля
Для реализации описанных выше доработок был разработан дополнительный модуль, схема которого приведена на рис. 1. Для изменения логики работы счётчика ошибок служат элементы DD1.2 и DD1.3. Когда выключатель SA1 разомкнут, счётчик ошибок работает как обычно, блокируя устройство после введения четырёх цифр кода в том случае, если хотя бы одна из них неверна. При этом элементы DD1.2, DD1.3 выполняют роль повторителя сигнала, приходящего с контактаХТ4 на контакт ХТ10. Если выключатель SA1 замкнут, вывод 9 элемента DD1.2 соединяется с выходом Q2 (вывод 12) счётчика ошибок DD2.2, поэтому высокий логический уровень на контакте ХТ10 появится лишь тогда, когда на выходах Q2 и Q3 счётчика DD2.2 будет высокий логический уровень, что соответствует цифре 6.
Транзисторы VT2-VT4 совместно с конденсаторами С3-С5, задерживающими переключение транзисторов, образуют ключи, управляющие нагрузками. Входы ключей (контакты ХТ7- ХТ9) подключают к контактам наборного поля устройства, соответствующим выбранным для управления ключами цифрам. Режим работы транзисторных ключей определяется положением выключателей SA2-SA4. Когда выключатели разомкнуты, ключи работают в независимом режиме, т. е. включаются при нажатии на соответствующие кнопки стационарного или мобильного телефона. Когда любой из выключателей замкнут, работа этого транзисторного ключа становится зависимой от логического уровня на входе разрешения.
Если на входе разрешения (контакте ХТ5) установлен низкий уровень напряжения, конденсатор С6 заряжен и на выходе элемента DD1.4 присутствует низкий логический уровень, поэтому транзисторные ключи оказываются закрытыми вне зависимости от напряжения на их входах. При появлении на входе разрешения высокого логического уровня конденсатор С6 быстро разряжается через диод VD2 и резистор R12, ограничивающий разрядный ток, и на выходе элемента DD1.4 появляется высокий уровень напряжения, закрывающий диоды VD3-VD5 и разрешающий работу транзисторных ключей.
Время, в течение которого работа ключей разблокирована после исчезновения высокого логического уровня на контакте ХТ5, зависит от длительности зарядки конденсатора С6 через резисторы R7 и R11. Контакт ХТ5 соединяют с одним из контактов наборного поля, соответствующим цифре, выбранной для разблокирования работы ключей. Дополнительный инверсный вход разрешения (контакт ХТ6) позволяет разблокировать работу транзисторных ключей сигналом низкого логического уровня, например, с выхода "*" устройства. Транзистор VT1 открывается при появлении сигнала разрешения и остаётся открытым до конца зарядки конденсатора С6.

Рис. 2. Схема входа DTMF-сигнала
В устройство также добавлен третий вход DTMF-сигнала, схема которого приведена на рис. 2, и особых пояснений не требует. Дополнительный вход позволяет управлять устройством не только с помощью отдельного стационарного пульта-телефона, но и с помощью одного из телефонов, подключённых к устройству [2] (для этого дополнительный вход DTMF-сигнала соединяют с контактом А или Б этого устройства).

Рис. 3. Чертёж печатной платы и размещение элементов на ней

Рис. 4. Внешний вид смонтированной платы
Детали дополнительного модуля размещены на печатной плате из одностороннего фольгированного стеклотекстолита толщиной 1,5 мм, чертёж которой приведён на рис. 3, а внешний вид смонтированной платы - на рис. 4. Конденсатор С6 устанавливают над микросхемой DD1. Элементы дополнительного входа DTMF-сигнала (см. рис. 2) смонтированы навесным монтажом непосредственно на основной плате устройства дистанционного управления.
Требования к деталям дополнительного модуля такие же, как и для самого устройства. Подстроечный резистор - СП4-1, конденсаторы С1, Сб - танта-ловые К53-1 или другие, имеющие выводы по оси корпуса, блок выключателей SA1-SA4 - в корпусе DIP-8. Микросхему CD4093BE можно заменить отечественной микросхемой К561ТЛ1 или использовать микросхему К561ЛА7.
Собранный правильно и из исправных деталей модуль начинает работать сразу. Налаживание сводится к установке нужной длительности сигнала разрешения работы транзисторных ключей путём подбора сопротивления резистора R7 (минимальная длительность) и, при необходимости, сопротивления подстроечного резистора (максимальная длительность). При указанных на схеме номиналах элементов минимальная выдержка равна 15 с, а максимальная - 45 с. Для изменения длительности выдержки также можно подобрать ёмкость конденсатора С6, а если в плавном изменении выдержки нет необходимости, вместо подстроечного резистора следует установить перемычку.
Описанный кодовый модуль позволяет осуществлять различные способы управления дополнительными транзисторными ключами и их комбинации. Например, у автора контакты ХТ5, ХТ7-ХТ9 модуля соединены соответственно с контактами 8, 1, 3, 5 наборного поля, выключатели SA2, sA3 замкнуты, а SA4 разомкнут. При таком подключении нажатие на кнопку "5" в любом из режимов работы устройства приводит к открыванию транзистора VT4, управляющего дистанционным термометром [3]. При нажатии на кнопку "8" открывается транзистор VT1, в цепь стока которого включено реле, управляющее светильником, расположенным у калитки, ведущей на дачный участок, который по истечении заданной выдержки отключается автоматически.
Нажатие на кнопку "8" также разрешает открывание транзисторов VT2, VT3 при нажатии на кнопки "1" и "3". Транзистор VT2 управляет устройством [4], которое, в свою очередь, позволяет включать и отключать устройство [5], а к стоку транзистора VT3 через диоды 1N4148 подключены нижние по схеме (рис. 4 в [4]) выводы реле К1 и К2. При нажатии на кнопку "3" оба реле одновременно срабатывают, что позволяет отключить освещение на участке в том случае, если с помощью устройства [5] была включена лишь одна из групп осветительных ламп (нажатие на кнопку "1" в этом случае не позволило бы полностью отключить освещение, так как после срабатывания устройства [4] включённая группа ламп оказалась бы выключенной, а выключенная - включённой). При необходимости назначение управляющих кнопок и алгоритм работы устройства можно в любой момент изменить путём подключения входов дополнительного модуля к другим контактам наборного поля и изменением положения выключателей SA2-SA4.
Файл печатной платы устройства в формате Sprint Layout можно найти здесь.
Литература
1. Мельников А. Устройство дистанционного управления с кодовым доступом. - Радио, 2019, № 7, с. 37-44.
2. Мельников А. Переговорное устройство - из телефонных аппаратов. - Радио, 2018, №4, с. 40-44.
3. Мельников А. Дистанционный термометр с речевым оповещением. - Радио, 2019, № 12, с. 32-36.
4. Мельников А. Ждущие генераторы импульсной последовательности, тактируемые мигающим светодиодом. - Радио, 2020, № 1, с. 16-18.
5. Мельников А. Устройство управления освещением. - Радио, 2019, № 3, с. 33-37.
Автор: А. Мельников, г. Барнаул
