Авторы статьи предлагают читателям изготовить полезный в быту портативный прибор, основой которого являются указанные в заголовке компоненты.
В настоящее время в радиолюбительской литературе появилось огромное число описаний электронных термометров. В большинстве этих устройств (например, [1-3]) использован цифровой датчик температуры DS18B20, что обусловлено его широкой распространённостью, относительно низкой стоимостью, простым подключением к микроконтроллеру с использованием всего одного вывода и высокой точностью (около 0,5 оС).
Но для оценки условий окружающей человека среды кроме температуры важны и другие параметры, особенно относительная влажность воздуха. До недавнего времени для её измерения применяли отдельные датчики, в большинстве своём аналоговые, требующие кропотливой калибровки. Но сегодня радиолюбителям стали доступны комбинированные цифровые датчики, измеряющие как температуру, так и влажность воздуха.
В качестве примера можно привести датчик SHT21 [4]. По заявлению производителя, это самый маленький в мире датчик влажности и температуры. Выпускается он в миниатюрном шестивы-водном корпусе для поверхностного монтажа и соединяется с микроконтроллером по широко распространённому интерфейсу I2C. Интервал измерения относительной влажности воздуха - 0...100 % при типовой погрешности ±2 %. Температура в интервале -40...+125 °С измеряется с типовой погрешностью ±0,3 оС. Всё это делает его очень привлекательным для использования в качестве датчика для бытового термометра-влагомера. К недостаткам можно отнести слишком маленькие размеры (3x3x1,1 мм) - далеко не каждый радиолюбитель легко справится с его монтажом на плату, а также довольно высокую стоимость. Однако в 2011 г. фирма Sensirion (разработчик датчика) в рекламных целях рассылала эти датчики всем желающим, и многие украинские и российские радиолюбители успели их получить. По мнению авторов, предлагаемая статья будет им очень полезна.
Для вывода информации в большинстве любительских микроконтроллерных приборов используются знакосин-тезирующие индикаторы на светодио-дах или жидких кристаллах. Первые потребляют много энергии, а вторые либо требуют сложного сопряжения с микроконтроллером, либо не отличаются большим размером цифр, что затрудняет считывание их показаний с большого расстояния или людьми с ослабленным зрением. В последнее время радиолюбители стали использовать в своих разработках графические ЖКИ от сотовых телефонов, позволяющие при малых габаритах и высокой экономичности синтезировать на экране цифры довольно большого размера. Самым популярным из них стал ЖКИ от сотового телефона Nokia 3310. Это объясняется лёгкостью его соединения с микроконтроллером (требуются всего четыре или пять проводов, а протокол обмена информацией очень прост) и несложным способом формирования изображения на экране с разрешением 84x48 пкс. К тому же этот ЖКИ значительно дешевле обычно применяемых изделий фирм Winstar и МЭЛТ.
Микроконтроллер ATtiny2313 был выбран в качестве управляющего предлагаемым устройством благодаря своей распространённости, низкой стоимости, малым габаритам и широкому допустимому интервалу напряжения питания (2,7...5,5 В).

Рис. 1
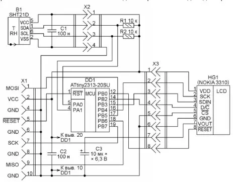
Схема термометра-влагомера показана на рис. 1. Он очень прост - кроме уже упомянутых датчика (B1), ЖКИ (HG1) и микроконтроллера (DD1), в нём всего три конденсатора, два резистора и три разъёма.
Датчик B1, как было сказано выше, измеряет текущие температуру и влажность воздуха и по интерфейсу I2C передаёт полученную информацию в микроконтроллер. Поскольку аппаратный модуль I2C в микроконтроллере ATtiny23l3 не предусмотрен, то обмен информацией организован программно. Резисторы R1 и R2, подключённые к линиям SDA и SCL, необходимы согласно спецификации интерфейса. Они поддерживают на них высокий логический уровень, когда выходные транзисторы интерфейсных передатчиков закрыты. Конденсаторы С1 и С2 - блокировочные цепей питания датчика и микроконтроллера. Они должны находиться как можно ближе соответственно к датчику B1 и микроконтроллеру DD1. Конденсатор С3 необходим для правильной работы ЖКИ и обязательно должен иметь указанную на рис. 1 ёмкость.
Датчик В1 и конденсатор С1 вынесены на отдельную плату, которая соединяется с основной посредством че-тырёхпроводного плоского кабеля и разъёма Х2. Так сделано для того, чтобы иметь возможность поместить датчик в удобное для измерения температуры и влажности место. ЖКИ HG1 соединяется с микроконтроллером с помощью плоского восьмипро-водного кабеля и разъёма X3. Информация на индикатор передаётся по реализованному программно интерфейсу SPI. Вилка X1 - двухрядная с расположением штырьков 5x2. Она предназначена для программирования микроконтроллера, а также для подачи на устройство напряжения питания по цепям VCC и GND. Назначение контактов вилки X1 такое же, как у стыкуемой с ней кабельной розетки отладочной платы STK200/300.

Рис. 2
Термометр-влагомер собран на двух печатных платах: основной (рис. 2) и плате датчика (рис. 3). Обе выполнены из фольгированного с одной стороны текстолита.

Рис. 3
Индикатор от телефона Nokia 3310 обычно продаётся вместе с клавиатурным блоком и микрофоном в виде сборки, показанной на рис. 4. В него встроен контроллер PCD8544, информацию о котором можно найти в [5]. С обратной стороны модуля индикатора находятся пружинные контакты, нумерация которых показана на рис. 5. К ним и следует припаять провода плоского кабеля, соединяющего ЖКИ с разъёмом X3.

Рис. 4

Рис. 5
Конечно, для уменьшения габаритов индикатор можно вынуть из корпуса и припаять провода непосредственно к нанесённым на стекло контактным площадкам. Но при этом крайне велик риск случайно повредить его, поэтому такой вариант не рекомендуется. Лучше отпилить от корпуса индикатора верхнюю и нижнюю части. При этом и пайка будет безопаснее, и индикатор останется защищённым от повреждений. Но даже в этом случае стоит помнить, что перегревать пружинные контакты при пайке нельзя. Если их пластмассовый держатель расплавится, это может привести к потере контакта или к замыканию.
После сборки основной платы необходимо загрузить коды из файла ht_meter.hex в программную память микроконтроллера DD1. Конфигурацию микроконтроллера следует установить в соответствии с рис. 6.

Рис. 6
Важно помнить, что максимальное напряжение питания датчика и ЖКИ - 3,6 В, поэтому необходимо отключить их от разъёмов X2 и X3 прежде, чем приступать к программированию микроконтроллера с помощью программатора с напряжением питания 5 В. Закончив программирование и отсоединив программатор, ЖКИ и датчик подключают обратно, затем подают напряжение питания (не более 3,6 В) на контакты 2 и 4 разъёма X1. Авторы использовали для питания прибора два последовательно соединённых гальванических элемента типоразмера АА.

Рис. 7
Правильно собранный термометр-влагомер в налаживании не нуждается. НаЖКИ HG1 при его работе выводятся в две строки (рис. 7): значения температуры в градусах Цельсия и относительной влажности в процентах. Ниже ЖКИ в передней панели прибора вырезано и закрыто неплотной тканью окно, непосредственно за которым установлена плата с датчиком B1. Выключатель питания в устройстве не требуется, поскольку потребляемый им ток крайне мал, что позволяет ему работать от одного комплекта гальванических элементов непрерывно в течение полугода.
Литература
1. Мельников А. Термометр с ЖКИ и датчиком DS18B20. - Радио, 2007, № 1, с. 46.
2. Фролов Д. Компьютерный термометр с датчиком DS18B20. - Радио, 2004, № 9, с. 28, 29.
3. Сокол С. Цифровой термометр. - http://sokolsp.at.ua/publ/cifrovoj_termom etr/1-1-0-6.
4. SHT21 Humidity and Temperature Sensor IC. - http://www.sensirion.com/fileadmin/user_upload/customers/sensirion/Dokume nte/Humidity/Sensirion_Humidity_SHT21_D atasheet_V3.pdf.
5. PCD8544 48 84 pixels matrix LCD controller/driver. - http://www.chipfind.ru/datasheet/ pdf/philips/pcd8544.pdf.
Файлы печатных плат в формате Diptrace и программу микроконтроллера можно скачать здесь.
Автор: П. Кузнецов, С. СОКОЛ, г. Мариуполь, Украина
