Устройство, о котором идёт речь в статье, представляет собой оптопару с механически регулируемой оптической связью. Изменение этой связи от нуля до максимальной величины осуществляется поворотом расположенной между излучающим диодом и фотоприёмником заслонки особой формы из светонепроницаемого материала. Угол поворота заслонки зависит от её формы. Если, например, это круг с центром, смещённым относительно оси валика управления, угол поворота равен 180о, а если спираль Архимеда, - 360о. Такую оптопару можно применить в качестве регулятора громкости в оконечных каскадах усилителей ЗЧ, в формирователях управляющего напряжения для смещения транзисторов, варикапов, в управляемых аттенюаторах, ГУНах и т. д. Поскольку результат работы устройства проявляется в изменении тока или напряжения в управляемой цепи, будем называть его оптронным аналогом переменного резистора (для краткости - ОАПР).
ОАПР обладает вибрационной устойчивостью и помехозащищённостью от ИК-излучений. Конструкция прибора позволяет легко заменять излучающие диоды и фотоприёмники с автоматической установкой по оптической оси при соответствии диаметров их пластиковых линз входному диаметру светового канала.
Устройство ОАПР представлено на рис. 1. Его основа - передняя (5) и задняя (3) стенки из непрозрачной листовой пластмассы или иного относительно плотного материала (например, напольного ламината), соединённые шурупами 7 через прокладки 1. На передней стенке с помощью ещё двух таких же шурупов и планки-держателя 8 закреплён излучающий диод 10, а на задней - фотоприёмник 9.

Рис. 1. Устройство ОАПР: 1 - прокладка, стеклотекстолит толщиной 1,5 мм, 2 шт.; 2 - тормоз, ткань атласная, 2 шт., приклеить к детали 3 клеем "Момент", не допуская пропитки им ткани; 3,5 - стенки соответственно задняя и передняя, ламинат толщиной 8 мм, скрепить одну с другой через прокладки 1 шурупами 7; 4 - заслонка, пластик листовой толщиной 1 мм, приклеить к детали 6 клеем "Момент"; 6 - валик, трубка латунная внешним диаметром 7 мм; 7 - шуруп-саморез 3,5x12 (диаметр х длина, мм), 8 шт.; 8 - планка-держатель элементов оптопары, стеклотекстолит толщиной 1,5 мм, 2 шт., крепить к деталям 3 и 5 шурупами 7; 9 - фотоприёмник; 10 - излучающий диод
Фигурная заслонка 4 (в данном случае круг со смещённым на 2 мм центром) изготовлена из непрозрачной пластмассы толщиной, примерно на 0,5 мм меньшей, чем прокладки 1, и закреплена с помощью клея "Момент" на пустотелом латунном валике 6 (использовано колено с наружным диаметром 7 мм от телескопической антенны). Эта деталь ОАПР может быть изготовлена и из сплошного металла (из прутка диаметром 6...7 мм). Для того чтобы заслонка вращалась без люфта и не изменяла своего положения самопроизвольно, отверстия под валик 6 в стенках 3 и 5 необходимо изготовить возможно точнее, с минимальным зазором, а к стенке 3 с внутренней стороны надо приклеить полоски тонкой ткани 2 (рис. 2), которые будут выполнять функции тормозных устройств заслонки. Внешний вид одного из вариантов ОАПР показан на рис. 3.

Рис. 2. Заслонки

Рис. 3. Внешний вид одного из вариантов ОАПР
После сборки устройства следует снять его передаточную характеристику - зависимость тока фотоприёмника Iф (или напряжения на нём Uф) от тока через излучающий диод Iид при "открытой" заслонке (когда она находится в положении минимального влияния на световой поток от излучающего диода к фотоприёмнику) для возможной коррекции схемы устройства, в котором предполагается использовать ОАПР. В качестве примера на рис. 4 представлены схема измерений (а) и передаточная характеристика (б) ОАПР с компонентами оптопары от датчика бумаги принтера, а на рис. 5 - то же, с компонентами оптопары из пожарного дымового извещателя ИП-212 выпуска 2009 г. В обоих случаях ток через излучающий диод VD1 регулируют переменным резистором R1, а измеряют в первом случае миллиамперметром PA2, а во втором - PA1. Для измерения тока фотоприёмника используют миллиамперметр PA1 (см. рис. 4), а для измерения напряжения на нём - милливольтметр PV1.

Рис. 4. Схема измерений (а) и передаточная характеристика (б) ОАПР с компонентами оптопары от датчика бумаги принтера

Рис. 5. Схема измерений (а) и передаточная характеристика (б) ОАПР с компонентами оптопары из пожарного дымового извещателя ИП-212
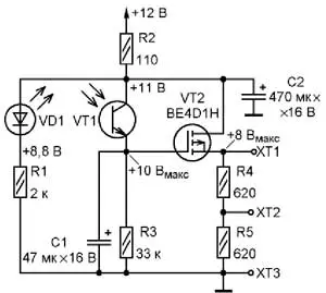
Схема одного из устройств, в котором испытывался ОАПР, - формирователя управляющего напряжения на полевом транзисторе BE4D1H показана на рис. 6. Элементы оптопары извлечены из узлов с маркировкой IA34LG или ONI350, применяемых в принтерах. Рабочая точка оптопары выбрана в верхней части передаточной характеристики. При необходимости напряжение питания устройства можно увеличить, скорректировав соответствующим образом ток через излучающий диод VD1. Входное сопротивление повторителя на транзисторе VT2 при низком напряжении на затворе довольно велико (больше 20 кОм), поэтому может потребоваться экранирование проводов, идущих к фототранзистору VT1. Устройство испытывалось для непосредственного управления уровнем звука. Результат отрицательный (велик уровень шумов).

Рис. 6. Формирователь управляющего напряжения на полевом транзисторе BE4D1H
Схема усилителя мощности ЗЧ с регулируемым ОАПР уровнем громкости изображена на рис. 7. Излучающий диод VD1 включён в стоковую цепь транзистора VT1, фотодиод VD2 - в цепь затвора VT2. Для уменьшения шумов оптопары последний использован в режиме генерации напряжения. Рабочая точка выбрана в середине близкого к линейному участка передаточной характеристики. Её линеаризация осуществляется с помощью отрицательной ОС через цепь R16C8, показанную на схеме штриховой линией.

Рис. 7. Схема усилителя мощности ЗЧ с регулируемым ОАПР уровнем громкости
Выходная мощность усилителя на нагрузке сопротивлением 4 Ом - 0,5 Вт. При входном переменном напряжении 0,15 В частотой 800 Гц на активной нагрузке 4,7 Ом получено напряжение 1 В. С увеличением частоты до 8 кГц напряжение на выходе уменьшается в два раза. При полностью введённой заслонке наблюдается подъём низших частот (амплитуданапряжения частотой 80 Гц в 1,5 раза выше, чем на частоте 800 Гц). На слух, по изменению громкости в зависимости от угла поворота заслонки, устройство соответствует переменному резистору группы В.
Налаживание усилителя сводится к проверке указанных на схеме значений напряжения (измерены прибором Ц4353 при напряжении питания 12 В; напряжение на истоке транзистора VT1 - по шкале 3 В). Отрицательную ОС подбирают на слух, изменяя сопротивление резистора R16 в пределах от 7 до 2 кОм. Коэффициент усиления по напряжению можно уменьшить до 2.
Фотодиод VD2 работает в режиме генерации напряжения. Его необходимо шунтировать резистором R5 сопротивлением 10 кОм, а для соединения с затвором транзистора VT2 применить экранированный провод. Кроме того, необходимо исключить влияние на VD2 посторонних видимого и ИК-излучений. При необходимости, на заключительном этапе настройки, сопротивление резистора можно уменьшить до 5 кОм.
При экспериментах в качестве VT1 - VT3 использовались транзисторы NO2 из системных плат компьютеров, а в качестве VT4, VT5 - указанные на схеме транзисторы из мониторов с ЭЛТ.
Автор: С. Долганов, г. БарабинскНовосибирской обл.
