Любой радиолюбитель знает, что такое осциллограф, и хотел бы его иметь в своей домашней лаборатории. Однако стоимость промышленных приборов далеко не всегда позволяет его приобрести для домашнего использования. Начинающие радиолюбители, покрывая потребность в хоть каком-то осциллографе, используют недорогие наборы или готовые конструкции, например, DSO-138 или DSO-150, собранные на микроконтроллере (МК) STM32F103. Но экран диагональю 2,4" и очень посредственные характеристики этих изделий не сильно вдохновляют.
Как-то на просторах Интернета я встретил интересное техническое решение вывода на экран изображения [1] также на основе МК STM32F103, и тогда возникла мысль, а что, если это решение "скрестить" с осциллографом?
Развитием этой идеи явилась описываемая ниже приставка к монитору или телевизору с VGA-входом, которую можно использовать как в повседневной радиолюбительской практике, так и в качестве демонстрационного осциллографа в учебных заведениях, подключая её к проектору и выводя изображение на большой экран для всей аудитории. Ещё один вариант применения - совместное использование с приставкой к осциллографу для измерения АЧХ, например, как в [2].
Но МК STM32F103 имеет очень ограниченный объём оперативной памяти и не самый быстрый АЦП, необходимый для осциллографа, вследствие чего было принято решение использовать более продвинутый МК STM32F411CE, такой, как на отладочной плате Black Pill V2.0 (рис. 1). Ко всему прочему, он не требует для своего программирования специальных программаторов.

Рис. 1. Отладочная плата Black Pill V2.0
Для осциллографической приставки был выбран режим VGA 640x480 с частотой кадров 60 Гц, что соответствует частоте следования видеоданных 25 МГц. Для вывода изображения на экран использовано удвоение пиксела по горизонтали и вертикали, что соответствует 320x240 точкам графического изображения. Рабочее поле для вывода осциллограмм - 300x200 точек.
Разрешение экрана сильно связано с тактовой частотой МК 100 МГц (100/4 = 25 МГц, частота видеоданных) и с тактовой частотой АЦП, которая в данном случае выбрана 50 МГц. Она хоть и выше максимально заявленной в 36 МГц, спокойно воспринимается самим АЦП. Для увеличения частоты выборок аЦп работает в восьмибитном режиме, что даёт немного менее 5 млн выборок в секунду. У выбранного МК только один АЦП, поэтому для двухканального варианта приставки используется чередование опроса двух каналов. На практике это позволяет спокойно рассматривать сигналы частотой до 500 кГц в одноканальном и до 250 кГц в двухканальном режимах работы, но можно увидеть наличие сигнала и оценить его частоту в два раза выше.

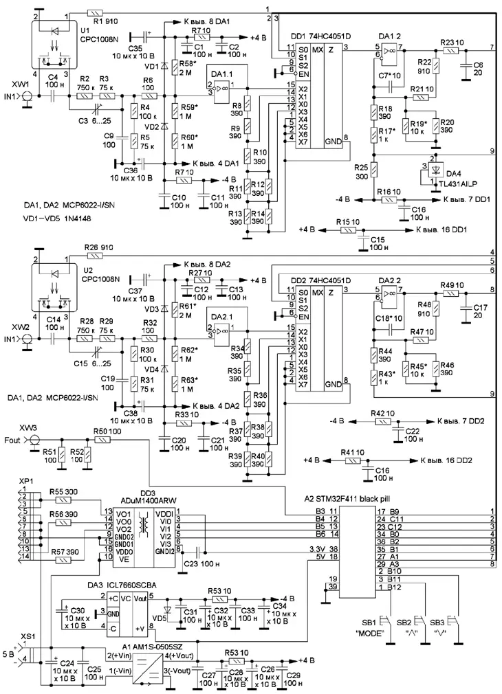
Рис. 2. Схема приставки
Схема приставки показана на рис. 2. Её питание осуществляется от USB-порта (телевизора) монитора, к которому она подключается, или любого другого источника питания напряжением 5 В и током до 500 мА (ЗУ для сотового телефона). Потребление приставки не превышает 150 мА.
Аналоговая часть собрана на ОУ DA1 (DA2), коммутаторе на микросхеме DD1 (DD2), который обеспечивает переключение чувствительности усилителя вертикального отклонения. Переключение режимов, закрытый (AC) или открытый (DC), осуществляется с помощью оптопары U1 (U2).
Управление приставкой осуществляется с помощью трёх кнопок "˄", "v" и "MODE". Коротким нажатием на кнопку "MODE" можно оперативно перемещаться между основными функциями - "Развёртка времени", "Уровень триггера", "Чувствительность входа 1" и "Чувствительность входа 2". При нажатии и удержании кнопки "MODE" и нажатии на кнопки "˄" и "v" можно перемещаться между всеми доступными функциями, к которым относятся "Тип триггера", "Выход тест", "Тип Входа 1", "Уровень нуля Входа 1", "Тип Входа 2", "Уровень нуля Входа 2". Текущая функция выделяется прямоугольным окном. Внутри функции управление осуществляется кнопками "˄" и "v".
Одновременно может обрабатываться один канал или два канала поочерёдно, синхронизация развёртки возможна от любого канала по фронту или спаду сигнала, в том числе и в режиме ожидания одиночного срабатывания. Имеются настройки уровня срабатывания триггера синхронизации и линии нуля каждого канала. В каждом канале выводится информация о частоте сигнала и, в зависимости от типа входа AC или DC, о размахе сигнала (Vpp) или среднем напряжении (Vavr). Реализована возможность выключить показ каждого канала и "заморозить" экран (режим HOLD).
Основные технические параметры
Разрядность АЦП, бит ............8
Частота дискретизации, миллионов выборок в секунду ....................4,5
Входное сопротивление каждого канала, МОм ........................ 1
Развёртка по времени, мкс/дел............1,2,5, 5, 10, 25, 50, 100, 250, 500, 1000, 2500, 5000, 10000 Усилитель вертикального отклонения, В/дел 0,25, 0,5, 1, 2, 4
Частота тестового сигнала, кГц .......0,1,0,5,1,5,10, 100, 250 и выключен
Основным является узел центрального процессора, весь функционал приставки реализован программно. Запрограммировав модуль А2 и подключив к приставке кнопки управления и VGA-монитор, можно проверить работу всей приставки, подавая на вход сигналы в интервале от 0 до 3,3 В. Узлы аналоговой части, его питания и гальванической развязки могут быть видоизменены или даже исключены в соответствии с конкретными требованиями и ограничениями. Гальваническая развязка нужна для защиты подключённого монитора при проведении измерений в цепях под высоким напряжением. Прототип приставки у меня больше года проработал без неё, и ни один монитор не пострадал. При выборе схемы аналоговой части я исходил из её максимальной простоты, уменьшения числа применяемых номиналов и распространённости элементной базы. Для разрядности АЦП в 8 бит этого достаточно, но при увеличении разрядности до 10 или 12 бит аналоговую часть нужно пересмотреть и выполнить, например, как в [3].

Рис. 3. Топология платы
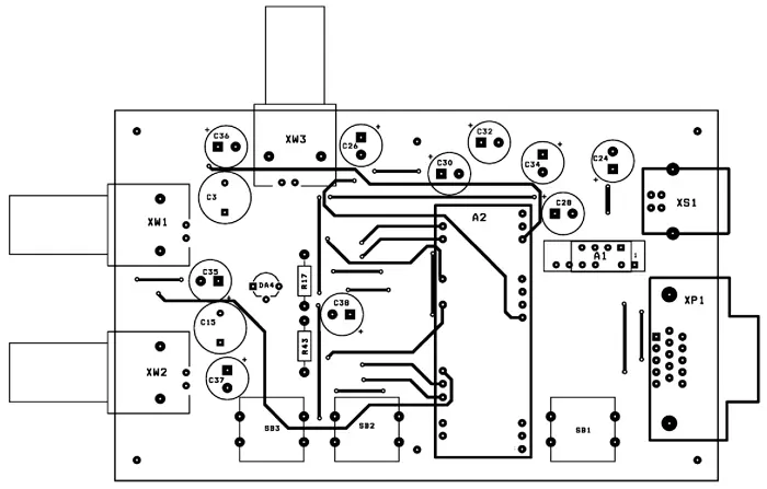
Рис. 4. Размещение элементов на плате (по клику крупно)
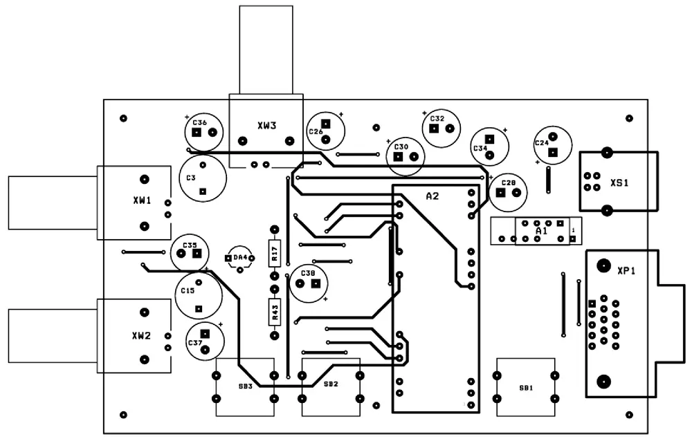
Рис. 5. Размещение элементов на плате (по клику крупно)
Конструкция, детали и возможные замены. Для приставки была разработана односторонняя печатная плата размерами 117x72 мм из стеклотекстолита толщиной 1,5...2 мм, которую можно изготовить методом ЛУТ. Топология платы показана на рис. 3 , а размещение элементов на ней - на рис. 4 и рис. 5. На рис. 6 и рис. 7 показана смонтированная плата приставки. На последнем рисунке можно заметить дополнительные элементы, установленные с помощью навесного мон-тажа, их установка на печатную плату уже предусмотрена в её топологии.

Рис. 6. Смонтированная плата приставки

Рис.7. Смонтированная плата приставки
Продолжение следует
Автор: В. Попов, г. Ростов-на-Дону


