В радиолюбительской практике иногда требуется генератор, который в исходном состоянии находится в ждущем режиме и вырабатывает на своих выходах последовательность импульсов при подаче на его вход управляющего сигнала. Такой генератор может пригодиться для зажигания светодиодов по принципу бегущей волны, в охранном устройстве для последовательного нажатия на кнопки сотового телефона и т. д.
Построить подобный генератор можно на микросхеме К176ИЕ12 [1], снимая выходные сигналы с её выходов Т1-Т4, или применить микросхему счётчика, например МС14060ВСР, имеющую в своём составе инверторы для построения RC-генератора.
Оба эти варианта позволяют изменять длительность и частоту следования импульсов в широких пределах путём подбора + номиналов элементов частотозадающей цепи, но первый вариант неприменим, если требуется иметь более четырёх выходов, импульсы на которых следуют друг за другом, а микросхема МС14060ВСР вырабатывает выходные сигналы в виде двоичного кода, что в некоторых случаях не требуется.
Если длительность импульсов генератора и частота их следования лежат в интервале 0,5...1 Гц, наиболее простым способом его построения является использование счётчика-делителя с десятичным выходом совместно с мигающим светодиодом, вырабатывающим тактовые импульсы [2]. Принцип работы такого тактового генератора основан на том, что последовательно с мигающим светодиодом включают токоограничивающий резистор. Когда светодиод погашен, практически всё напряжение питания падает на нём. Это можно интерпретировать как высокий логический уровень. При включении светодиода напряжение на нём уменьшается, что эквивалентно низкому логическому уровню.
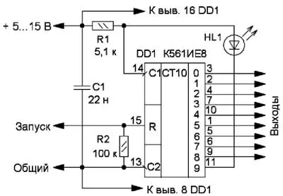
Схема несложного импульсного генератора приведена на рис. 1. Основой устройства служит десятичный счётчик К561ИЕ8 (К176ИЕ8, К561ИЕ9 или импортный аналог), на счётный вход которого поступают импульсы от мигающего светодиода HL1. При подаче питающего напряжения счётчик DD1 может установиться в произвольное состояние, и тактовый генератор на мигающем светодиоде HL1 будет работать до появления на выходе 9 (вывод 11) высокого логического уровня, после чего счётчик останавливается и генератор переходит в ждущий режим. При подаче на вход R микросхемы DD1 импульса c высоким логическим уровнем счётчик устанавливается в нулевое состояние и на его выходе 9 появляется низкий логический уровень. Генератор на мигающем светодиоде начинает работу, и по окончании обнуляющего импульса на выходах счётчика последовательно появляются импульсы.

Рис. 1. Схема импульсного генератора
Достоинством этой схемы являются простота и малое число используемых элементов, но у неё имеются и недостатки. Первый из них заключается в том, что при подаче напряжения питания счётчик DD1 устанавливается в произвольное состояние, и на каких-либо выходах счётчика могут появиться случайные импульсы, что во многих случаях нежелательно. Поэтому этот генератор следует применять только там, где питающее напряжение либо не прерывается вовсе, либо перерыв в его подаче не вызовет сбоев в работе устройства, в состав которого входит генератор.
Второй недостаток устройства состоит в том, что ждущий генератор заработает только тогда, когда высокий логический уровень на входе запуска сменится низким. Если на этом входе присутствует высокий логический уровень, мигающий светодиод работает, генерируя тактовые импульсы, но уровень логической единицы присутствует только на выходе 0 (рис. 2). зОднако иногда этот недостаток оможет обернуться достоинством, например, в том случае, если работа генератора должна начаться только после отпускания управляющей кнопки. Третьим недостатком устройства является необходимость инвертирования запускающего сигнала в том случае, если этим сигналом служит фронт импульса.

Рис. 2. Цикл работы генератора
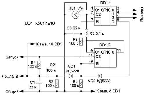
Для устранения описанных выше недостатков в схему генератора необходимо ввести цепь обнуления счётчика, устанавливающую его в исходное состояние при подаче напряжения питания, а также узел, позволяющий запустить генератор вне зависимости от длительности запускающего импульса. При этом желательно включать генератор импульсом низкого логического уровня и использовать для построения устройства одну цифровую микросхему.

Рис. 3. Схема доработанного генератора
Схема такого генератора приведена на рис. 3. При подаче питающего напряжения дифференцирующая цепь C2R2устанавливает счётчики микросхемы DD1 в нулевое состояние, поэтому на выходе 0 счётчика DD1.2 присутствует низкий логический уровень и генератор тактовых импульсов на мигающем светодиоде HL1 обесточен. При соединении входа запуска с общим проводом на выходе 0 счётчика DD1.2 появляется высокий логический уровень, который блокирует дальнейшую работу счётчика по входу С1. Таким образом, счётчик DD1.2 работает как триггер, который переключается в единичное состояние по первому спаду высокого логического уровня на входе запуска и не изменяет своего состояния при дальнейших изменениях уровня входного сигнала, что позволяет запустить генератор вне зависимости от длительности импульса запуска, а также наличия его дребезга (конечно, в том случае, если длительность сигнала запуска будет меньше длительности цикла работы генератора).
После запуска тактового генератора на мигающем светодиоде HL1 счётчик DD1.1 подсчитывает его импульсы, и на выходах 0-3 счётчика появляется последовательность выходных импульсов в двоичном коде. При появлении высокого логического уровня на выходе 3 этого счётчика напряжение через диод VD2 поступает на входы сброса обоих счётчиков и устанавливает их в нулевое состояние. Интегрирующая цепь R3C3 предназначена для обеспечения сброса обоих счётчиков микросхемы.
В описанном генераторе отсутствуют недостатки, присущие первому варианту генератора (см. рис. 1), но имеются и свои - это сравнительно большое число элементов и наличие выходных импульсов в виде двоичного кода, что может затруднить использование данного генератора во многих практических случаях. Последний недостаток связан с применением в устройстве счётчика с двоичным выходом К561ИЕ10, но генератор с аналогичными свойствами можно построить и на микросхеме К561ИЕ8, используя тот факт, что данная микросхема может вести счёт по спаду импульсов на входе С2 (вывод 13).

Рис. 4. Схема генератора на микросхеме К561ИЕ8
Схема генератора на микросхеме К561ИЕ8 приведена на рис. 4. При подаче напряжения питания цепь C3R2 устанавливает счётчик DD1 в нулевое состояние, при этом на выходе 0 счётчика появляется высокий логический уровень, запрещающий работу тактового генератора на мигающем светодиоде HL1, а на входе С1 счётчика присутствует высокий логический уровень. При соединении запускающего входа устройства с общим проводом на входе С2 появляется спадающий перепад напряжения, по которому счётчик увеличивает своё состояние на единицу, и на его выходе 0 появляется низкий логический уровень. Тактовый генератор на мигающем светодиоде начинает вырабатывать импульсы, которые поступают на вход C1 счётчика, и на его выходах появляется последовательность импульсов. При появлении десятого тактового импульса на выходе 0 счётчика вновь появится высокий логический уровень, и генератор остановится. Конденсатор С4 совместно с резистором R3 образуют помехоподавляющий фильтр, конденсатор С1 сглаживает пульсации питающего напряжения, конденсатор С2 - блокировочный в цепи питания.
Защита от дребезга запускающего сигнала, могущего вызвать сбои в работе счётчика, обеспечивается тем, что в течение всего рабочего цикла генератора на входе С2, благодаря связи с выходом 0 через резистор R4, всё время присутствует низкий логический уровень, запрещающий счёт по данному входу, поэтому многократное соединение запускающего входа с общим проводом устройство никак не воспринимает, реагируя лишь на первое из них. При соединении верхнего по схеме вывода резистора R4 с плюсом источника питания логика работы устройства останется прежней, но защита от дребезга управляющего сигнала будет зависеть лишь от постоянной времени цепи R3C4.
Этот генератор, в отличие от описанных выше, имеет одну особенность - длительность цикла генератора здесь фиксированная и равна десяти тактам. Эту особенность устройства можно считать недостатком, но если длительность цикла не имеет особого значения, то это, на взгляд автора, является наиболее оптимальным. В устройстве по схеме на рис. 1 длительность цикла можно изменить, подключив катод мигающего светодиода HL1 к другому выходу счётчика, а в устройстве по схеме на рис. 3 - изменив точку подключения анода диода VD2.
Другой особенностью устройства является то, что сигнал высокого логического уровня на выходе 0 счётчика DD1 имеет небольшую длительность, поэтому использовать его для управления большинством нагрузок, например светодиодом или реле, невозможно. Объясняется это тем, что в момент подачи питающего напряжения на мигающий светодиод встроенный в него генератор включается, создавая отрицательный перепад на входе C1 счётчика DD1, вслед за которым следует положительный перепад, после чего мигающий светодиод начинает работать в обычном режиме, и импульсы на выходах 2-9 счётчика DD1 имеют нормальную длительность (рис. 5). Возможно, проявление этого эффекта зависит от типа применённого мигающего светодиода, но со всеми светодиодами, которые имелись у автора, этот эффект проявлялся всегда.

Рис. 5. Цикл работы генератора с включением мигающего светодиода
Третий генератор был разработан для управления устройством [3] с помощью устройства дистанционного управления [4]. Квыходам 2 и 4счётчика DD1 подключены затворы полевых транзисторов VT1 и VT2, в цепи стока которых включены обмотки реле К1 и К2. Нормально замкнутые контакты этих реле через диоды VD3, VD4 включены в разрыв линии устройства [3], а вход "Запуск" генератора подключён к выходу "*" устройства [4]. Таким образом, при появлении на этом входе низкого логического уровня оба реле последовательно размыкают свои контакты, разрывая сначала один, а потом другой полупериод напряжения в линии, поэтому устройство [3] включает или выключает подключённые к нему осветительные лампы.
Так как деталей в устройстве немного, печатная плата для него не разрабатывалась, а все элементы были смонтированы на отрезке универсальной макетной платы,которая совместно с реле и клеммной колодкой, служащей для подключения внешних цепей, помещена в пластмассовую распаячную коробку размерами 20x75x75 мм (рис. 6). В устройстве можно применить микросхемы серий К561, КР1561 или их импортные аналоги, транзисторы 2N7000 можно заменить отечественными КП505 или использовать биполярные транзисторы структуры n-p-n, например, КТ315 или КТ3102. Остальные детали - любые подходящие, выбор реле зависит от питающего устройство напряжения; в авторском варианте применены реле SANOU SRD-S-112 D.

Рис. 6. Монтаж устройства
От частоты вспышек мигающего светодиода зависят длительность импульсов генератора и частота их следования. Во всех генераторах можно использовать практически любые мигающие светодиоды без встроенных резисторов, но следует учесть, что с некоторыми типами светодиодов тактовый генератор может не заработать. В последнем случае параллельно мигающему светодиоду можно попробовать установить резистор, сопротивление которого подбирают экспериментально, а между счётным входом микросхемы, к которому подключён анод светодиода, и общим проводом - конденсатор ёмкостью 1 нФ. Также можно попробовать поменять мигающий светодиод и соответствующий токоограничивающий резистор местами (как на рис. 3 в [2]). Если генератор всё равно не запускается, следует заменить мигающий светодиод другим.
Напряжение питания описанных устройств может находиться в интервале 5...15 В, но при низком напряжении питания следует применять мигающие светодиоды с малым падением напряжения во включённом состоянии, как правило, они красного свечения. Например, при питающем напряжении 5 В и применении мигающего светодиода, минимальное напряжение которого равно 3 В, генератор работать не будет, так как напряжение на входе счётчика будет всё время превышать пороговое для элемента структуры КМОП, которое равно половине напряжения питания, т. е. 2,5 В. При напряжении питания 8 В и более проблем с выбором мигающего светодиода и запуском тактового генератора, как правило, не возникает.
Литература
1. Лукьянов Д. Необычные "профессии" микросхем для часов. - Радио, 1988, № 12, с. 31,32.
2. Рюмик С. Генераторы импульсов на "мигающем" светодиоде. - Радио, 2000, № 2, с. 45.
3. Мельников А. Устройство управления освещением. - Радио, 2019, № 3, с. 33-37.
4. Мельников А. Устройство дистанционного управления с кодовым доступом. - Радио, 2019, № 7, с. 37-44.
Автор: А. Мельников, г. Барнаул
