Этот кварцевый генератор (КГ) предназначен для применения в качестве первого гетеродина в радиоприёмниках, трансиверах и передающих приставках, выполненных по структурной схеме трансивера UW3DI, где первая ПЧ - перестраиваемая (например, от 6 до 6,5 МГц), а вторая - фиксированная (500 кГц). Такая схема построения любительской аппаратуры имеет ряд преимуществ, где главным, пожалуй, является непереключаемый генератор плавного диапазона (ГПД). Отсутствие в ГПД коммутируемых элементов и ограниченный диапазон перестройки на относительно низких частотах позволяют легче решить, в частности, проблему долговременной температурной стабильности.
Описываемый вариант КГ (его принципиальная схема показана на рис. 1) применён автором в радиоприёмнике "Экстра-Тест". В отличие от UW3DI, перекрытие (перестройка) по первой ПЧ составляет 5,5...6,5 МГц (т. е. в два раза больше). Диапазон принимаемых частот приёмника от 0,5 до 34,5 МГц разбит на 34 поддиапазона шириной по 1 МГц. При приёме сигналов в полосе частот 5,5...6,5 МГц (частоты перестройки первой ПЧ) предусмотрено отключение кварцевого гетеродина. С него снимают питающее напряжение и включают режим обвода (через контакты реле К1) принимаемого ВЧ-сигнала с выхода УВЧ приёмника на вход перестраиваемого фильтра первой ПЧ непосредственно. С учётом того, что ГПД приёмника перекрывает частотный участок несколько больше одного мегагерца (с некоторым запасом по краям), обеспечивается нормальный приём и в соседних частотных участках, вблизи крайних частот ПЧ 5,5 и 6,5 МГц на частоту перекрытия.
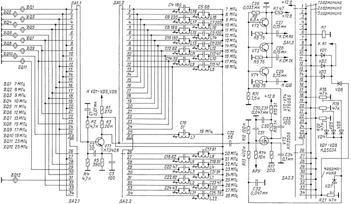
Рис. 1. Принципиальная схема кварцевого генератора
Генератор формирует сетку частот, используя гармоники (с первой по четвёртую) двенадцати установленных кварцевых резонаторов. Для получения равномерного уровня выходных сигналов генератора при работе на разных гармониках применена регулировка уровня выходного сигнала (на каждой гармонике своя подстройка). На выходе КГ установлен трёхканальный эмиттерный повторитель, распределяющий выходной сигнал на три нагрузки.
Собственно генератор собран на транзисторе VT1 по схеме ёмкостной трёхточки. Кварцевые резонаторы ZQ1-ZQ12 включены между цепью базы транзистора и общим проводом. Переключение резонаторов производят двумя галетными переключателями - SA1.1 (типа КТ 1211-1 на 26 положений) и SA2.1 (типа 11П3НПМ, задействовано девять положений). Переключающий контакт переключателя SA2.1 подключён к базе транзистора VT1 только в положении переключателя SA1. 1, обозначенном как "ДД" (дополнительные диапазоны).
В цепь коллектора транзистора VT1 переключателями SA1.2 и SA2.2 подключаются контуры L1-L22, С4-С25, настроенные на выходные частоты генератора (на частоты гармоник кварцевых резонаторов). Резистор R3 подключён параллельно контурам нагрузки, он сглаживает возможные броски тока через транзистор при переключении катушек.
С коллектора транзистора VT1 сигнал поступает на управляемый буферный усилитель, выполненный на двух-затворном полевом транзисторе VT5. Регулировка усиления этого каскада осуществляется по двум затворам. К первому затвору с помощью переключателей SA1.3 и SA2.3, работающих в том же алгоритме, как и предыдущие галеты переключателя, подключаются в зависимости от используемой гармоники кварцевых резонаторов подстроечные резисторы R18-R21. Этими резисторами можно регулировать равномерность амплитуды выходного сигнала кварцевого генератора. Диоды VD4- VD7 служат для развязки регулирующих резисторов и исключают их влияние друг на друга при налаживании.
На второй затвор транзистора VT5 подаётся управляющий сигнал с системы АРУ приёмника (0...+12 В). На выходе этой цепи АРУ (в приёмнике) включён подстроечный резистор, которым устанавливают начальный коэффициент усиления каскада на транзисторе VT5 (напряжение +3...5 В). При работе системы АРУ её напряжение с увеличением уровня входного сигнала возрастает и, превысив напряжение установленного уровня, начинает увеличивать коэффициент усиления буферного усилителя. В результате на входах смесителя приёмника вместе с ростом уровня входного сигнала растёт и уровень сигнала гетеродина, при этом соотношение уровней этих сигналов остаётся одинаковым, что благоприятно сказывается на динамическом диапазоне смесителя. Изменение в некоторых пределах уровня выходного сигнала для цифровой шкалы особого влияния на показания последней не оказывает, поскольку установочный порог коэффициента усиления буферного каскада несколько выше порога чувствительности цифровой шкалы.
Со стока транзистора VT5 сигнал подаётся в базовые цепи транзисторов VT2-VT4. На этих транзисторах собран трёхканальный эмиттерный повторитель. С его выходов сигнал подаётся на смеситель приёмника (RX), смеситель передатчика (TX) и цифровую шкалу (ЦШ). В режиме передачи система АРУ приёмника не работает и не влияет на коэффициент усиления каскада на VT5.
Если будет установлен резонатор ZQ12, работающий на пятой гармонике, то следует организовать дополнительную цепь, состоящую из двух развязывающих диодов, подстроечного резистора и подключённую параллельно цепям нижних гармоник.
Монтаж генератора выполнен на печатной плате из фольгированного стеклотекстолита (рис. 2). Катушки L1-L20 намотаны на пластмассовых каркасах диаметром 5 мм и заключены в алюминиевые экраны. На каждом каркасе (а их всего десять) размещены по две катушки (по одной с каждого края).

Рис. 2. Монтаж генератора
Каждая катушка снабжена подстроечником из феррита марки 400НН диаметром 3,5 и длиной 14 мм. Катушки L1-L14 намотаны виток к витку проводом ПЭЛ 0,55, катушки L15-L20 - виток к витку проводом ПЭЛ 0,41.
Катушки L21 и L22 - бескаркасные, намотаны медным посеребрённым проводом диаметром 0,55 мм на оправке диаметром 5 мм. Они распаяны непосредственно на контактах галетного переключателя SA2 и подстраиваются раздвиганием или сжатием витков.
Число витков катушек: L1, L2 - 7; L3 - 8; L4, L5 - 9; L6, L7 - 10; L8, L9 - 11; L10-L13 - 12; L14 - 13; L15 - 16; L16 - 20; L17 - 25; L18 - 30; L19 - 40; L20 - 47; L21, L22 - 5.
Налаживание генератора заключается в подстройке катушек L1-L22 до достижения максимального уровня сигнала и подборе резистора R6 до получения неискажённой синусоидальной формы сигнала на выходе.
Частоты кварцевых резонаторов и частоты настроек контуров указаны на схеме (см. рис. 1). Резонатор на 23 МГц можно заменить резонатором на частоту 7,66 МГц с выделением третьей гармоники, резонатор на 25 МГц - резонаторами на частоты 5; 6,33; 8,33; 12,5 МГц с выделением соответствующей гармоники. Уровни выходного сигнала генератора устанавливают под-строечными резисторами R18-R21 в пределах 0... 3 В в зависимости от конкретной нагрузки и при отсутствии сигнала на входе приёмника.
Автор: Владимир Рубцов (UN7BV), г. Астана, Казахстан

