В статье предложен вариант кварцевого гетеродина, который можно использовать, например, в КВ-приёмнике с двойным преобразованием частоты, фиксированным гетеродином и перестраиваемой ПЧ. Применение электронных ключей, управляемых логическими уровнями, позволило избавиться от использования механических переключателей. Такая замена позволяет значительно повысить надёжность и упростить технологию сборки устройства. Кроме того, устраняется зависимость от конструкции и размеров механического переключателя и появляется возможность создавать простые системы дистанционного и автоматического управления.
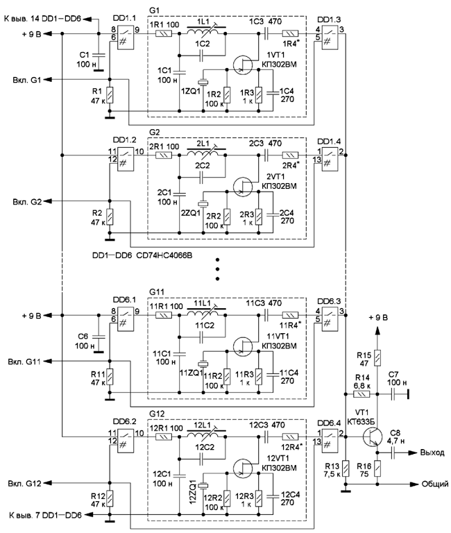
Cхема устройства показана на рис. 1. Оно состоит из 12 кварцевых генераторов G1-G12 с частотами от 6 до 28 МГц и шагом 2 МГц. Впрочем, число генераторов и их частоты могут быть и другими. Каждый из генераторов коммутируется двумя аналоговыми КМОП-ключами, входящими в микросхемы CD74HC4066В. Ключи этой серии предназначены для коммутации сигналов частотой до 200 МГц. Управление ключами осуществляется напряжением логического уровня. Высокий уровень - ключ открыт, низкий - закрыт.

Рис. 1. Cхема кварцевого гетеродина
При подаче высокого логического уровня на управляющий вход "Вкл. G1" открываются ключи DD1.1 и DD1.3. Первый подаёт напряжение питания на генератор G1, а второй подключает его выход к буферному каскаду (эмиттерный повторитель) на транзисторе VT1. В это время за счёт резисторов R2- R12 на управляющих входах остальных генераторов G2-G12 присутствует низкий уровень, поэтому они выключены.
Каждый из генераторов собран по схеме ёмкостной трёхточки на полевом транзисторе NVT1 с управляющим p-n переходом и каналом n-типа. Кварцевый резонатор включён между затвором и общим проводом. В цепи стоков транзисторов включены контуры на элементах 1L1 - 12L1 и 1C2-12C2, которые настроены на первую гармонику кварцевых резонаторов 1ZQ1 - 12ZQ1. Номиналы и конструктивные параметры этих элементов для разных частот приведены в таблице.
Таблица
Частота, МГц | 6 | 3 | 10 | 12 | 14 | 16 | 13 | 20 | 22 | 24 | 26 | 28 |
Емкость конденсатора NC2, пФ | 430 | 270 | 160 | 120 | 82 | 63 | 62 | 51 | 39 | 27 | 20 | 20 |
Число витков катушки NL1 | 14 | 13 | 13 | 12 | 11 | 10 | 9 | 8 | 8 | 7 | 7 | 6 |
Интервал перестройки индуктивности, мкГн | 1,14...2,5 | 1...2,17 | 1...2,17 | 0,85...1,64 | 0,78...1,69 | 0,7...1,5 | 0,59...1,11 | 0,5...0,98 | 0,5...0,98 | 0,43...0,76 | 0,43...0,76 | 0,39...0,68 |
Генератор собран на печатной плате из одностороннего фольгированного стеклотекстолита, её чертёж и схема размещения элементов показаны на рис. 2.

Рис. 2. Печатная плата генератора и схема элементов на ней
В устройстве применены резисторы R1-R12, R15, 1R1-12R1 и 1R4-12R4 для поверхностного монтажа типоразмера 1206, остальные - выводные МЛТ, С2-23 или аналогичные. Конденсаторы 1С3-12С3 и 1С4-12С4 - для поверхностного монтажа типоразмера 1206 или 0805, остальные - К10-17, КМ-6, причём конденсаторы 1С2-12С2 следует применить с ТКЕ не хуже М75. В генераторах, кроме указанных полевых транзисторов, можно применить транзисторы КП303В, КП303Д, но предпочтительнее КП302ВМ или КП302БМ, поскольку использование транзисторов серии КП303 в этом генераторе приводит к небольшому завышению частоты. Транзистор КТ633Б можно заменить транзистором КТ633А или КТ606А, КТ606Б, как сделано в устройстве аналогичного назначения [1]. Каркасы катушек применены от контуров плат радиоканалов блока СМРК телевизоров серии 3УСЦТ. Диаметр каркасов - 6 мм, ферритовый подстроечник - диаметром 3,8 мм и длиной 8 мм. Намотка - провод ПЭВ-2 диаметром 0,25 мм. Число витков катушек и интервал перестройки их индуктивности с введённым ферритовым подстроечником и без него приведены в таблице.
Кварцевые резонаторы - в корпусе HC-49U, их номинальная частота должна быть указана для первой гармоники. Следует учесть, что номинальная частота резонатора указана для схемы, используемой на заводе-изготовителе, которая может отличаться от используемой. В генераторе по другой схеме частота может отличаться на 1...2 кГц. В случае необходимости можно применить известные способы подстройки частоты резонаторов, приведённые в [2].
Внешний вид смонтированной платы показан на рис. 3.

Рис. 3. Внешний вид смонтированной платы
Налаживание генераторов заключается в настройке с помощью подстроечников катушек 1L1 - 12L1 соответствующих контуров на первую гармонику кварцевого резонатора. Она производится вывинчиванием подстроечников катушек до появления генерации и получения максимальной амплитуды сигнала. Затем подстроечник вывинчивают ещё на 1.2 оборота, контролируя форму синусоидального сигнала, его частоту и напряжение. Оно должно быть 1 В и одинаковым для всех генераторов. При необходимости небольшая коррекция напряжения сигнала производится подборкой резисторов 1R4-12R4 (до нескольких сотен ом) и подстроечниками катушек 1L1- 12L1. Первоначально взамен резисторов 1R4-12R4 можно установить проволочные перемычки.
Питать устройство следует от стабилизированного источника, потребляемый ток - 28...30 мА.
Литература
1. Рубцов В. Кварцевый гетеродин КВ-приёмника. - Радио, 2015, № 12, с. 54, 55.
2. Изменение частоты кварцевых резонаторов. - Радио, 1978, № 3, с. 22, 23.
Автор: Борис Демченко, г. Киев, Украина
