Описано несложное устройство, позволяющее дистанционно включать и выключать напряжение в сетевой розетке. Управление происходит по радиоканалу, причём применены специализированные микросхемы кодера и декодера команд, что позволило обойтись без микроконтроллеров.
Несложная система радиоуправления с использованием готовых радиомодулей была описана в [1]. Кодирование и декодирование команд в ней выполняли микроконтроллеры. Между тем для решения этой задачи существуют недорогие специализированные комплекты микросхем. В частности, кодер PT2262 [2] и декодер PT2272 [3] или их аналоги другого производителя - SC2262 [4] и SC2272 [5].
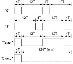
Для передачи команды кодер этого типа формирует кодовое слово, показанное на рис. 1 . Оно содержит 12 информационных разрядов и заканчивается разрядом синхронизации. Каждый из информационных разрядов может иметь значение не только привычных нуля и единицы, но и третье "плавающее", соответствующее никуда не подключённому выводу микросхемы.

Рис. 1. Кодовое слово
Применённый в предлагаемом устройстве декодер считает первые восемь разрядов кода (A0-A7) адресными и воспринимает команду, передаваемую разрядами D0-D3, только в случае совпадения принятого адреса с собственным, заданным подключением соответствующих выводов микросхемы.
Для передачи по радиоканалу значения разрядов слова закодированы в соответствии с рис. 2. Длительность передачи каждого разряда - 32T, где T - период повторения импульсов внутреннего тактового генератора микросхемы. Его обычно устанавливают равным 50...100 мкс. Разряд со значением ноль - дважды повторённая последовательность импульса длительностью 4T и паузы длительностью 12T. При передаче единицы последовательность обратная - импульсы длительностью 12T разделены паузами длительностью 4Т. "Плавающему" состоянию соответствует последовательность: импульс 4T, пауза 12T, импульс 12T, пауза 4Т. Завершает передачу кодового слова синхроимпульс длительностью 4T, за которым следует пауза длительностью минимум 124T.

Рис. 2. Кодировка
Надёжность приёма достигается тем, что передача одного и того же кодового слова повторяется несколько раз, а приёмник считает информацию достоверной, приняв одно и то же несколько раз подряд (как правило, не менее трёх).
Адресные входы кодера (в передатчике) и декодера (в приёмнике) должны быть подключены одинаково. Они могут иметь три состояния. Те, которым в кодовом слове соответствует ноль, соединяют с общим проводом, которым соответствует единица - с плюсом питания, остальные (плавающие) оставляют свободными. Период колебаний внутреннего тактового генератора зависит от сопротивления резистора, подключённого между выводами 15 и 16 микросхемы кодера.
Таким же образом этот период устанавливают и в декодере. Но у кодера и декодера этот период получается одинаковым (что необходимо для правильной работы) при резисторах разного сопротивления.
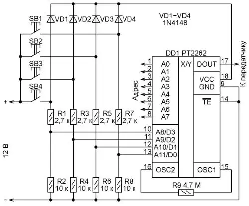
На рис. 3 показана схема кодера системы дистанционного управления на микросхеме PT2262 (DD1). При нажатии на любую из кнопок SB1-SB4 через открывшийся диод из числа VD1-VD4 на эту микросхему поступает напряжение питания. Она формирует на своём выходе DOUT кодовое слово рассмотренного выше формата, в котором разряды A0-A7 имеют значения, заданные подключением одноимённых входов микросхемы. Значение того из разрядов D0-D3, который соединён с нажатой кнопкой, равно единице, а остальных - нулю.

Рис. 3. Схема кодера системы дистанционного управления на микросхеме PT2262 (DD1)
Сигнал с выхода DOUT управляет передатчиком. Высокий уровень на этом выходе включает передатчик, а низкий - его выключает. Это так называемая амплитудная манипуляция (англ. OOK - on/off keying).
В продаваемых комплектах аппаратуры радиоуправления передатчик выполнен, как правило, в виде малогабаритного пульта, к которому можно прикрепить, например, брелок с ключами (рис. 4). На рис. 5 на плате передатчика видны восемь контактных площадок для установки адреса.

Рис. 4. Пульт управления

Рис. 5. Плата передатчика
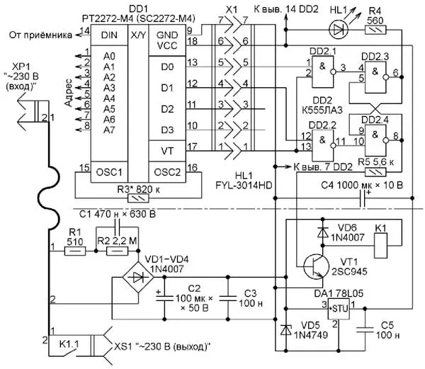
Принципиальная схема декодера системы радиоуправления с узлом управления исполнительным устройством (розеткой) показана на рис. 6. Здесь применён готовый модуль приёмника XD-YK04-M4-315MHz (рис. 7) из приобретённого набора. В нём установлена микросхема декодера SC2272-M4 (полный аналог PT2272-M4). Из имеющихся в модуле элементов на схеме показаны только эта микросхема (DD1) и разъём X1, которым модуль подключают к внешним цепям. Адресные входы декодера должны быть распаяны аналогично адресным входам кодера в пульте управления, только в этом случае декодер сможет опознать отправленную ему команду. Достоверность принятой команды подтверждает высокий логический уровень на выходе VT декодера.

Рис. 6. Принципиальная схема декодера системы радиоуправления

Рис. 7. Модуль приёмника XD-YK04-M4-315MHz
Индекс M4 в названии микросхемы означает, что она трактует как команду значения четырёх старших разрядов принятого 12-разрядного кода и не запоминает их, выводя на выходы D0-D3 лишь кратковременно. По завершении приёма кодовой посылки уровни на этих выходах становятся нулевыми. Такие микросхемы наиболее распространены, однако встречаются и микросхемы с буквой L в суффиксе. Они сохраняют принятый код на выходах до приёма следующей команды. Чтобы получить такой же эффект с микросхемой, имеющей индекс M, в описываемое устройство пришлось добавить триггер-защёлку на микросхеме DD2.
Нажатие на кнопку SB2 пульта (см. рис. 3) устанавливает на выходе D1 декодера DD1 высокий уровень, который чуть позднее подтверждается таким же уровнем на выходе VT. В результате низкий уровень на выходе элемента DD2.2 переключает триггер на элементах DD2.3 и DD2.4 в состояние с низким уровнем на выходе элемента DD2.3 и высоким на выходе DD2.4. Это открывает транзистор VT1. Реле K1 срабатывает, подавая напряжение ~230 В на розетку XS1. В этом состоянии триггер и всё устройство остаются и по завершении команды.
При нажатии на пульте на кнопку SB1 высокий уровень появится на выходе D0 декодера DD1. Триггер на элементах DD2.3 и DD2.4 будет переведён этим в состояние с низким уровнем на выходе элемента DD2.4, что закроет транзистор VT1. Разомкнувшиеся контакты K1.1 отключат напряжение от розетки XS1. Индикатором такого состояния служит выключенный светодиод HL1.
Узел питания приёмника и исполнительного устройства от сети ~230 В выполнен по бестрансформаторной схеме с гасящим избыток напряжения конденсатором C1. Стабилитрон VD5 ограничивает до 24 В напряжение на выходе мостового выпрямителя на диодах VD1-VD4. Резистор R1 уменьшает бросок зарядного тока конденсатора C1 в момент включения питания. Резистор R2 нужен для разрядки этого конденсатора после отключения устройства от сети. Установленное на использованной плате реле - SHD-24VDC-F-A.
Приёмная часть устройства радиоуправления собрана в электромонтажной коробке размерами 100x100x50 мм, на крышке которой установлена обычная сетевая розетка для открытой проводки ХS1. Внутри коробки размещены три платы. Находящаяся на плате модуля приёмника штыревая часть разъёма X1 вставлена в его гнездовую часть, установленную на макетной плате с триггером на микросхеме DD2. Плата с транзистором VT1, реле K1 и узлом питания - от неисправного датчика движения ДД-009, на которой исходно установленный интегральный стабилизатор 78L09 заменён на 78L05. На схеме (см. рис. 6) находящиеся на этой плате детали расположены ниже штрихпунктирной линии. Внешний вид конструкции показан на рис. 8.

Рис. 8. Внешний вид конструкции
Практика показала, что причиной неустойчивой работы устройства может быть недостаточная ёмкость гасящего конденсатора C1. Например, при ёмкости этого конденсатора 0,33 мкФ (такой конденсатор был установлен в датчике движения) и срабатывании реле K1 напряжение на стабилитроне VD5 падает ниже 5 В, а оно не должно быть менее 7...8 В. Поэтому конденсатор нужно заменить другим, большей ёмкости.
Потребляемый устройством ток не превышает 20 мА. Для его снижения можно заменить микросхему К555ЛА3 более экономичной 74HC00. Можно отказаться от использования светодиода HL1. Если приобрести готовые модули не удастся, то используемые в конструкции детали можно найти в беспроводном дверном звонке.
В приёмном устройстве отсутствуют какие-либо органы управления. Высокочастотные узлы уже настроены изготовителем комплекта. Необходимо лишь установить одинаковые адреса на выводах микросхем кодера в пульте управления и декодера в модуле приёмника.
Оставшимися неиспользованными двумя кнопками пульта можно управлять другими устройствами. Например, добавив в приёмник второй триггер, аналогичный собранному на микросхеме DD2, и ещё один исполнительный узел со своей розеткой. Система радиоуправления станет двухканальной.
Литература
1. Пахомов А. Радиоуправляемый сетевой удлинитель. - Радио, 2014, № 7, с. 31 - 34.
2. PT2262 Remote Control Encoder. - URL: http://www.princeton.com.tw/Portals/0/ Product/PT2262_5.pdf (20.03.16).
3. PT2272 Remote Control Decoder. - URL: http://www.princeton.com.tw/Portals/0/ Product/PT2272.pdf (20.03.16).
4. Remote Control Encoder SC2262. - URL: http://www.sc-tech.cn/en/SC2262.pdf (12.04.16).
5. Remote Control Decoder SC2272. - URL: http://www.sc-tech.cn/en/SC2272.pdf (12.04.16).
Автор: А. Пахомов, г. Владимир
