Автор предлагаемой статьи неоднократно применял в различных конструкциях микросхему фазового регулятора мощности КР1182ПМ1А [1] и убедился, что она великолепно ведет себя, если регулировка производится изменением активного сопротивления в цепи управления. Однако, когда потребовалось использовать в качестве управляющего воздействия подаваемое на соответствующие входы микросхемы постоянное напряжение, возникли проблемы. Пришлось, отказавшись от микросхемы КР1182ПМ1А, разработать взамен сравнительно несложный фазовый регулятор, управляемый напряжением и удовлетворяющий всем предъявляемым к нему требованиям.

Рис. 1 Рис.2
Экспериментально снятая зависимость эффективного значения напряжения U„ на активной нагрузке микросхемы КР1182ПМ1А от сопротивления резистора Rynp, включенного между ее выводами 6 и 3, при напряжении питающей сети 220 В изображена на рис. 1. Она свидетельствует, что интервал изменения этого сопротивления от полного выключения до полного включения нагрузки достаточно велик. Установив в качестве регулирующего переменный резистор номиналом 22 кОм, можно вручную плавно изменять мощность.
Однако в системах автоматического или дистанционного управления мощность удобнее регулировать не сопротивлением, а напряжением между выводами микросхемы КР1182ПМ1А. Хотя в ее справочных данных [2] сказано, что его максимальное значение 6 В, проведенные эксперименты не подтверждают этого. Изображенная на рис. 2 экспериментальная зависимость напряжения на нагрузке UH от приложенного между выводами 6 (плюс) и 3 (минус) микросхемы управляющего напряжения Uynp показывает, что интервал его изменения от полного выключения до полного включения нагрузки лишь немногим превышает 1 В.

Рис. 3
Эксперименты проводились с нагрузкой номинальной мощностью 75 Вт.
Управляющее напряжение подавалось от изолированного источника. Между выводами 6 и 3 был включен защитный стабилитрон на 5,1 В. Тем не менее, выдержав некоторое число включений и выключений, микросхема, в конце концов, переставала работать. После того, как отправились в корзину две микросхемы КР1182ПМ1, эксперименты были прекращены.

Рис. 4
Конечно, две сгоревшие микросхемы еще не дают оснований делать окончательные выводы. Но в любительских условиях каждая из них представляет ценность, тем более что микросхемы КР1182ПМ1 нельзя отнести к дешевым. Было решено, отказавшись от них, разработать на дискретных элементах более надежное устройство. Оказалось к тому же, что суммарная стоимость его деталей мало отличается от цены одной микросхемы КР1182ПМ1.
Схема разработанного фазового регулятора, управляемого напряжением, представлена на рис. 3. Он используется для управления освещением аквариума. Управляющее напряжение Uynp медленно нарастает и убывает, имитируя для рыб "рассвет", "день", "закат" и "ночь".
Временные диаграммы на рис. 4 поясняют работу регулятора. Пульсирующее с удвоенной частотой сети напряжение с диодного моста (кривая 1) через резисторы R1- R3 приложено к излучающему диоду оптрона U1. Стабилитрон VD2 необходим для ограничения амплитуды импульсов текущего через этот диод тока. Во время этих импульсов фототранзистор оптрона открыт, а в паузах между ними (в моменты, близкие к переходам сетевого напряжения через ноль) он закрыт. Форма импульсов на коллекторе этого транзистора показана кривой 2. В интервалах между ними работает генератор стабильного тока на транзисторе VT1. Происходит зарядка конденсатора С1, напряжение на нем линейно нарастает (кривая 3). Во время импульса открывается и разряжает конденсатор транзистор VT2.

Рис. 5
Напряжение с конденсатора поступает на базу транзистора VT3, к эмиттеру которого приложено управляющее напряжение иупр. Его уровень показан на кривой 3 штриховой линией. Пока напряжение на конденсаторе меньше управляющего, транзистор VT3 закрыт, когда оно больше - открыт. Вместе с ним открывается и закрывается транзистор VT4, в коллекторную цепь которого включен излучающий диод оптрона U2. Импульсы текущего через него тока - кривая 4. Они тем короче, чем ближе управляющее напряжение к амплитудному значению напряжения на конденсаторе С1 и тем позже в каждом полупериоде сетевого напряжения открываются фотодинистор оптрона U2 и симистор VS2. Эффективное значение напряжения на нагрузке максимально при нулевом управляющем напряжении и уменьшается с его увеличением.
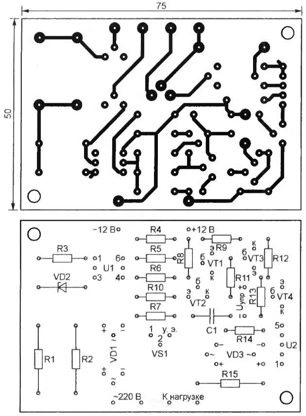
Печатная плата регулятора изображена ни рис. 5. Его питают от любого источника постоянного напряжения 12 В. Максимальное управляющее напряжение на 3...4 В меньше напряжения питания. Транзисторы КТ3102А можно заменить другими той же серии, а КТ3107К - транзисторами КТ3107Л, в крайнем случае КТ3107Д- КТ3107И. Допустимая мощность нагрузки зависит от используемого симистора. Примененный ТС106-10 позволяет управлять нагрузкой мощностью до 2 кВт. При ее мощности до 100 Вт отводить тепло от симистора не требуется.
Литература:
1. Немич А. Микросхема КР1182ПМ1 - фазовый регулятор мощности. - Радио, 1999, №7, с. 44-46.
2. Интегральные микросхемы: Перспективные изделия. Вып. 1. - М.: ДОДЭКА 1996.
Автор: Г. МАРТЫНОВ, г. Донецк, Украина
